Features
4.5V to 100V Wide Input Range
3.5A Typical Peak Current Limit
Integrated 500mΩ low resistance high
side power MOS.
Constant On Time Control with
Constant Switching Frequency.
180μA Low Quiescent Current
150kHz/240kHz/420kHz Switching
Frequency Selectable
Frequency Spread Spectrum
Special Valley Current Limit for nonsync Buck Short Protection
3μA Low Current at Off-state
Built-in Pull-up Current at EN Pin
Available in eSOP8L package
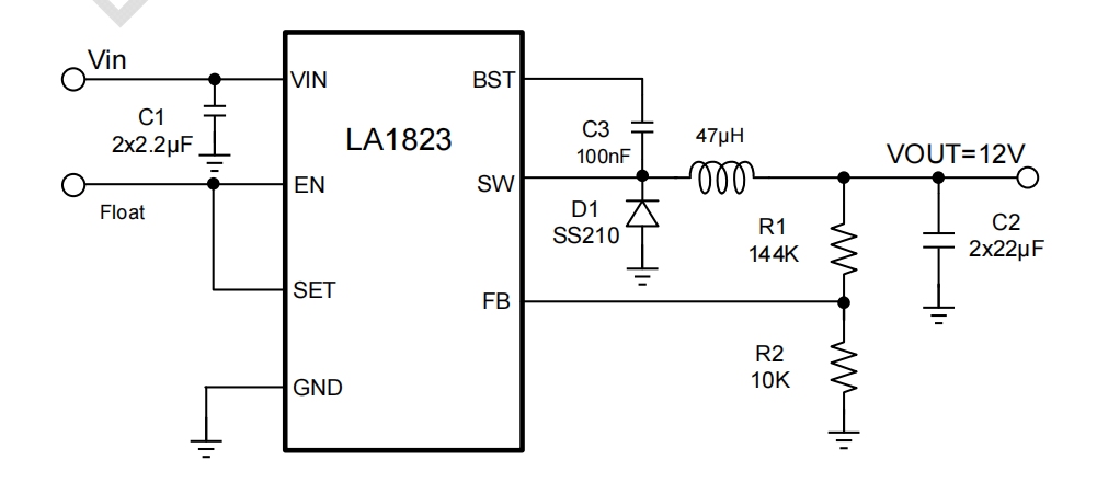
Typical Application
Battery powered tools
E-bike powers, E-motors
Industry applications

