柔性软风管-测量统计一键出量
柔性软风管的计量方式与其他通风管道有所不同,其长度以米为单位,依据设计图示的中心线进行计算。通过【连续测量】功能配合【测量统计】功能,能够简化计量流程,实现一键快速出量。
一、基础知识
柔性软风管是由防腐、不透气、不易霉变的柔性材料制成的工业通风管道,主要用于空调系统的空气输送,需采取防结露措施并包覆防潮层 。
其材质包括不锈钢、铝、镀锌或铝钢金属,与风机连接处需设置150-250mm防火柔性软管,采用三防帆布材料 。根据直径不同,金属圆形柔性风管壁厚分为≥0.09mm(≤250mm)、≥0.12mm(250-500mm)和≥0.2mm(>500mm)三个等级,铝箔聚酯膜复合型壁厚≥0.021mm 。材料与胶粘剂需达到难燃B1级,且胶粘剂需在极端温度下保持粘结性 。


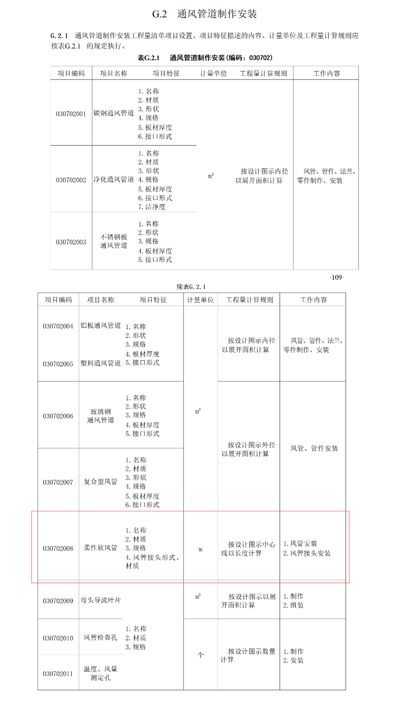
二、清单计量规则

三、案例分析
- 在观察屋顶层防排烟平面图时,图中包含前室加压送风系统、防烟楼梯间加压送风系统以及排烟兼排风系统。

- 利用**CAD快速看图**软件中的【连续测量】功能,沿设计图示中心线进行绘制,右键结束测量并标注实际尺寸。
为确保所有柔性软风管均已测量,可使用【图形识别】功能,框选图例并命名为"柔性软风管",将搜索范围限定在屋顶层防排烟平面图内。识别后的图例将一一对应,便于查缺补漏。



3在完成所有柔性软风管的测量后,通过【测量统计】功能,自动计算所有测量线段的数据。如图所示,柔性软风管的工程量为1.199米。

【连续测量】功能能够精准且快速地识别柔性软风管的长度,【图形识别】功能则可快速检验并查缺补漏,结合【测量统计】功能,大幅提升计量效率,实现快速出量。
#图形识别#柔性软风管#测量统计#