**摘 要:**随着光储一体化浪潮的席卷,光储一体机这一基于直流耦合技术的创新解决方案,正迅速成为市场新宠。它高效、灵活、安装简便,广泛适用于多种能源场景,仅需一次转换即可实现光伏对电池的快速充电,大幅提升系统效率,显著降低能量损耗。高度集成的一体化设计,不仅节约了硬件成本,简化了安装流程,更实现了对能源的精准调控与快速响应,完美匹配市场对可靠性、便捷性的双重需求,已成为众多新建项目的首选方案。本文将结合行业背景、领先技术方案及典型产品配置,提供光储一体机能源管理解决方案,携手共创能源新时代。
**关键词:**光储一体机、直流耦合、并离网切换、能量管理
1、概述
在全球能源转型与用电需求持续增长的当下,离网及弱网地区频繁停电、电压不稳等问题,严重制约当地经济发展与民生改善。光储一体机因安全可靠、安装便捷等优势脱颖而出,成为破解供电困局的理想选择。但有如下问题:
(1)监控不充分:没有充分挖掘电池特性进行针对性的状态监测,导致监测内容不充分;同时对光伏发电缺乏有效监测。
(2)运行模式单一:并网运行时储能未能根据电价、负荷需求,智能选择最优运行策略(如峰谷套利、需量控制、动态扩容、防逆流等),系统运行经济性未能最大化。
(3)远程监控与运维滞后:监控数据缺乏统筹管理,没有形成运行数据的全过程、系统性规划与管控,使得分析不全面,运维检修缺乏大数据支撑。
(4)缺乏有效协同:在具有并离网切换需求时,缺乏整体协调能力,同时无法实现PCS、光伏和储能三者的精细化功率分配和最优协同,导致系统整体效率低下。
(5)保护机制不完善:光储直流耦合接入,BMS过流、SOC过充、通讯失联等关键安全状态的识别与保护措施不健全,存在安全运行隐患。
2、项目情况
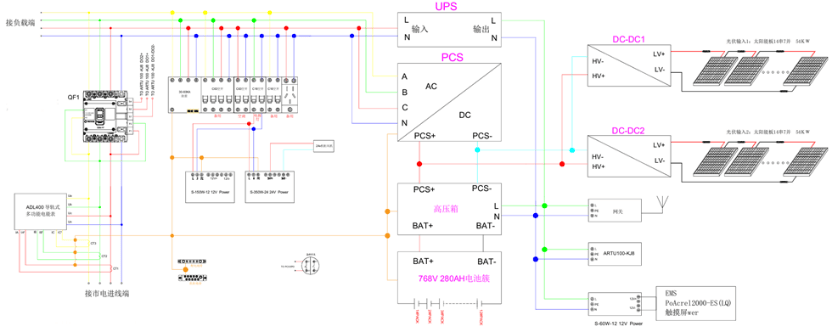
本光储一体机采用直流耦合结构:光伏经由DC/DC变换器接入直流母线,储能系统通过高压箱同样接入直流母线,直流侧通过PCS(变流器)接入交流母线,市电则经断路器接入系统,系统原理图如图1所示。项目需求配套一套能量管理系统(EMS),负责光储系统的能量管理与协调控制,同时集成柜内消防、水浸、空调等设备的监控,同时实现动环控制。
系统控制策略为支持并离网切换控制,并网模式:负载用电优先级为光伏 > 市电 > 储能。储能主要作为离网备用电源,在完成备电后,光伏电力优先通过PCS供给负载,系统具备防逆流功能,最大限度提升光伏自发自用率,减少弃光。离网模式:负载用电优先级为光伏 > 储能。通过光储协调控制,实现不间断供电,保障工厂连续稳定生产。

图1光储一体机系统原理图

图2 光储一体机实物图
3、解决方案
为了实现客户需求,柜体内配置Acrel-2000ES储能能量管理系统,该系统具有完善的储能监控与管理功能,涵盖了储能系统设备(PCS、BMS、电表、消防、空调等)的详细信息,实现了数据采集、数据处理、数据存储、数据查询与分析、可视化监控、报警管理、统计报表等功能。在高级应用上支持能量调度,具备计划曲线、削峰填谷、需量控制、备用电源等控制功能。系统对电池组性能进行实时监测及历史数据分析、根据分析结果采用智能化的分配策略对电池组进行充放电控制,优化了电池性能,提高电池寿命。同时,采用我司ARTU-100产品进行遥控遥信拓展,采用通讯管理机ANet-2E4SM实现数据上传云平台,便于运营商在云平台进行多站点的管理和查看。 安科瑞郭海棚+19821380729

安科瑞郭海棚+19821380729
图3安科瑞光储一体机解决方案

4、方案效果
该光储一体机主要应用于非洲等用电可靠性较差的地区,主要控制策略逻辑如下: 安科瑞郭海棚+19821380729

项目主机界面如图6所示,通过储能能量管理系统对所有一体机进行统一的监视和管理,自动完成光储系统控制。
在监测到市电正常时,系统能通过控制断路器快速闭合与电网的连接,光储一体机能够正常完成离网备电,储能SOC始终保持90%以上。同时在SOC较高(如>80%)或电压接近上限时,控制系统不再进行大功率充电,可根据SOC情况分阶段进行涓流充电。同时在并网备电时,逐步增大光伏功率限制,直至光伏以最大发电功率发电,防止光伏发电功率不可预测带来的充电过流。在备电完成后,光伏发电通过PCS输出供给负载使用,同时保证防逆流。
在检测到市电断电时,系统能通过控制断路器快速切断与电网的连接,将PCS转为离网模式运行,同时根据SOC情况合理控制光伏出力,并在SOC过低时进行保护,避免储能过放,保证供电的连续性和可靠性,提高工厂生产效率,提升经济效益。

图5 项目现场图

图6 PCS监测主界面

图7 BMS监测主界面

图8 储能能量管理系统主界面图
5、结语
光储一体机配置储能能量管理系统(EMS),可高效利用当地丰富的太阳能资源,构建绿色、低碳的清洁能源供电体系,有效助力碳减排目标的实现。系统能够根据电网状态智能切换并网与离网运行模式,大幅提升用电可靠性,尤其适用于电网不稳定或覆盖薄弱的区域。此外,通过光伏、储能与市电的多能源互补与智慧协同控制,该系统可显著优化能源结构,实现电力的高效与经济利用,有效降低用电成本,提升系统整体运行效益。
在海外市场,光储一体机正成为新建能源项目的优选方案,备受行业关注。安科瑞凭借领先的技术能力与丰富的能源解决方案经验,与多家储能核心厂商开展深度合作,致力于为客户提供高可靠性、智能化的能量管理系统。