二极管中点钳位型三电平整流器(NPC型整流器)MATLAB/Simulink仿真 电压电流双闭环控制
最近在实验室折腾三电平拓扑,发现NPC整流器的双闭环控制真是个有意思的活。这玩意儿用MATLAB/Simulink仿真起来,参数调试过程就像开盲盒------每次运行都充满惊喜(或者惊吓)。今天就跟大伙儿唠唠我的踩坑实录。
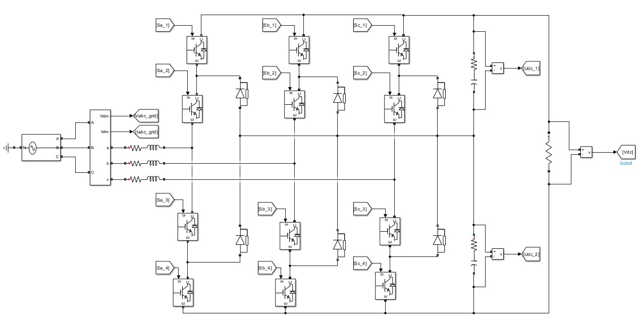
先看主电路结构,三个桥臂每个都带两个钳位二极管,中间那个直流母线电容分压点简直就是系统稳定的命门。搭建模型时要注意Simulink里Power System库的Three-Level Bridge模块,记得把开关器件类型改成Diode,不然仿真结果能给你表演个直流电压过山车。
控制部分的核心是这俩闭环兄弟:
matlab
% 电压外环PI参数
Kp_voltage = 0.8;
Ki_voltage = 50;
% 电流内环PI参数
Kp_current = 1.2;
Ki_current = 300;
这里有个骚操作:电流环带宽得比电压环高5-10倍。之前我手抖把Ki_current设成30,结果网侧电流波形直接变成抽象派艺术画,THD飙到15%都不带喘气的。
坐标变换是躲不开的坑,abc转dq的模块接线顺序千万别搞反。有次我把q轴和d轴接反了,系统居然还能正常运行,就是功率因数突然变成-0.95,吓得我差点把咖啡泼键盘上。
PWM生成部分建议用载波比较法,比空间矢量调制省事多了。不过要注意载波相位得错开120度,否则中点电位波动能让你见识到±20V的刺激振幅。这里贴个关键配置代码:
matlab
carrierPhase = [0, 2*pi/3, 4*pi/3]; % 三相载波相位差
pwmFrequency = 5e3; % 建议别超过10kHz,仿真速度会哭
调试时发现个有趣现象:当直流侧负载突变时,电压环的输出会突然"打嗝"。这时候在电流环前加个rate limiter模块,限制d轴电流变化率在200A/s以内,系统立马老实得像只鹌鹑。
最后看仿真结果,直流电压稳稳卡在700V(纹波小于3%),网侧电流THD控制在2.8%左右。不过中点电位还是有点小脾气,时不时上下波动个十几伏。后来在电容并联端加了个动态均压电阻,这个问题才勉强按住。
总结几个血泪教训:
- 先调电流环再动电压环,顺序反了会怀疑人生
- 锁相环响应速度要比电流环慢半个拍子
- 遇到震荡别急着改参数,先检查坐标变换矩阵
- 示波器别光盯着电压看,中点电流才是隐藏BOSS
仿真文件传GitHub了(地址马赛克处理),欢迎各位道友前来互相伤害。下次准备折腾T型三电平,据说那玩意儿的损耗分布更魔幻...
