详细报错:Unable to log root Outport block 'CAN_Pack/Out1' because this signal is of type 'CAN_MESSAGE'. Outport logging is not supported for user-defined types.
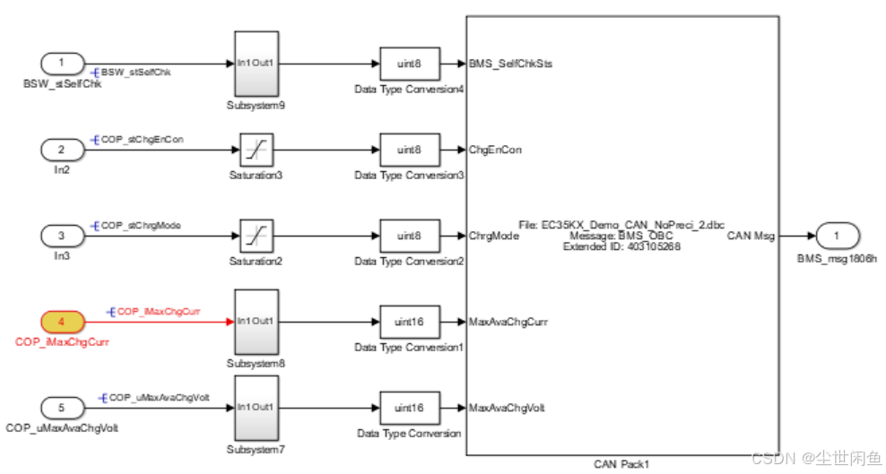
模型主要由In、Sum、Gain、Saturation、Data Type Conversion、Out等模块组成,输入有uint8、uint16两种。模型中其余模块的组成及输入和该模块相似,但没有报错。

经同事指点后,将模型移动到模板文件解决。推测可能是由于当前使用的是自己从空白开始创建的文件,没有设置波特率、总线时钟等环境参数,因此运行时出现错误。移动到模板后可以正常运行并生成代码。
参考:
SLDD文件的导出、导入:https://zhuanlan.zhihu.com/p/147370883