随着协作机器人、工业机器人以及仿生机械手的快速发展,机器人手指关节对位置检测与角度反馈的精度要求日益提升,作为关键核心部件之一,磁码盘在微型空间内实现高精度编码检测,正成为主流解决方案。
针对不同类型的机器人手指关节结构,卡瑞奇可提供多种尺寸的磁码盘方案,涵盖多种外径、内径及厚度组合。无论是紧凑型仿生手指,还是高扭矩工业机械手指关节,都能实现精准匹配。同时支持多极充磁设计,可根据编码精度需求定制极对数,提高角度分辨率与检测稳定性。
在材质方面,卡瑞奇提供多种磁性材料选择,以满足不同应用场景的性能需求,常用的有粘结钕铁硼磁码盘(磁性能高,适用于高精度、高分辨率应用)、注塑铁氧体磁码盘、橡胶磁码盘(柔性好)。
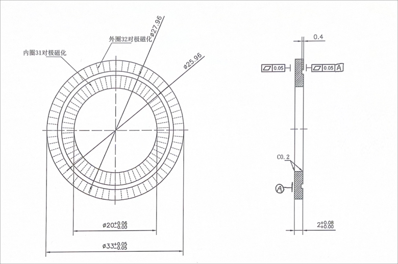
下图为外圈32对极内圈31对极的双轨码道磁环尺寸图纸

目前,已有一些客户已找到我们并拿样测试,如您对这类产品感兴趣欢迎找到我们,告诉所需的尺寸,磁极数量,磁性要求等。