在音频对录场景中,台湾鑫创SSS1700凭借高集成度、低功耗及优异的音频传输性能,成为音频对录线方案的核心选型芯片。
鑫创SSS1700作为高集成USB音频控制器芯片,内置片上振荡器,可省去外部12MHz晶体,大幅缩减PCB布局空间与BOM成本,是音频对录线方案的高性价比之选。芯片集成立体声ADC、DAC模块、耳机驱动及五频段硬件EQ,支持96KHz/24位高采样率,可实现高品质音频双向传输,同时兼容Windows、macOS、Linux多系统,无需额外安装驱动,大幅降低方案开发难度,适配各类音频对录场景需求。
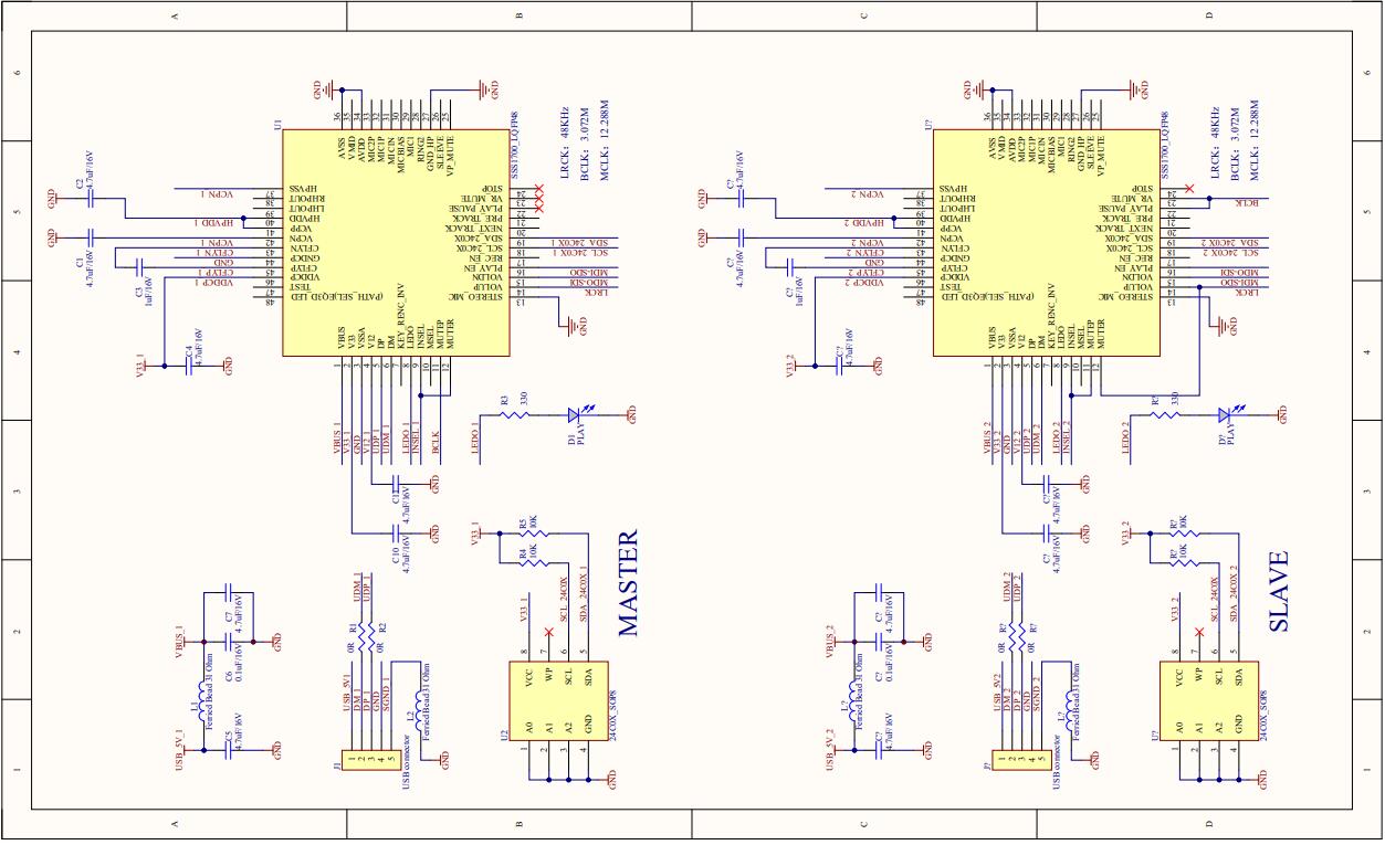
一、鑫创SSS1700对录线方案核心设计
SSS1700对录线方案的核心的是实现USB与I2S接口的双向音频对录,彻底解决传统对录线底噪大、兼容性差、传输不稳定等行业痛点,可广泛应用于手机、电脑、播放器等设备的音频对录场景。

参考上图核心设计要点如下:
-
接口配置:依托SSS1700的I2S数字音频传输功能,搭配24C0X系列EEPROM可灵活配置采样率、声道模式,满足不同对录场景的个性化需求,实现设备间音频数据的稳定读写与传输。
-
电源设计:电源端采用磁珠隔离+去耦电容滤波方案,并联0.1μF与10μF电容,从源头减少电源干扰,有效降低音频底噪,保障对录音质纯净,这也是对录线方案稳定运行的关键。
二、鑫创SSS1700音频对录线方案拓展
针对不同对录场景,SSS1700音频对录线方案可灵活拓展:对于简单对录需求,可简化外围电路,仅保留核心滤波、接地配置,降低生产成本;对于高品质对录需求,可通过五频段硬件EQ优化音频音质,提升声音还原度。
同时,方案可适配多设备联动对录,例如手机通过USB接口将音频数据传输给SSS1700,MCU通过I2S接口读取芯片中的音频数据实现录音,或MCU通过I2S接口向芯片写入音频内容实现放音,适配更多复杂对录场景。
三、鑫创SSS1700对录线方案设计注意事项
- PCB布局需分离信号线与电源线,避免相互干扰,影响对录音质;2. EEPROM参数需按需调整,确保芯片正常识别,保障对录功能稳定;3. 电源滤波电容需贴近芯片电源引脚,提升滤波效果,进一步降低底噪;4. 焊接过程中注重芯片引脚焊接质量,避免虚焊导致的音频对录异常。
综上,鑫创SSS1700凭借高集成度、高性价比及灵活的适配性,是对录线、音频对录线方案的优选芯片,无需复杂设计即可实现稳定、高品质的音频对录。欢迎各位开发者留言交流方案调试技巧,共同优化产品落地效果。