目录
[一 传导发射CE](#一 传导发射CE)
[1.1 传导发射测试的LISN和AMN](#1.1 传导发射测试的LISN和AMN)
[1.2 传导发射的噪声源](#1.2 传导发射的噪声源)
[1.3 传导发射的路径](#1.3 传导发射的路径)
[1.4 降低差模噪声](#1.4 降低差模噪声)
[1.5 降低共模噪声](#1.5 降低共模噪声)
[1.6 铁氧体夹](#1.6 铁氧体夹)
[二 辐射发射RE](#二 辐射发射RE)
[2.1 常用测试标准和测试方法](#2.1 常用测试标准和测试方法)
[2.2 辐射发射的源](#2.2 辐射发射的源)
目前的电磁兼容测试认证主要包括了以下几个大类: 传导发射CE、 传导抗扰 CS、 辐射发射RE和辐射抗扰RS,构成EMC问题的三大要素有干扰源(噪声源),耦合路径,受扰对象。

一 传导发射CE
1.1 传导发射测试的 LISN 和AMN
CISPR25中的规定LISN网络参数如下,1uF和5uH做电源滤波,0.1uF隔直通交,容值大小的选择是根据传导发射CE的测量范围为150k~30M时,电容相当于短路,1k电阻的作用是给0.1u电容提供放电回路。

图:CISPR25的Artificial networks

图:Zpb端口的阻抗变化
仿真LISN的阻抗变化如下图所示:

图:ADS仿真LISN的阻抗
1.2 传导发射的噪声源
差模噪声的来源一般是变化的电流di/dt在流过滤波电容的内阻时产生,频率一般都比较低,大约在1M以内。
共模噪声来源于快速变化的电压du/dt,传输的路径可以通过电容的耦合。频率的范围从几百k到30M。

在开关电源的mos开关过程会有di/dt和du/dt,以下图中的反激为例,du/dt最大的地方就是mos的漏极,di/dt主要是mos开启充电回路和电感充放电回路,

图:反激电路中的di/dt与du/dt
1.3 传导发射的路径
差模发射:主要是差模路径的对外辐射,辐射路径由可见的信号线构成。
辐射电磁场强度:E=263*10^-16*f^2*A*I / r (V/m)
f:电流的频率
A:电流的环路面积
I:电流的大小
r:测试点到电流环路的距离
共模发射:主要是共模路径的对外辐射,由寄生参数构成的发射路径。
辐射电磁场强度:E=12.6*10^-7*f*I*L / r (V/m)
f:电流的频率 (MHz)
I:电流的大小(mA)
L:线缆的长度(m)
r:测试点到电流环路的距离(m)

图:差模噪声与共模噪声
1.4 降低差模噪声
分布在几M以下的差模噪声一般是由电源的功率开关电路的变化电流返回到电源输入线,可以通过增加LC滤波或者pi型滤波。

图:差模发射
1.5 降低共模噪声
1> 共模电感
当共模电流流过共模电感时,磁环中的磁通是叠加加强的,差模电流流过时,磁磁通的方向是抵消的,也就是说共模电感对共模噪声时电感很大,对差模信号来说,电感很小,不起作用。

图:共模电感的磁通加强与抵消
2>Y 电容:
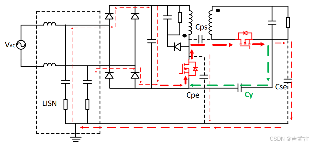
在下图的反激QR电路中,寄生电容Cps和Cse都远大于Cpe,在mos的漏极高du/dt噪声会通过变压器电容Cps耦合到次级,通过增加Y电容,可以为共模噪声提供一个低阻抗的回流路径,减小共模噪声的影响。

图:反激QR电路增加Y电容的共模噪声流向图
3> 变压器绕组的磁屏蔽:
在初级次级增加一个磁屏蔽绕组给共模电流提供一个低阻抗回路,磁屏蔽绕组的铜箔一端悬空,另外一端参考地,铜箔的首末不能短接。

图:磁屏蔽绕组
1.6 铁氧体夹
解决CE问题常用的铁氧体夹是软磁材料还是硬磁材料?

图:软磁与硬磁材料的磁滞回线
磁滞损耗 Ph=f⋅∮H dB
f:交变磁场频率
∮HdB:B-H 回线包围的面积(J/m³)
那么理论上硬磁材料的包围面积更大,磁滞损耗也是更大,那么铁氧体夹是不是就用硬磁材料了?

硬磁一旦被磁化就锁住磁畴,交变干扰场下几乎不翻转,B-H 回线面积近似为零,也基本没有损耗,也就吸不掉高频能量。软磁材料磁畴随外场快速翻转,回线面积越大,涡流和磁滞损耗越大,才能把 EMI 转化为热。所以解决EMI问题的铁氧体夹还是用磁导率高的软磁材料。
二 辐射发射RE
2.1 常用测试标准和测试方法
测试标准:CISPR32 / EN55032 / GB/T 9254.1-2021
适用范围:信息技术设备(ITE)、多媒体设备(MME)
限值:30--230 MHz ≤ 30 dBµV/m;230--1000 MHz ≤ 37 dBµV/m
测试标准:CISPR11 / EN55011
适用范围:工业、科学、医疗(ISM)射频设备
测试标准:CISPR13 / EN55013
适用范围:广播接收机及音视频设备
测试标准:CISPR25
适用范围:汽车电子
CISPR32测试示意图:
下图为实验室的辐射发射测试设置,EUT放在一个360°旋转的测试台上,距离接收天线3m或者10m。天线在不同高度(1m至4m)接收EUT产生的EMI噪声信号,再从频谱分析仪上得出30MHz至1GHz频率范围内的EMI准峰值图。

2.2 辐射发射的源
参考资料:
innoGaN 电源EMC设计指导
Infineon 优化基于 CoolMOS™ CE 的电源,以满足 EMI 要求
TI模拟设计期刊 使用低边和高边整流器实现低 EMI 的变压器结构