STM32配置读取激光测距传感器VL6180X距离数据
VL6180X是ST公司出品的一款近距离激光测距传感器,VL6180X采用850nm垂直腔面发射激光器(Vertical-Cavity Surface-Emitting Laser,简称VCSEL)发射出激光,激光碰到障碍物后反射回来被VL6180X接收到,测量激光在空气中的传播时间,进而得到距离。
VL6180X的比较准确测试范围为0mm~100mm。可以和VL53L0X互补实现近远距离覆盖的测试。市面上已有模块:

里介绍通过STM32芯片进行连接和测距数据读取的实现。
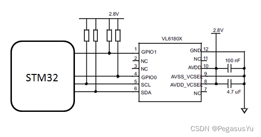
电路连接
STM32采用Open-drain方式和VL6180X的连接如下所示,注意VL6180X本身是2.8V供电要求的芯片:


除了用于I2C通讯的SCL, SDA外,主要有GPIO0和GPIO1两个管脚,GPIO0用做芯片使能,高电平有效,GPIO1目前是作为中断输出给STM32, 作为距离测试结果可读取的指示,另外,如果不用GPIO1,则可以直接通过I2C总线读取内部寄存器信息,获得一致的指示信息。
操作模式
VL6180X有作为环境光检测传感器和接近检测传感器两种功能。在配置好I2C管脚和握手协议函数后,要进行一些内部寄存器初始化,ST提供了初始化参考代码。
这里以STM32G030F6P6(32K Flash)和STM32CUBEIDE开发环境为例,实现VL6180X的访问控制,采用非中断判断数据可读方式,通过寄存器读取数据有效状态。
STM32CUBEIDE工程配置
首先建立基本工程并配置时钟系统:

普通UART和模拟I2C, 采用内部时钟即可:

然后例化UART2作为通讯口:


这里选择PA0输出片选低有效给VL6180X的GPIO0, VL6180X的GPIO1连接到STM32的PA1管脚(但不用)。PA11作为SLK, PA12作为SDA:

然后保存代码并生成基本工程代码:

STM32工程代码
I2C模拟时序用到的微秒延时函数,参考: STM32 HAL us delay(微秒延时)的指令延时实现方式及优化
STM32串口打印的实现,参考: STM32 UART串口printf函数应用及浮点打印代码空间节省 (HAL)
采用减少代码编译size的方式,参考: STM32 region `FLASH' overflowed by xxx bytes 问题解决
代码逻辑采用简化实现,上电或重启后,STM32对VL6180X进行初始化,如果失败,则打印输出报错信息,如果成功,则循环进行距离检测和打印输出。
完整的main.c代码:
csharp
/* USER CODE BEGIN Header */
/**
******************************************************************************
* @file : main.c
* @brief : Main program body
******************************************************************************
* @attention
*
* Copyright (c) 2022 STMicroelectronics.
* All rights reserved.
*
* This software is licensed under terms that can be found in the LICENSE file
* in the root directory of this software component.
* If no LICENSE file comes with this software, it is provided AS-IS.
*
******************************************************************************
*/
/* USER CODE END Header */
/* Includes ------------------------------------------------------------------*/
#include "main.h"
/* Private includes ----------------------------------------------------------*/
/* USER CODE BEGIN Includes */
#include "usart.h"
/* USER CODE END Includes */
/* Private typedef -----------------------------------------------------------*/
/* USER CODE BEGIN PTD */
//us delay functions
__IO float usDelayBase;
void PY_usDelayTest(void)
{
__IO uint32_t firstms, secondms;
__IO uint32_t counter = 0;
firstms = HAL_GetTick()+1;
secondms = firstms+1;
while(uwTick!=firstms) ;
while(uwTick!=secondms) counter++;
usDelayBase = ((float)counter)/1000;
}
void PY_Delay_us_t(uint32_t Delay)
{
__IO uint32_t delayReg;
__IO uint32_t usNum = (uint32_t)(Delay*usDelayBase);
delayReg = 0;
while(delayReg!=usNum) delayReg++;
}
void PY_usDelayOptimize(void)
{
__IO uint32_t firstms, secondms;
__IO float coe = 1.0;
firstms = HAL_GetTick();
PY_Delay_us_t(1000000) ;
secondms = HAL_GetTick();
coe = ((float)1000)/(secondms-firstms);
usDelayBase = coe*usDelayBase;
}
void PY_Delay_us(uint32_t Delay)
{
__IO uint32_t delayReg;
__IO uint32_t msNum = Delay/1000;
__IO uint32_t usNum = (uint32_t)((Delay%1000)*usDelayBase);
if(msNum>0) HAL_Delay(msNum);
delayReg = 0;
while(delayReg!=usNum) delayReg++;
}
/* USER CODE END PTD */
/* Private define ------------------------------------------------------------*/
/* USER CODE BEGIN PD */
//VL6180X I2C access protocol
#define us_num 10
#define SCL_OUT_H HAL_GPIO_WritePin(GPIOA, GPIO_PIN_11, GPIO_PIN_SET)
#define SCL_OUT_L HAL_GPIO_WritePin(GPIOA, GPIO_PIN_11, GPIO_PIN_RESET)
#define SDA_OUT_H HAL_GPIO_WritePin(GPIOA, GPIO_PIN_12, GPIO_PIN_SET)
#define SDA_OUT_L HAL_GPIO_WritePin(GPIOA, GPIO_PIN_12, GPIO_PIN_RESET)
#define SDA_IN HAL_GPIO_ReadPin(GPIOA, GPIO_PIN_12)
/*
* The VL6180X device can operate in 2 different modes:
* Single-shot measurement or Continuous measurement for both ranging and ALS.
* The Vl6180X API enables 3 different typical operating range modes: Polling, interrupt or asynchronous.
* And 3 different ALS modes: Polling, interrupt and interleaved.
*/
void I2C_Init(void)
{
SCL_OUT_H;
SDA_OUT_H;
PY_Delay_us_t(400) ; //400 us delay
PY_Delay_us_t(1000000) ; //1ms delay
}
void I2C_Start(void)
{
PY_Delay_us_t(us_num) ;
SDA_OUT_H;
SCL_OUT_H;
PY_Delay_us_t(us_num/2) ;
SDA_OUT_L;
PY_Delay_us_t(us_num/2) ;
SCL_OUT_L;
}
void I2C_Stop(void)
{
SCL_OUT_L;
PY_Delay_us_t(us_num) ;
SDA_OUT_L;
PY_Delay_us_t(us_num) ;
SCL_OUT_H;
PY_Delay_us_t(us_num) ;
SDA_OUT_H;
PY_Delay_us_t(us_num) ;
}
void I2C_Write_Ack(void)
{
PY_Delay_us_t(us_num/2) ;
SDA_OUT_L;
PY_Delay_us_t(us_num/2) ;
SCL_OUT_H;
PY_Delay_us_t(us_num) ;
SCL_OUT_L;
SDA_OUT_H;
}
uint8_t I2C_Read_Ack(void)
{
uint8_t status=0;
SCL_OUT_L;
PY_Delay_us_t(us_num/2) ;
SDA_OUT_H;
PY_Delay_us_t(us_num/2) ;
status = SDA_IN;
SCL_OUT_H;
PY_Delay_us_t(us_num) ;
SCL_OUT_L;
SDA_OUT_L;
return status;
}
void I2C_Send_Byte(uint8_t txd){
for(uint8_t i=0;i<8;i++)
{
PY_Delay_us_t(us_num/2) ;
if((txd&0x80)>>7) SDA_OUT_H;
else SDA_OUT_L;
txd<<=1;
PY_Delay_us_t(us_num/2) ;
SCL_OUT_H;
PY_Delay_us_t(us_num) ;
SCL_OUT_L;
}
SDA_OUT_L;
}
uint8_t I2C_Read_Byte(unsigned char rdack)
{
uint8_t rxd=0;
for(uint8_t i=0;i<8;i++ )
{
SCL_OUT_L;
PY_Delay_us_t(us_num/2) ;
SDA_OUT_H;
PY_Delay_us_t(us_num/2) ;
SCL_OUT_H;
rxd<<=1;
if(SDA_IN) rxd++;
PY_Delay_us_t(us_num) ;
}
SCL_OUT_L;
SDA_OUT_H;
if (rdack) I2C_Write_Ack();
return rxd;
}
void VL6180X_WRITE_1Byte(uint16_t WrAddr, uint8_t data)
{
uint8_t daddr = 0x52; //VL6180X device address (0x29<<1)
I2C_Start();
I2C_Send_Byte(daddr);
I2C_Read_Ack();
I2C_Send_Byte(WrAddr>>8);
I2C_Read_Ack();
I2C_Send_Byte(WrAddr);
I2C_Read_Ack();
I2C_Send_Byte(data);
I2C_Read_Ack();
I2C_Stop();
}
uint8_t VL6180X_READ_1Byte(uint16_t RdAddr)
{
uint8_t RegValue = 0;
uint8_t daddr = 0x52; //VL6180X device address (0x29<<1)
I2C_Start();
I2C_Send_Byte(daddr);
I2C_Read_Ack();
I2C_Send_Byte(RdAddr>>8);
I2C_Read_Ack();
I2C_Send_Byte(RdAddr);
I2C_Read_Ack();
I2C_Start();
I2C_Send_Byte(daddr+1);
I2C_Read_Ack();
RegValue=I2C_Read_Byte(0);
I2C_Stop();
return RegValue;
}
uint16_t VL6180X_READ_2Byte(uint16_t RdAddr)
{
uint8_t RegValueH = 0, RegValueL = 0;
uint8_t daddr = 0x52; //VL6180X device address (0x29<<1)
I2C_Start();
I2C_Send_Byte(daddr);
I2C_Read_Ack();
I2C_Send_Byte(RdAddr>>8);
I2C_Read_Ack();
I2C_Send_Byte(RdAddr);
I2C_Read_Ack();
I2C_Start();
I2C_Send_Byte(daddr+1);
I2C_Read_Ack();
RegValueL=I2C_Read_Byte(1);
RegValueH=I2C_Read_Byte(0);
I2C_Stop();
return (((uint16_t)RegValueH)<<8)|RegValueL;
}
/* USER CODE END PD */
/* Private macro -------------------------------------------------------------*/
/* USER CODE BEGIN PM */
uint8_t VL6180X_Read_ID(void)
{
return VL6180X_READ_1Byte(VL6180X_REG_IDENTIFICATION_MODEL_ID);
}
uint8_t VL6180X_Init(void)
{
if(VL6180X_Read_ID() == VL6180X_DEFAULT_ID)
{
//coming from <an4545-vl6180x-basic-ranging-application-note-stmicroelectronics>
VL6180X_WRITE_1Byte(0x0207, 0x01);
VL6180X_WRITE_1Byte(0x0208, 0x01);
VL6180X_WRITE_1Byte(0x0096, 0x00);
VL6180X_WRITE_1Byte(0x0097, 0xfd);
VL6180X_WRITE_1Byte(0x00e3, 0x00);
VL6180X_WRITE_1Byte(0x00e4, 0x04);
VL6180X_WRITE_1Byte(0x00e5, 0x02);
VL6180X_WRITE_1Byte(0x00e6, 0x01);
VL6180X_WRITE_1Byte(0x00e7, 0x03);
VL6180X_WRITE_1Byte(0x00f5, 0x02);
VL6180X_WRITE_1Byte(0x00d9, 0x05);
VL6180X_WRITE_1Byte(0x00db, 0xce);
VL6180X_WRITE_1Byte(0x00dc, 0x03);
VL6180X_WRITE_1Byte(0x00dd, 0xf8);
VL6180X_WRITE_1Byte(0x009f, 0x00);
VL6180X_WRITE_1Byte(0x00a3, 0x3c);
VL6180X_WRITE_1Byte(0x00b7, 0x00);
VL6180X_WRITE_1Byte(0x00bb, 0x3c);
VL6180X_WRITE_1Byte(0x00b2, 0x09);
VL6180X_WRITE_1Byte(0x00ca, 0x09);
VL6180X_WRITE_1Byte(0x0198, 0x01);
VL6180X_WRITE_1Byte(0x01b0, 0x17);
VL6180X_WRITE_1Byte(0x01ad, 0x00);
VL6180X_WRITE_1Byte(0x00ff, 0x05);
VL6180X_WRITE_1Byte(0x0100, 0x05);
VL6180X_WRITE_1Byte(0x0199, 0x05);
VL6180X_WRITE_1Byte(0x01a6, 0x1b);
VL6180X_WRITE_1Byte(0x01ac, 0x3e);
VL6180X_WRITE_1Byte(0x01a7, 0x1f);
VL6180X_WRITE_1Byte(0x0030, 0x00);
// Recommended : Public registers - See data sheet for more detail
VL6180X_WRITE_1Byte(0x0011, 0x10); // Enables polling for 'New Sample ready' when measurement completes
VL6180X_WRITE_1Byte(0x010a, 0x30); // Set the averaging sample period (compromise between lower noise and increased execution time)
// Adjusted from 0 to 255. Increasing the sampling period decreases noise but also reduces the effective max convergence time and increases power consumption
VL6180X_WRITE_1Byte(0x003f, 0x46); // Sets the light and dark gain (upper nibble). Dark gain should not be changed. So to keep high half-byte as 0x4*.
// It's for ALS analogue gain.
VL6180X_WRITE_1Byte(0x0031, 0xFF); // sets the # of range measurements after which auto calibration of system is performed
VL6180X_WRITE_1Byte(0x0040, 0x63); // Set ALS integration time to 100ms
VL6180X_WRITE_1Byte(0x002e, 0x01); // perform a single temperature calibration of the ranging sensor
// Optional: Public registers - See data sheet for more detail
VL6180X_WRITE_1Byte(0x001b, 0x09); //Set default ranging inter-measurement period to 100ms. Time delay between measurements in Ranging continuous mode. Range 0-254 (0 = 10ms). Step size = 10ms.
VL6180X_WRITE_1Byte(0x003e, 0x31); //Set default ALS inter-measurement period to 500ms. Time delay between measurements in ALS continuous mode. Range 0-254 (0 = 10ms). Step size = 10ms.
VL6180X_WRITE_1Byte(0x0014, 0x24); //Configures interrupt on 'New Sample Ready threshold event'
return 0;
}
else return 1;
}
//unit: mm
uint8_t VL6180X_Read_Range(void)
{
uint8_t range = 0;
//Read status
while(!(VL6180X_READ_1Byte(VL6180X_REG_RESULT_RANGE_STATUS) & 0x01));
VL6180X_WRITE_1Byte(VL6180X_REG_SYSRANGE_START,0x01); //Single trigger mode
//New Sample Ready threshold event)
while(!(VL6180X_READ_1Byte(VL6180X_REG_RESULT_INTERRUPT_STATUS_GPIO) & 0x04));
range = VL6180X_READ_1Byte(VL6180X_REG_RESULT_RANGE_VAL);
//Clear int
VL6180X_WRITE_1Byte(VL6180X_REG_SYSTEM_INTERRUPT_CLEAR,0x07); //0111b clear int flags
return range;
}
//Read ALS
float VL6180X_Read_Lux(uint8_t Gain)
{
float lux;
uint8_t reg;
reg = VL6180X_READ_1Byte(VL6180X_REG_SYSTEM_INTERRUPT_CONFIG);
reg &= ~0x38;
reg |= (0x4<<3);
VL6180X_WRITE_1Byte(VL6180X_REG_SYSALS_INTEGRATION_PERIOD_HI,0);
VL6180X_WRITE_1Byte(VL6180X_REG_SYSALS_INTEGRATION_PERIOD_LO,100); //101ms
if (Gain > VL6180X_ALS_GAIN_40)
{
Gain = VL6180X_ALS_GAIN_40;
}
VL6180X_WRITE_1Byte(VL6180X_REG_SYSALS_ANALOGUE_GAIN, 0x40 | Gain);
VL6180X_WRITE_1Byte(VL6180X_REG_SYSALS_START, 0x1);
// New Sample Ready threshold event
while (4 != ((VL6180X_READ_1Byte(VL6180X_REG_RESULT_INTERRUPT_STATUS_GPIO) >> 3) & 0x7));
lux = VL6180X_READ_2Byte(VL6180X_REG_RESULT_ALS_VAL);
VL6180X_WRITE_1Byte(VL6180X_REG_SYSTEM_INTERRUPT_CLEAR,0x07);
lux *= 0.32f; // calibrated count/lux
switch(Gain) {
case VL6180X_ALS_GAIN_1:
break;
case VL6180X_ALS_GAIN_1_25:
lux /= 1.25f;
break;
case VL6180X_ALS_GAIN_1_67:
lux /= 1.76f;
break;
case VL6180X_ALS_GAIN_2_5:
lux /= 2.5f;
break;
case VL6180X_ALS_GAIN_5:
lux /= 5;
break;
case VL6180X_ALS_GAIN_10:
lux /= 10;
break;
case VL6180X_ALS_GAIN_20:
lux /= 20;
break;
case VL6180X_ALS_GAIN_40:
lux /= 20;
break;
}
lux *= 100;
lux /= 100; // integration time in ms
return lux;
}
/* USER CODE END PM */
/* Private variables ---------------------------------------------------------*/
UART_HandleTypeDef huart2;
/* USER CODE BEGIN PV */
/* USER CODE END PV */
/* Private function prototypes -----------------------------------------------*/
void SystemClock_Config(void);
static void MX_GPIO_Init(void);
static void MX_USART2_UART_Init(void);
/* USER CODE BEGIN PFP */
/* USER CODE END PFP */
/* Private user code ---------------------------------------------------------*/
/* USER CODE BEGIN 0 */
uint8_t data[16];
/* USER CODE END 0 */
/**
* @brief The application entry point.
* @retval int
*/
int main(void)
{
/* USER CODE BEGIN 1 */
uint8_t ex_range = 0;
/* USER CODE END 1 */
/* MCU Configuration--------------------------------------------------------*/
/* Reset of all peripherals, Initializes the Flash interface and the Systick. */
HAL_Init();
/* USER CODE BEGIN Init */
/* USER CODE END Init */
/* Configure the system clock */
SystemClock_Config();
/* USER CODE BEGIN SysInit */
/* USER CODE END SysInit */
/* Initialize all configured peripherals */
MX_GPIO_Init();
MX_USART2_UART_Init();
/* USER CODE BEGIN 2 */
PY_usDelayTest();
PY_usDelayOptimize();
if(VL6180X_Init() == 1)
{
while(1)
{
printf("\r\nVL6180X initialization fails!\r\n");
PY_Delay_us_t(2000000);
}
}
PY_Delay_us_t(2000000);
/* USER CODE END 2 */
/* Infinite loop */
/* USER CODE BEGIN WHILE */
while (1)
{
ex_range = VL6180X_Read_Range();
printf("\r\n Current Range:%d mm",ex_range);
/* USER CODE END WHILE */
/* USER CODE BEGIN 3 */
}
/* USER CODE END 3 */
}
/**
* @brief System Clock Configuration
* @retval None
*/
void SystemClock_Config(void)
{
RCC_OscInitTypeDef RCC_OscInitStruct = {0};
RCC_ClkInitTypeDef RCC_ClkInitStruct = {0};
/** Configure the main internal regulator output voltage
*/
HAL_PWREx_ControlVoltageScaling(PWR_REGULATOR_VOLTAGE_SCALE1);
/** Initializes the RCC Oscillators according to the specified parameters
* in the RCC_OscInitTypeDef structure.
*/
RCC_OscInitStruct.OscillatorType = RCC_OSCILLATORTYPE_HSI;
RCC_OscInitStruct.HSIState = RCC_HSI_ON;
RCC_OscInitStruct.HSIDiv = RCC_HSI_DIV1;
RCC_OscInitStruct.HSICalibrationValue = RCC_HSICALIBRATION_DEFAULT;
RCC_OscInitStruct.PLL.PLLState = RCC_PLL_ON;
RCC_OscInitStruct.PLL.PLLSource = RCC_PLLSOURCE_HSI;
RCC_OscInitStruct.PLL.PLLM = RCC_PLLM_DIV1;
RCC_OscInitStruct.PLL.PLLN = 8;
RCC_OscInitStruct.PLL.PLLP = RCC_PLLP_DIV2;
RCC_OscInitStruct.PLL.PLLR = RCC_PLLR_DIV2;
if (HAL_RCC_OscConfig(&RCC_OscInitStruct) != HAL_OK)
{
Error_Handler();
}
/** Initializes the CPU, AHB and APB buses clocks
*/
RCC_ClkInitStruct.ClockType = RCC_CLOCKTYPE_HCLK|RCC_CLOCKTYPE_SYSCLK
|RCC_CLOCKTYPE_PCLK1;
RCC_ClkInitStruct.SYSCLKSource = RCC_SYSCLKSOURCE_PLLCLK;
RCC_ClkInitStruct.AHBCLKDivider = RCC_SYSCLK_DIV1;
RCC_ClkInitStruct.APB1CLKDivider = RCC_HCLK_DIV1;
if (HAL_RCC_ClockConfig(&RCC_ClkInitStruct, FLASH_LATENCY_2) != HAL_OK)
{
Error_Handler();
}
}
/**
* @brief USART2 Initialization Function
* @param None
* @retval None
*/
static void MX_USART2_UART_Init(void)
{
/* USER CODE BEGIN USART2_Init 0 */
/* USER CODE END USART2_Init 0 */
/* USER CODE BEGIN USART2_Init 1 */
/* USER CODE END USART2_Init 1 */
huart2.Instance = USART2;
huart2.Init.BaudRate = 115200;
huart2.Init.WordLength = UART_WORDLENGTH_8B;
huart2.Init.StopBits = UART_STOPBITS_1;
huart2.Init.Parity = UART_PARITY_NONE;
huart2.Init.Mode = UART_MODE_TX_RX;
huart2.Init.HwFlowCtl = UART_HWCONTROL_NONE;
huart2.Init.OverSampling = UART_OVERSAMPLING_16;
huart2.Init.OneBitSampling = UART_ONE_BIT_SAMPLE_DISABLE;
huart2.Init.ClockPrescaler = UART_PRESCALER_DIV1;
huart2.AdvancedInit.AdvFeatureInit = UART_ADVFEATURE_NO_INIT;
if (HAL_UART_Init(&huart2) != HAL_OK)
{
Error_Handler();
}
/* USER CODE BEGIN USART2_Init 2 */
/* USER CODE END USART2_Init 2 */
}
/**
* @brief GPIO Initialization Function
* @param None
* @retval None
*/
static void MX_GPIO_Init(void)
{
GPIO_InitTypeDef GPIO_InitStruct = {0};
/* GPIO Ports Clock Enable */
__HAL_RCC_GPIOA_CLK_ENABLE();
/*Configure GPIO pin Output Level */
HAL_GPIO_WritePin(GPIOA, GPIO_PIN_0, GPIO_PIN_RESET);
/*Configure GPIO pin Output Level */
HAL_GPIO_WritePin(GPIOA, GPIO_PIN_11|GPIO_PIN_12, GPIO_PIN_SET);
/*Configure GPIO pin : PA0 */
GPIO_InitStruct.Pin = GPIO_PIN_0;
GPIO_InitStruct.Mode = GPIO_MODE_OUTPUT_OD;
GPIO_InitStruct.Pull = GPIO_NOPULL;
GPIO_InitStruct.Speed = GPIO_SPEED_FREQ_LOW;
HAL_GPIO_Init(GPIOA, &GPIO_InitStruct);
/*Configure GPIO pin : PA1 */
GPIO_InitStruct.Pin = GPIO_PIN_1;
GPIO_InitStruct.Mode = GPIO_MODE_INPUT;
GPIO_InitStruct.Pull = GPIO_NOPULL;
HAL_GPIO_Init(GPIOA, &GPIO_InitStruct);
/*Configure GPIO pins : PA11 PA12 */
GPIO_InitStruct.Pin = GPIO_PIN_11|GPIO_PIN_12;
GPIO_InitStruct.Mode = GPIO_MODE_OUTPUT_OD;
GPIO_InitStruct.Pull = GPIO_NOPULL;
GPIO_InitStruct.Speed = GPIO_SPEED_FREQ_VERY_HIGH;
HAL_GPIO_Init(GPIOA, &GPIO_InitStruct);
}
/* USER CODE BEGIN 4 */
/* USER CODE END 4 */
/**
* @brief This function is executed in case of error occurrence.
* @retval None
*/
void Error_Handler(void)
{
/* USER CODE BEGIN Error_Handler_Debug */
/* User can add his own implementation to report the HAL error return state */
__disable_irq();
while (1)
{
}
/* USER CODE END Error_Handler_Debug */
}
#ifdef USE_FULL_ASSERT
/**
* @brief Reports the name of the source file and the source line number
* where the assert_param error has occurred.
* @param file: pointer to the source file name
* @param line: assert_param error line source number
* @retval None
*/
void assert_failed(uint8_t *file, uint32_t line)
{
/* USER CODE BEGIN 6 */
/* User can add his own implementation to report the file name and line number,
ex: printf("Wrong parameters value: file %s on line %d\r\n", file, line) */
/* USER CODE END 6 */
}
#endif /* USE_FULL_ASSERT */
测试输出
代码测试打印输出:

工程代码下载
STM32G030F6P6配置读取VL6180X完整工程下载
--End--