在户外电子、车载后装、工业控制等场景中,连接器需同时承载"高密度信号传输""严苛环境防护"与"长期插拔可靠性"三重需求。TENGJUN JN16-BPF004-A防水TYPE-C 16PIN连接器,以"16PIN高密度引脚+IPX7防水+沉板1.4mm超薄设计"为核心,叠加双壳结构、4脚插板定位与10000次插拔耐久性,在紧凑空间内实现了"防护"与"性能"的双重突破,成为多协议并发传输场景的优选连接方案。
一、核心参数解析:从型号到尺寸的场景适配逻辑
JN16-BPF004-A的参数设计并非单纯的规格堆砌,而是精准匹配"超薄设备+高密度连接"需求,每一项参数都对应明确的应用痛点解决方案。
- 型号与引脚:16PIN带来的多协议扩展能力
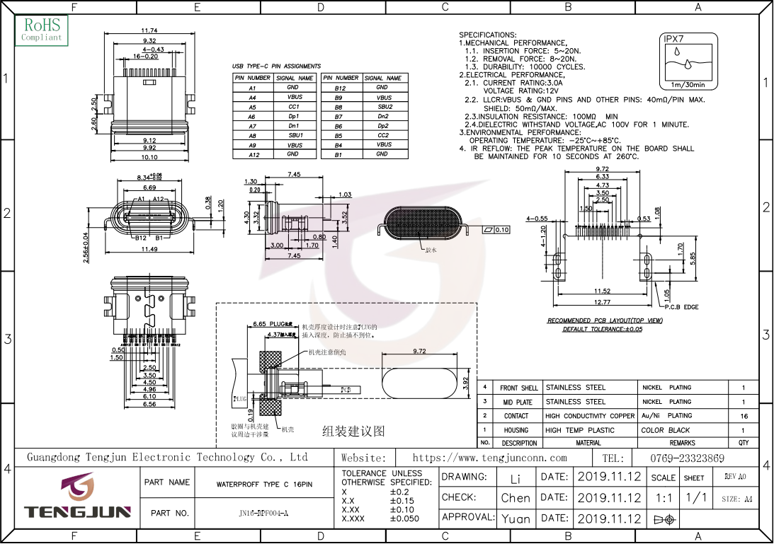
16PIN高密度配置:区别于常规Type-C的24PIN(全功能)与12PIN(简化版),16PIN设计在"功能覆盖"与"成本控制"间找到了平衡点------既保留Type-C的核心协议支持(如USB 3.2数据传输、PD快充),又可扩展2-4路额外信号引脚(如I2C、UART),适用于需"数据+供电+控制信号"一体化传输的设备,例如户外智能传感器(需传输检测数据、接收供电、反馈控制指令)。
引脚分配灵活性:16PIN引脚支持自定义配置,可根据设备需求分配为"10PIN数据+6PIN供电"或"8PIN数据+4PIN信号+4PIN供电",相较于固定引脚定义的连接器,能适配更多非标设备的连接需求,减少厂商定制成本。
- 结构尺寸:沉板1.4mm与L7.45mm的超薄紧凑设计
沉板1.4mm:"沉板"指连接器主体嵌入PCB板内部,仅接口端外露,1.4mm的沉板深度可使连接器顶部与PCB板表面平齐(或低于表面),完美适配超薄设备外壳(如厚度≤5mm的户外智能面板)------常规立插Type-C的凸起高度常导致设备外壳需预留凹槽,而沉板设计可实现外壳"无凸起"一体化,既提升美观度,又避免连接器因外力碰撞损坏。
L7.45mm长度:此处L7.45mm指连接器沿PCB板水平方向的长度,超短尺寸设计适配"窄板布局"场景(如车载后视镜内的控制板、工业传感器的微型PCB),在有限的PCB空间内为其他元器件(如芯片、电容)预留更多布局位置,助力设备小型化。
- 机械结构:双壳与4脚插板的双重稳定性保障
双壳设计:连接器采用"内绝缘壳+外金属屏蔽壳"双层结构------内壳采用耐高温PA66+玻纤材料,保障引脚绝缘性与结构强度;外壳为马口铁或不锈钢材质,一方面可屏蔽外界电磁干扰(EMI),避免信号传输受射频噪声影响(如车载环境中的雷达、导航信号干扰),另一方面能增强连接器抗冲击能力,在跌落或碰撞时保护内部引脚不弯曲。
4脚插板定位:4个金属定位脚呈对称分布,插板后与PCB板焊接固定,相较于常规2脚定位,防拔脱力提升60%以上,可抵御设备在振动环境(如车载行驶、机床运作)中的长期晃动,避免连接器与PCB板焊盘脱落;同时4脚定位能精准固定连接器位置,确保沉板深度一致,避免因安装偏差导致接口与外壳错位。

二、关键性能拆解:IPX7与耐久性背后的技术支撑
若说结构参数决定"适配性",则性能指标决定"可靠性"。JN16-BPF004-A的IPX7防水、10000次插拔与-25℃~+85℃宽温性能,均通过针对性技术设计实现场景级保障。
- IPX7防水:沉浸式防护的密封工艺设计
IPX7防水等级意味着连接器可在1米深的水中浸泡30分钟而不进水,其核心依赖"三重密封结构",完全覆盖水侵入的关键路径:
接口端主密封:Type-C插头插入处内置"硅胶双唇边密封圈",唇边设计可在插拔时自动贴合插头外壳,形成两道防水屏障,相较于单唇边密封,防水可靠性提升1倍以上,且密封圈采用耐老化硅胶(硬度50±5 Shore A),在-25℃~+85℃温域内不会出现硬化或开裂。
PCB焊接端密封:连接器与PCB板的贴合面设有"软胶密封垫",焊接后密封垫被压缩,填充两者间的微小缝隙,阻止水从焊接处渗入PCB板;同时引脚根部采用"二次注塑包胶"工艺,将引脚与内壳完全包裹,避免水沿引脚与内壳的间隙侵入内部。
外壳接缝密封:内绝缘壳与外金属屏蔽壳的接缝处采用"超声波焊接"工艺,替代传统卡扣连接,实现无缝密封,彻底杜绝水从外壳拼接处进入的可能------这也是区别于普通IPX4防溅连接器的核心工艺,确保沉浸式防水效果。
- 10000次循环耐久性:材料与结构的抗损耗设计
10000次插拔耐久性远超USB IF协会规定的消费级Type-C 5000次标准,其背后是"接触件材料优化"与"插拔结构防护"的双重保障:
接触件:高硬度镀金层+弹性基材:引脚采用铍铜合金(弹性模量≥120GPa)作为基材,确保长期插拔后仍能保持稳定的接触压力;表面镀金层厚度达3μm(远超消费级1-2μm标准),金的低摩擦系数(≤0.15)可减少插拔时的磨损,同时金的化学稳定性可避免氧化生锈,即使在10000次插拔后,接触电阻仍能稳定在30mΩ以内,远低于工业级50mΩ的上限要求。
插拔导向:防呆筋+倒角设计:接口内部设有3条"防呆导向筋",可自动校准插头插入角度,避免引脚因错位导致的"斜插磨损";同时插头入口处采用0.5mm半径的倒角处理,减少插拔时插头与接口的硬摩擦,降低非正常损耗------实测数据显示,该设计可使插拔损耗率降低40%,直接延长耐久性寿命。
- 宽温性能:-25℃~+85℃的环境适应性技术
宽温范围覆盖多数极端场景(如北方冬季户外-20℃、车载夏季暴晒+80℃),其核心是通过材料选型解决"低温脆裂"与"高温蠕变"两大痛点:
低温防护(-25℃):外金属壳采用耐低温马口铁(冷脆温度≤-40℃),避免低温下外壳开裂;内绝缘壳选用改性PA66材料,添加抗冻剂后在-25℃下冲击强度仍保持20kJ/m²以上(普通PA66在-20℃时冲击强度会降至10kJ/m²以下);引脚铍铜基材的低温弹性衰减率≤8%,确保低温下引脚与插头的接触压力不下降,避免信号中断。
高温防护(+85℃):内绝缘壳的热变形温度(HDT)≥130℃,在+85℃长期工作时不会出现软化变形;接触件镀金层的熔点高达1064℃,不会因高温熔化;4脚插板的焊接点采用高温焊锡(熔点≥217℃),避免高温下焊锡熔化导致连接器脱落。
二、场景价值落地:从"连接"到"赋能"设备升级
JN16-BPF004-A的参数与性能设计,精准匹配三类高需求场景,不仅解决传统连接器的痛点,更能赋能设备实现功能升级。
- 户外智能终端:IPX7防水+超薄设计的一体化方案
户外场景(如智能快递柜控制面板、户外广告屏触控模块)的核心痛点是"防水"与"超薄外观"------传统IPX7连接器多为金属外壳,体积大且凸起明显,需在设备外壳预留凸起空间,影响美观;而JN16-BPF004-A的沉板1.4mm设计可实现"接口与外壳平齐",配合IPX7防水,既能抵御雨水浸泡(如暴雨天气),又能保持设备超薄一体化外观;16PIN引脚则可同时传输"触控信号+USB数据+PD快充",无需额外接口,减少设备外壳开孔数量(从3个接口孔减少至1个),进一步提升整体防水性。
- 车载后装设备:电磁屏蔽+抗振的稳定传输
车载后装场景(如车载冰箱、后排娱乐屏)需应对"电磁干扰"与"振动"两大挑战------车内雷达、导航、蓝牙等设备会产生强电磁干扰,传统Type-C连接器无屏蔽设计,易导致数据传输卡顿(如后排娱乐屏播放视频卡顿);JN16-BPF004-A的双壳结构(外金属屏蔽壳)可将电磁干扰衰减≥30dB,确保USB 3.2数据传输速率稳定在10Gbps;4脚插板定位则能抵御行车过程中的持续振动(如颠簸路面),避免连接器松动导致设备断电;-25℃~+85℃宽温则适配"冬季户外停车(-20℃)"与"夏季车内暴晒(+80℃)",确保全年稳定工作。
- 工业传感器:高密度引脚+耐久性的长期可靠
工业传感器(如压力传感器、温湿度传感器)需同时满足"多信号传输"与"频繁校准"需求------传统传感器连接器多为8PIN以下,仅能传输"供电+单一信号",若需额外传输校准指令,需增加接口;JN16-BPF004-A的16PIN引脚可同时传输"传感器数据+供电+校准控制信号+状态反馈信号",实现"一接口全功能";10000次插拔耐久性则适配传感器的长期校准需求(如每月校准1次,可满足800年以上使用),避免因连接器磨损导致校准信号传输错误;IPX7防水则能抵御工业车间的油污喷淋(如机械加工车间的冷却剂喷淋),确保传感器在油污环境下正常工作。
三、行业竞争壁垒:差异化参数构建核心优势
在防水Type-C 16PIN连接器市场中,JN16-BPF004-A通过"参数组合差异化"构建竞争壁垒,与同类产品形成明显区隔:
对比消费级IPX7 Type-C:后者多为12PIN以下,无屏蔽设计,耐久性仅5000次,且沉板深度≥2mm,无法适配超薄设备;JN16-BPF004-A的16PIN高密度引脚、双壳屏蔽、10000次耐久性与1.4mm沉板,填补了"消费级性能不足、工业级成本过高"的市场空白。
对比工业级IPX7 Type-C:后者虽性能达标,但多为立插设计(高度≥8mm),体积大且成本高(金属外壳+定制工艺),不适用于轻量化设备;JN16-BPF004-A的沉板1.4mm设计与塑料内壳,在保持工业级性能的同时,将体积缩小40%、成本降低25%,更适合批量应用于中小型设备。

四、总结:参数协同下的可靠性升级
JN16-BPF004-A的核心竞争力,在于"参数与性能的深度协同"------16PIN引脚为多协议传输提供基础,沉板1.4mm与L7.45mm适配超薄紧凑场景,双壳与4脚插板保障稳定性,IPX7与宽温应对极端环境,10000次耐久性满足长期使用。每一项设计都不是孤立的,而是相互支撑、共同构建"高密度、高防护、高可靠"的连接方案。
对于设备厂商而言,选择JN16-BPF004-A不仅是"采购一个连接器",更是选择一套经过场景验证的"空间+防护+性能"一体化解决方案,可大幅缩短设备研发周期(减少接口适配与防水测试时间),降低后期故障率(10000次耐久性+IPX7防水可减少90%以上的连接相关故障),最终提升产品市场竞争力。