在专业音频设备、通信系统及高品质消费电子产品的设计中,每一个元器件的选择都关乎最终产品的性能、耐用性与用户体验。其中,耳机插座作为频繁插拔的物理接口,其品质至关重要。TENGJUN(腾骏)出品的 JA12-BPD034-A 型卧式耳机插座,凭借其精湛的工程设计和不妥协的用料,成为了高端应用场景下的理想选择。本文将深入剖析这款插座,揭示其超越寻常的卓越特性。
一、 核心定位:为专业场景而生
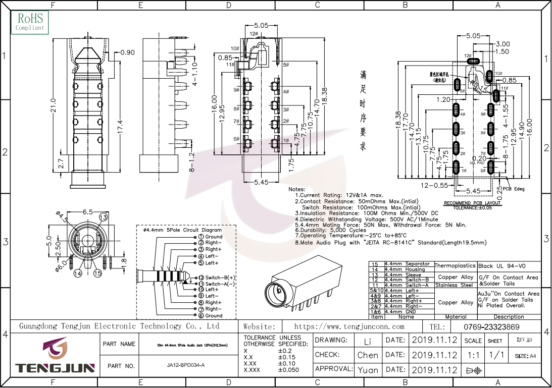
JA12-BPD034-A并非一款通用型插座。从其命名和详细规格中,我们可以清晰地看到其服务于高可靠性、长寿命、环境适应性要求严苛的专业市场定位。它专为匹配 JETA RC-8141C 标准音频插头而优化,确保了连接的无缝与稳定。

二、 深度技术解析:卓越性能的源泉
- 结构与连接:5极5对夹的稳固之道
5极设计:支持标准的四段式耳机插头(左、右、地、麦克风),并额外提供一个控制或视频通道,兼容性广泛,适用于带麦克风的耳机或音视频复合接口。
5对夹结构:这是该插座的核心优势之一。传统的插座可能使用简单的弹片,而"对夹"式设计意味着每个触点都由一对精密的、具有弹性的金属夹片构成。当插头插入时,夹片从两侧牢牢抱住插头的触点。这种设计带来了:
更低的接触电阻:双点接触,导电性能更优,信号传输损耗小。
更高的连接稳定性:有效抵抗振动和轻微拉扯,防止信号中断。
更强的夹持力:确保插头不易松动,连接紧密可靠。
- 开关机制:智能检测与无缝切换
"带常闭开关"意味着插座内部集成了检测开关。在未插入插头时,开关处于闭合(导通)状态。这一设计常用于:
内置/外放音箱切换:当插头未插入时,信号通过常闭开关路由至设备的内置扬声器;插入插头后,开关被顶开断开,信号自动切换到耳机输出,实现无缝、静音的切换。
设备状态检测:系统可通过检测开关状态,判断是否有外部设备接入,从而执行相应的软件或硬件指令。
- 极致耐久性:5000次插拔循环的承诺
耐久性:5000次循环是衡量其寿命的关键指标。按照每天插拔2次计算,它可以稳定工作近7年。这背后是:
优质触点材料:通常采用磷青铜镀厚金,兼具优良的导电性、抗氧化性和低接触电阻。
精密的弹簧设计与热处理:确保夹片在数千次形变后仍能恢复原状,保持足够的夹持力。
- 环境适应性:宽温域与坚固结构
工作温度:-25℃ 至 +85℃:这一宽温范围使其能够应对从严寒室外环境到设备内部高温发热的严酷条件,保证了在各类极端气候和满负荷工作下的稳定性。
内铜套设计:插座核心与插头接触的部分采用铜材质,提供了优异的机械强度和耐磨性,进一步提升了插拔手感和长期使用的可靠性。
- 精准的物理尺寸:L21.0与标准长度
L21.0 可能指插座PCB引脚部分的长度,这对于PCB板上的定位和焊接强度至关重要。
与"JETA RC-8141C"匹配,标准(长度19.5MM):这确保了与标准音频插头的完美机械兼容性和电气接触点位的一致性。19.5mm的插入深度是行业标准,保证了连接的深度和稳定性。
三、 核心优势总结
-
超凡的连接可靠性:5对夹结构是稳定信号传输和物理连接的基石。
-
长久的使用寿命:5000次插拔循环,远超普通商用插座,大幅降低产品生命周期内的故障率。
-
卓越的环境适应性:宽温设计使其能胜任从消费级到工业级的各种应用场景。
-
智能的集成功能:内置常闭开关,简化了外部设备检测与音频路径切换的电路设计。
-
专业的兼容性:针对标准插头优化,确保互联互通无隐患。

四、 典型应用场景
专业音频设备:调音台、音频接口、功放、广播设备。
高可靠性通信设备:军用电台、海事电话、指挥调度系统。
工业控制与测量设备:需要音频监控或接口的工控机、测试仪器。
高端消费电子:追求品质和耐用性的高端HIFI播放器、录音笔等。
结论
TENGJUN JA12-BPD034-A耳机插座不仅仅是一个简单的连接器,它是一款经过深思熟虑工程设计的精密组件。它通过"5对夹"结构、5000次耐久性、宽温工作范围等硬核指标,为产品设计师提供了应对严苛应用挑战的终极解决方案。在选择关乎产品核心体验与可靠性的元器件时,JA12-BPD034-A代表了一种对品质绝不妥协的态度,是构建高端、耐用电子设备的理想连接基石。