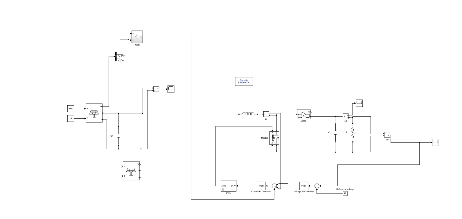
光伏板太阳能充电MATLAB仿真,光伏电池输出12v. 经过boost电路升压输出48v,boost采用双闭环控制,输出电流9A。 有文档。

最近在研究光伏板太阳能充电相关内容,和大家分享下基于MATLAB的仿真实现过程。这次我们要实现的是光伏电池输出12V,经过boost电路升压到48V,并且boost采用双闭环控制,输出电流达到9A。
光伏电池模型
首先,我们得构建光伏电池模型。在MATLAB中,可以利用Simscape Electrical库来搭建简单的光伏电池模型。
matlab
% 假设简单定义光伏电池输出电压为12V
photovoltaic_voltage = 12;
这里简单定义了光伏电池的输出电压为12V,实际中光伏电池的输出特性会受光照、温度等多种因素影响,若要精确建模,可使用更复杂的等效电路模型和相关参数。
Boost电路搭建
接下来就是关键的boost电路部分啦。在MATLAB的Simscape Electrical里搭建boost电路并不复杂。

Boost电路核心在于电感、电容和开关器件等。以下是简单的boost电路原理代码示意(非完整可运行代码,仅展示原理):
matlab
% 定义boost电路参数
input_voltage = photovoltaic_voltage; % 输入电压即光伏电池输出电压
output_voltage = 48; % 目标输出电压48V
inductor_value = 1e - 3; % 电感值1mH
capacitor_value = 100e - 6; % 电容值100uF
% 开关频率假设为10kHz
switching_frequency = 10e3;
duty_cycle = (output_voltage - input_voltage) / output_voltage; % 根据boost电路原理计算占空比
这里通过计算占空比,来控制开关管的导通与关断时间,从而实现升压。占空比计算公式是基于boost电路的基本原理,通过输入输出电压关系得出。
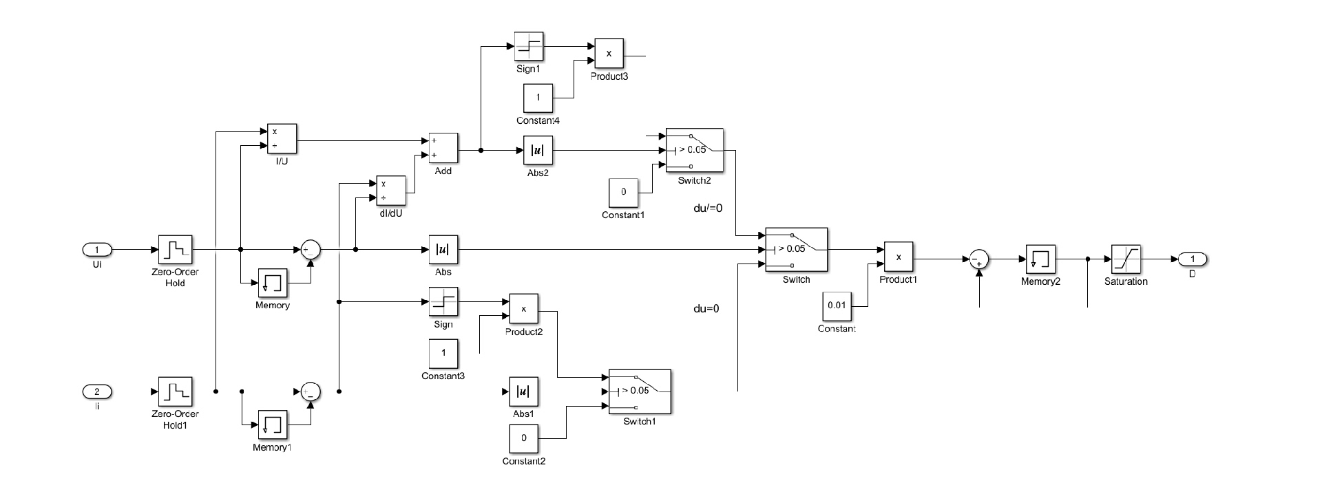
双闭环控制
双闭环控制是这次设计的亮点,它能更精准地控制输出。一般是电流环在内,电压环在外。

先看电流环,代码大致如下:
matlab
% 电流环参数
current_reference = 9; % 目标输出电流9A
current_kp = 0.1; % 电流环比例系数
current_ki = 1; % 电流环积分系数
% 初始化电流误差和积分项
current_error = 0;
current_integral = 0;
% 假设在每个仿真步长内更新
for time_step = 1:simulation_steps
measured_current = get_measured_current(); % 获取测量电流的函数,需自行定义
current_error = current_reference - measured_current;
current_integral = current_integral + current_error * time_step;
current_control_signal = current_kp * current_error + current_ki * current_integral;
end
电流环通过不断比较目标电流和实际测量电流,调整控制信号。比例系数currentkp**和积分系数current ki决定了电流环的响应速度和稳态精度。

电压环类似,不过是基于电流环输出的基础上进一步调整。
matlab
% 电压环参数
voltage_kp = 0.5; % 电压环比例系数
voltage_ki = 5; % 电压环积分系数
% 初始化电压误差和积分项
voltage_error = 0;
voltage_integral = 0;
for time_step = 1:simulation_steps
measured_voltage = get_measured_voltage(); % 获取测量电压的函数,需自行定义
voltage_error = output_voltage - measured_voltage;
voltage_integral = voltage_integral + voltage_error * time_step;
voltage_control_signal = voltage_kp * voltage_error + voltage_ki * voltage_integral;
% 根据电压环输出进一步调整电流环参考等操作
end
电压环确保输出电压稳定在48V,通过调节比例和积分系数,优化整个系统的动态和稳态性能。
仿真结果
搭建好模型,设置好参数,运行仿真后,就能看到结果啦。可以观察到输出电压稳定在48V左右,输出电流稳定在9A左右,说明双闭环控制的boost电路有效地实现了从12V到48V的升压,并精准控制了输出电流。
这次光伏板太阳能充电的MATLAB仿真就分享到这啦,有文档可供进一步深入研究,希望对大家在相关领域的学习和研究有所帮助!