eDP接口因其高带宽、低功耗的特性,已成为高端嵌入式显示的首选。本文将以迅为iTOP-RK3568开发板为例,详细解析配置的全流程,助你快速完成eDP屏幕的驱动适配。
什么是eDP?
eDP(Embedded DisplayPort)是DP标准在嵌入式领域的延伸,广泛应用于笔记本、平板及高性能嵌入式设备。

eDP 屏幕移植
1 eDP 接口介绍
eDP 全称是 Embedded DisplayPort,即嵌入式显示接口,由视频电子标准协会(VESA)创
始。eDP 协议是针对 DP(Display Port)应用在嵌入式方向架构和协议的拓展,所以 eDP 协议完全
兼容 DP 协议。已广泛应用于笔记本电脑、平板电脑等领域。
RK3568 支持 1 路 eDP 接口。特性如下:
(1)支持 1 个 eDP 1.3 接口
(2)最多 4 条物理通道,每条通道支持 2.7 Gbps
(3)支持 面板自刷新(Panel Self Refresh, PSR)
(4)最大支持 2560x1600 @ 60Hz 分辨率
(5)支持 RGB 格式(最高 10 位色深)
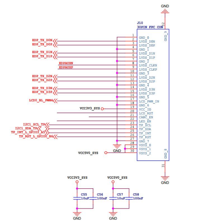
iTOP-RK3568 开发板将引出 1 路 eDP 接口,原理图如下:

1.EDP_TX_D0N/EDP_TX_D0P、EDP_TX_D1N/EDP_TX_D1P、EDP_TX_D2N/EDP_TX_D2P、EDP_
TX_D3N/EDP_TX_D3P。由 4 对差分线组成,用来传输音视频数据。需要注意的是,具体 LCD 屏
幕需要几对差分线就使用几对差分线,需要 2 对就接 2 对,需要 4 对就接 4 对。
2.EDPAUXN/EDPAUXP 辅助通道。
3.EDP_HPDIN_M1 热插拔引脚,原理图中没有使用。也就是说此引脚是可选的。
4.I2C1_SCL_TP、I2C1_SDA_TP、TP_INT_L_GPIO3_A5、TP_RST_L_GPIO0_B6,触摸 I2C 通信,
中断,复位引脚。
5.LCD0_BL_PWM4 屏幕背光引脚。
2 适配步骤
240.2.1 设置 eDP 显示通路
使用 eDP 接口可以选择 VP0 或者 VP1,这里选择 VP0,RK3568 VP 和各显示接口连接关系:

设置 VP0 作为 eDP 显示通路之前需要先打开 VOP 节点。因为迅为 RK3568 开发板源码已默
认开始 VOP 节点,所以具体操作不在赘述,如想了解更多可参考设置 RGB 显示通路章节中打
开 VOP 节点操作。
打开 VOP 以后,接下来设置 eDP 接口使用 VP0 输出的显示通路。打开 rk3568.dtsi 设备树
文件,找到 eDP 节点。


第 2 行 compatible 属性值为 rockchip,rk3568-edp,表示会使用 gpu/drm/rockchip/analogix_
dp-rockchip.c 这个驱动程序。
第 10 到 11 行使用了 edp_phy,所以我们需要使能 edp_phy 节点。
第 13 行 status 属性值为 disabled,表示 eDP 节点被禁用,所以我们需要使能 eDP 节点。
第 15 到 36 行表示 eDP 接口所对应的 VP 端口。edp_in_vp0 表示 eDP 接口连接到 VP0,ed
p_in_vp1 表示 eDP 接口连接到 VP1,status 属性值为 disabled 表示输出 eDP 被禁止。
可以在 topeet_rk3568_lcds.dtsi 设备树文件中添加以下代码来设置 eDP 显示通路。


第 3 行将 status 属性值设置成 okay 打开 eDP 节点。
第 6 到 12 行通过 port1 节点中的 edp_out_panel 节点设置 eDP 屏幕信息。eDP 屏幕信息 r
emote-endpoint 属性指向 panel_in_edp。
第 16 到 18 行打开 edp_phy 节点。edp_phy 节点内容如下:

第 20 到 26 行打开 vp0,关闭 vp1,通过 vp0 输出 eDP。
2.2 设置屏幕信息
在 topeet_rk3568_lcds.dtsi 设备树文件中添加以下代码。


该节点主要描述 eDP 屏幕信息,这些属性作用在之前章节已经解释过了,这里就不在赘述。
2.3 设置背光
topeet_rk3568_lcds.dtsi 设备树文件中添加以下代码。

背光节点对应的属性已在 RGB 章节解释过了,这里不在赘述。
2.4 设置屏幕 LOGO
如果需要使用 logo,可以在 topeet_rk3568_lcds.dtsi 添加以下代码,通过追加的方式打开 r
oute_edp 节点。

设置屏幕 LOGO 对应的属性已在 RGB 章节解释过了,这里不在赘述。
迅为电子将持续更新RK3568开发板相关技术资料,助力开发者快速掌握嵌入式显示技术,加速产品研发进程。