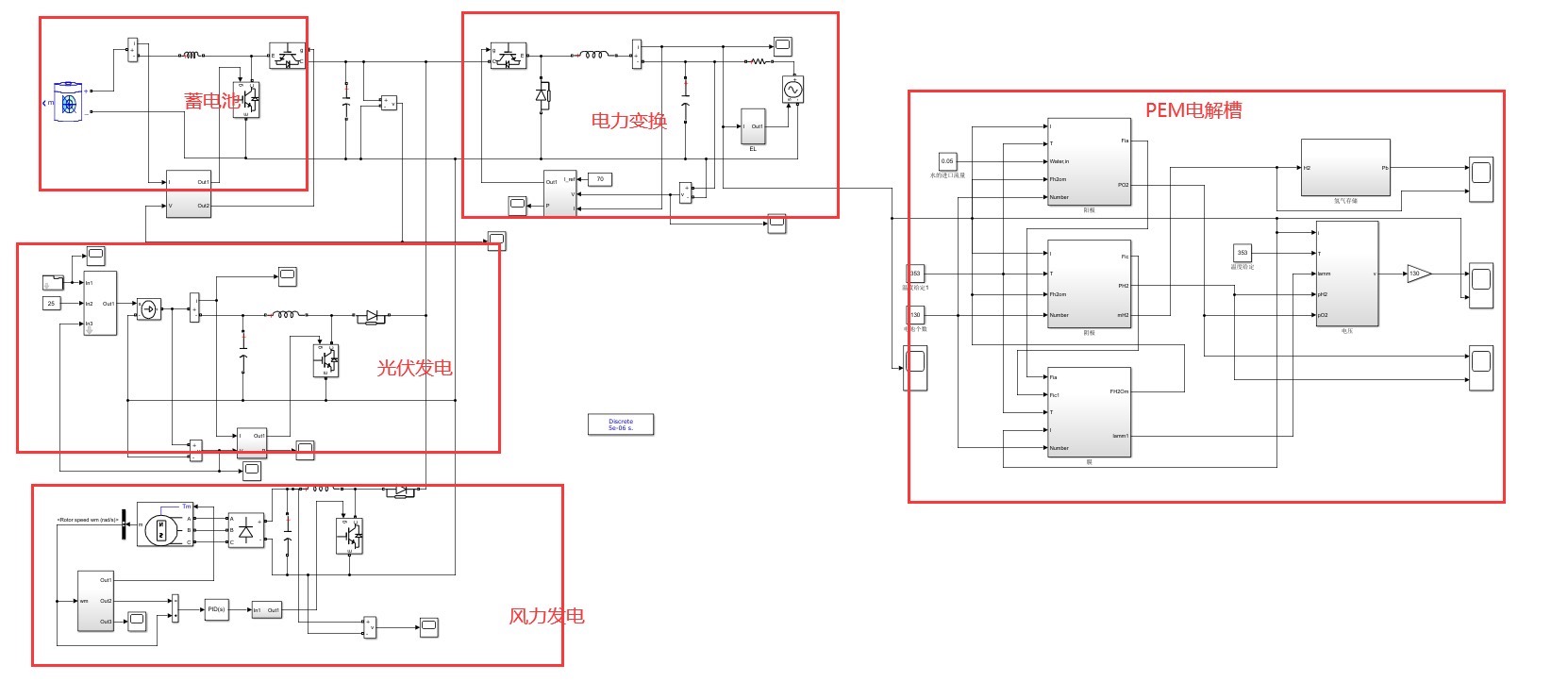
风光发电蓄电池+PEM电解槽,可以修改加模块的

风光发电配储能+PEM电解槽的组合最近在微电网项目里越来越常见。这种架构说白了就是把不稳定能源变成稳定氢气输出的活体转化器,不过真到写控制逻辑的时候,总有几个坑躲不过去。

先说个典型场景:某海岛项目的光伏板最大功率点跟踪(MPPT)输出能到500kW,但碰上多云天气功率能在5秒内掉到80kW。这时候PEM电解槽的最低运行功率是额定值的15%,也就是75kW。问题来了------当风光发电功率跌穿这个临界点时,电解槽就会反复启停,质子交换膜寿命直接打折。

这时候就得靠蓄电池当缓冲垫。用Python写个简单的功率分配策略试试:
python
class EnergySystem:
def __init__(self):
self.battery_capacity = 200 # kWh
self.electrolyzer_min = 75 # kW
self.current_power = 0
def allocate_power(self, renewable_power):
if renewable_power >= self.electrolyzer_min:
surplus = renewable_power - self.electrolyzer_min
self.charge_battery(min(surplus, 50)) # 充电功率限制50kW
return self.electrolyzer_min
else:
deficit = self.electrolyzer_min - renewable_power
discharge_ok = self.discharge_battery(deficit)
return renewable_power + discharge_ok if discharge_ok else 0
def charge_battery(self, power):
# 简化充电逻辑,实际需考虑SOC限制
self.battery_capacity += power * 0.1 # 假设10%时间步长
def discharge_battery(self, required):
available = min(self.battery_capacity / 0.1, required) # 0.1小时放电
if available >= required:
self.battery_capacity -= required * 0.1
return required
return 0
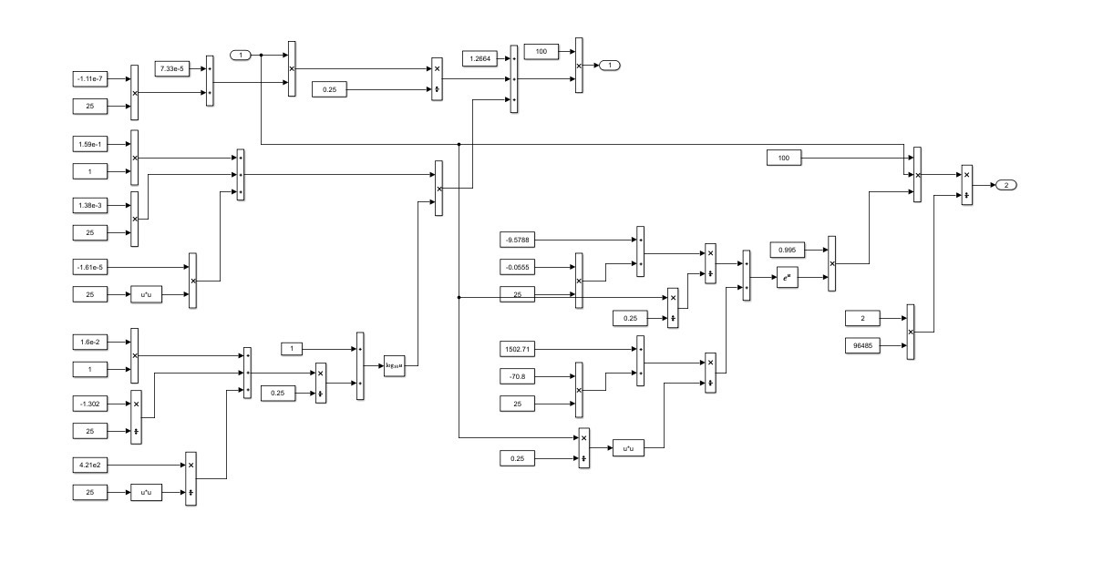
这段代码的核心是保证电解槽最低运行功率,但实际项目里要考虑更多细节。比如电池放电时的DC/AC转换损耗,电解槽启动时的预冷时间------这些在仿真模型里可能占两行代码,但真实设备上会导致分钟级的延迟响应。

风光发电蓄电池+PEM电解槽,可以修改加模块的

模块化改造才是这个架构的精髓。去年我们在青海的项目里试过把电解槽拆分成5个50kW模块。当风光功率超过250kW时逐个唤醒模块,代码里加个简单的轮询机制:
python
electrolyzer_modules = [{'status':0, 'power':50} for _ in range(5)]
def activate_modules(available_power):
active = 0
for module in electrolyzer_modules:
if available_power > module['power'] + 50: # 预留缓冲
module['status'] = 1
available_power -= module['power']
active +=1
return active
这种做法让系统在60%-120%负荷区间都能稳定运行,意外收获是单个模块故障时系统还能保持80%产能。不过模块间同步问题也冒出来了,比如多个PEM同时启动时的电网冲击,后来我们给每个模块加了随机延时启动才解决。
现在的痛点是天气预测和负荷预测的耦合。用LSTM做风光预测的误差传到电解槽控制层,可能导致提前关闭模块。最近在尝试把强化学习接入控制系统,让电解槽自己学习什么时候该"忍一忍"低功率运行,什么时候果断切负荷。效果嘛...跑模拟时挺美好,现场调试时被电气工程师骂了三天,说AI决策不如他们的经验法则靠谱。
说到底,这种混合能源系统就像在玩即时战略游戏------得同时操控发电单位、储能单位和生产单位。代码写得再漂亮,最后还得在升压站里蹲着调参,毕竟现实世界可没有暂停键。