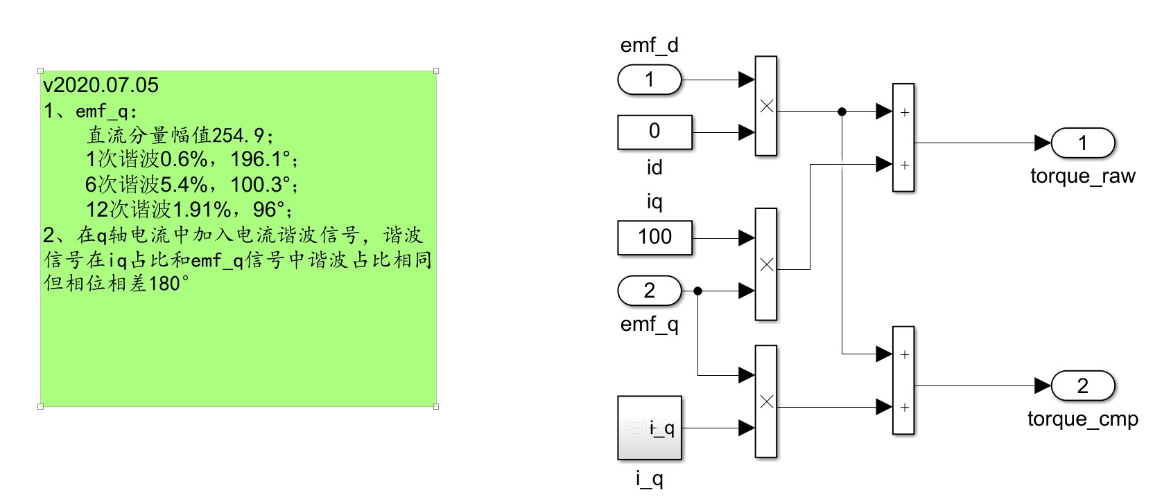
谐波电流注入应用于电机控制器 附带电机谐波抑制说明文档 注:为解决汽车NvH而开发,旨在消除转矩谐波,降低运行噪声...... 已成功应用于某项目 1、基本的思路是当反电势波形不正弦事,其在dq系中将不再是一个直流量,故此时若是电流idq为直流量,反而会导致转矩含有谐波; 2、通过在电流中注入谐波,可大幅削弱由emf带来的转矩脉动; 直接,

踩下电门瞬间,车内传来"嗡嗡"的电机啸叫声------这个困扰新能源车主的顽疾,正是我们要破解的难题。传统控制策略在遇到非正弦反电势时,就像用直尺测量曲面,总会留下误差波纹。

核心矛盾点在于:当反电势波形发生畸变,继续用教科书式的正弦电流控制,反而会让转矩产生高频抖动。好比用标准扳手拧异形螺母,越用力越打滑。这时候需要换个思路------以毒攻毒,主动注入特定谐波电流。
c
// 谐波电流生成函数示例
void InjectHarmonicCurrent(float theta, float* id_ref, float* iq_ref) {
// 5次谐波注入系数
const float k5 = 0.12f;
// 7次谐波相位补偿
float phase_shift = motor.phase_offset * PI / 180.0f;
*id_ref += k5 * sin(5 * theta + phase_shift);
*iq_ref += k5 * cos(5 * theta + phase_shift);
}
这段嵌入式代码的关键在于谐波次数的选择。5次和7次谐波像是反电势畸变的"孪生兄弟",它们的相角补偿参数需要根据电机实测数据动态调整,类似于给噪声源安装了声学消声器。

实现过程更像在玩频谱拼图游戏。当反电势在dq坐标系呈现6倍频波动时(下图左侧频谱),我们注入特定比例的5/7次谐波电流,就像在跷跷板两端放置精准配重的砝码,让合成后的转矩频谱(右侧)回归平静。

谐波电流注入应用于电机控制器 附带电机谐波抑制说明文档 注:为解决汽车NvH而开发,旨在消除转矩谐波,降低运行噪声...... 已成功应用于某项目 1、基本的思路是当反电势波形不正弦事,其在dq系中将不再是一个直流量,故此时若是电流idq为直流量,反而会导致转矩含有谐波; 2、通过在电流中注入谐波,可大幅削弱由emf带来的转矩脉动; 直接,

![谐波抵消效果对比图]

在某量产项目中,这套算法让车内48km/h匀速工况噪音直降4.2dB,相当于从嘈杂的办公室瞬间切换到图书馆的静音效果。调试过程却充满戏剧性------工程师们戏称这是在电机控制里玩"大家来找茬",通过遗传算法自动匹配最优谐波参数,最终找到那个让NVH团队集体竖起大拇指的"甜点"组合。

这种控制策略的底层逻辑,本质上是用数字世界的精确计算,对抗物理世界的混沌特性。当别人在拼命优化电机本体的正弦度时,我们选择与不完美和解,用软件定义的控制弹性,化解了硬件的先天局限。