1、散热器速算
例如:LM2596最大输入电压26.1V,效率73%,输出3.7V/2A,计算芯片自身功耗Ploss。
输出功率:
输入功率:
芯片自身功耗:
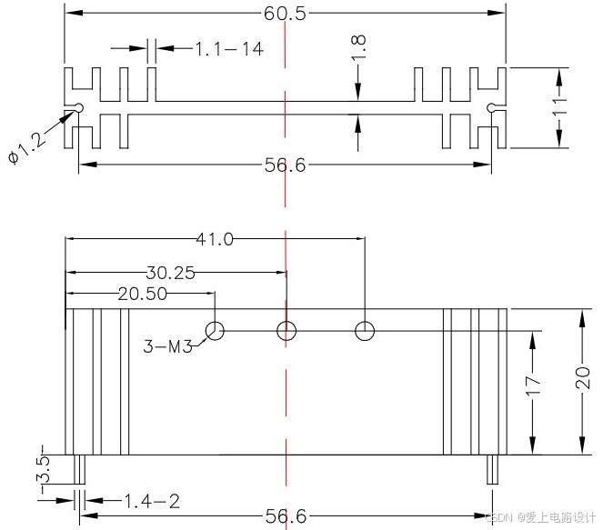
▼散热器的结构尺寸如下图所示。

▼计算此散热器的温升:https://www.lscsc.com/zh/calculators/temperature/heat-sink。

▼我们再对如下图参数的散热器进行计算


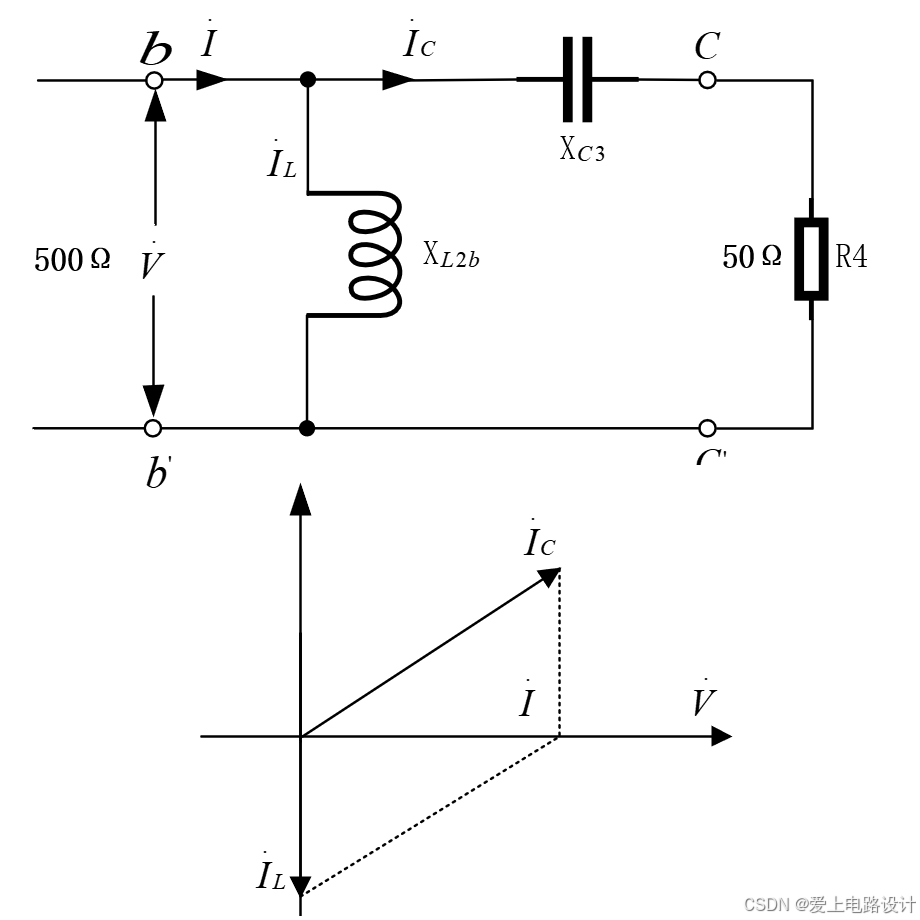
2、阻抗匹配速算

▼计算电感、电容的值:https://www.lscsc.com/zh/calculators/circuit/impedance-matching。

3、电感的设计
▼包括空心电感、铁芯电感、扼流圈等,如下图所示。

▼下面是扼流圈的相关计算:

4、555定时器计算
▼采用在线计算 :555定时器计算器,简单快捷。

▼当然也可以使用 Multisim 进行仿真,此软件的使用方法:Multisim14.2仿真使用汇总。

天之道利而不害,人之道为而不争。觉得不错,动动发财的小手点个赞哦!