hello~ 很高兴见到大家! 这次带来的是Linux系统中关于进程间通信这部分的一些知识点,如果对你有所帮助的话,可否留下你宝贵的三连呢?
个 人 主 页 : 默|笙

文章目录
- 一、消息队列
-
- [1.1 消息队列介绍](#1.1 消息队列介绍)
- [1.2 接口介绍](#1.2 接口介绍)
- 二、信号量
-
- [2.1 补充知识](#2.1 补充知识)
- [2.2 信号量介绍](#2.2 信号量介绍)
- [2.3 接口介绍](#2.3 接口介绍)
- 三、内核如何管理IPC资源
- 四、共享内存与虚拟地址空间映射
一、消息队列
1.1 消息队列介绍

-
消息队列提供了从一个进程向另一个进程发送一块数据的方法,传输的是一整块数据,它面向的不是字节流,而是一条一条的消息(数据块),它是面向消息的,以数据块为单位传递数据。
-
消息队列本质是内核维护的队列结构,内核会为每个消息队列维护一个队列头(核心元数据结构体),用来记录该队列的关键信息(如权限、消息数量、队列大小、最后操作时间等)。
-
每个要传递的消息都会成为消息队列的一个节点,且每个节点都包含消息类型。通信时至少有两个进程往消息队列中写入消息,为了区分并获取对方发送的消息,而不是自己发送的消息,就通过消息类型来标识消息来源。进程可以根据类型,只接收对方的消息,跳过自己发送的消息。
每一个独立的数据块都是一条完整的消息,也是消息队列里的一个节点。
- 消息队列可能在内核里面存在多份,OS一定要对其进行管理的,所以先描述(把属性打包成一个结构体)再组织。
- 消息队列本身是独立的 System V IPC 资源,其生命周期随内核,不会随进程退出而自动销毁;队列中的每一条消息(节点)依附于该 IPC 资源存在,若不手动删除消息队列,该 IPC 资源会一直占用内核资源,因此使用后必须显式删除。
- 进程A与进程B如何才能保证它们看到的是同一个消息队列,毕竟消息队列在内核存在多个,所以它们也有唯一标识它们的信息---键值key。
1.2 接口介绍

- msgget 用来创建消息队列,第一个参数就是我们用户要传递的键值,这点和共享内存shmget 函数一样,第二个参数是一个复合参数,用于设置消息队列的访问权限和控制获取规则与shmget 第三个参数一样。

- 消息队列也有对应的 msgctl 函数根据传递的不同的标志位来删除,查看消息队列等操作。这个函数的用法跟 shmctl 一模一样。

-
同时,消息队列也有用于存储属性的结构体 msqid_ds,它的第一个成员变量和 shmid_ds 一样,都是 struct ipc_perm。
-
消息队列还有两个特殊的接口 msgsnd 和 msgrcv 分别用来向消息队列发送和从消息队列接收信息。
二、信号量
2.1 补充知识
- 进程间需要进行 IPC 通信,但由于进程具有独立性,想要通信就必须让通信的双方进程看到同一份公共资源,这份资源称为共享资源(如文件、内存块、队列),由OS提供。
- 互斥 :多个执行流(进程)能够同时看到并访问的资源叫做共享资源,而任何时刻都只能有一个流访问这个共享资源,这是互斥,是保护共享资源的一个手段。
- 临界区与非临界区 :这种需要被保护的共享资源,也叫做临界资源;访问临界资源的代码片段称为临界区,其余代码则称为非临界区。对共享资源进行保护实质上就是对共享资源的代码进行保护。
- 原子性 :原子性就是一个操作是原子的,就是指这个操作在执行过程中不会被打断,它只有两种结果,要么从一开始就不做,要么一定做完。
- 并发问题与同步:当多个执行流同时访问同一个共享资源,并且多个执行流都对该资源进行写入操作时,数据就可能出现混乱、覆盖或不一致的情况。要解决这个问题,就需要引入同步。同步能够让多个执行流按照一定的顺序访问临界资源,从而有序地进行写入操作。
2.2 信号量介绍
-
信号量(信号灯)的本质是一个整数计数器,其核心作用是描述临界资源的可用数量,以此控制多进程对共享资源的访问。
-
用电影院买票场景类比:放映厅的座位是有限的临界资源,剩余可用票数就是信号量的值。当一个进程要访问共享资源,需要先申请资源(执行 P 操作),信号量减 1(对应买走一张票,剩余票数减少);若信号量已为 0(无票),后续申请资源的进程会阻塞等待,直到其他进程释放资源(执行 V 操作),信号量加 1(对应退票,释放座位)。

-
买到票不代表一定会去这个电影院,但是这张票对应的座位就已经是你的了(提前预定),只要你一直持有这张票,那么你就一直可以访问这个共享资源。所以申请信号量其实就是对资源的预定机制,申请成功就可以访问,申请失败就会被阻塞。
-
每一个进程访问这个资源都要申请信号量,也就是说每一个进程都要看到同一个信号量?是的,所以这个信号量它本身也是一个共享资源。信号量的安全性是由 P 操作和 V 操作共同保障的,因为这两个操作都具有原子性,对信号量的加减操作不会被打断(同一时间只有一个进程能够执行,不会互相干扰)。
普通的 ++ 和 - - 操作并不是原子性的。比如 - - 操作在 CPU 底层要分为三步:从内存读到寄存器,在寄存器里减 1,再写回内存。这三步不是一气呵成,中途进程可能被切换走,之后其他进程就可能把信号量的值修改掉,等原进程再次恢复执行时,写回内存的就已经是过期、错误的值,从而引发并发问题(多个进程都拿到同一个资源)。所以P操作与V操作不是普通的++与- -。
如果一行代码汇编只有一行代码,那么它就是原子性的,如果是多行代码,那么它就不是原子性的。

- 如果这个电影院只有一个座位,代表该临界资源同一时刻只能被一个进程使用,也就是资源整体独占使用,这样就实现了互斥,此时信号量只有 0 和 1 两个值,也叫做二元信号量。多个座位的情况属于资源分块使用,由同步互斥算法保证进程访问的是自己预定的资源。
- 信号量的生命周期随内核存在,因此需要用户显式删除。
2.3 接口介绍

- semget 接口用来申请信号量,第一个参数是由我们用户传的键值,第二个参数你要申请的信号量的数量(不是初始信号量),第三个参数跟shmget第三个参数一样。

- semctl 接口可以用来删除信号量,第一个参数传递信号量集标识符(semid),第二个参数为要操作的信号量在信号量集中的编号(通常传 0),第三个参数需指定 IPC_RMID 命令以实现信号量的删除操作,还可以传递其他命令获取信号量的状态等。

- semop 接口是执行信号量 P/V 原子操作的核心接口,第一个参数传递信号量集标识符(semid),第二个参数为指向 struct sembuf 结构体的指针(定义具体的 P/V 操作规则),第三个参数指定要执行的操作数量(通常传 1);通过该接口可实现信号量的申请(P 操作,sem_op=-1)、释放(V 操作,sem_op=+1),还能通过结构体中的 sem_flg 标志位设置是否阻塞等待资源。

-
同时,信号量也有用于存储属性的结构体 semid_ds,它的第一个成员变量和 shmid_ds 与msqid_ds 一样,都是 struct ipc_perm。
-
能够感受到,共享内存、消息队列和信号量在很多方面都有相似之处,无论是接口、返回值、参数、数据结构、key 的共享方式、创建和删除,还是底层原理,都存在很多共性。这也是为什么说 System V IPC 是一套统一的标准。
三、内核如何管理IPC资源

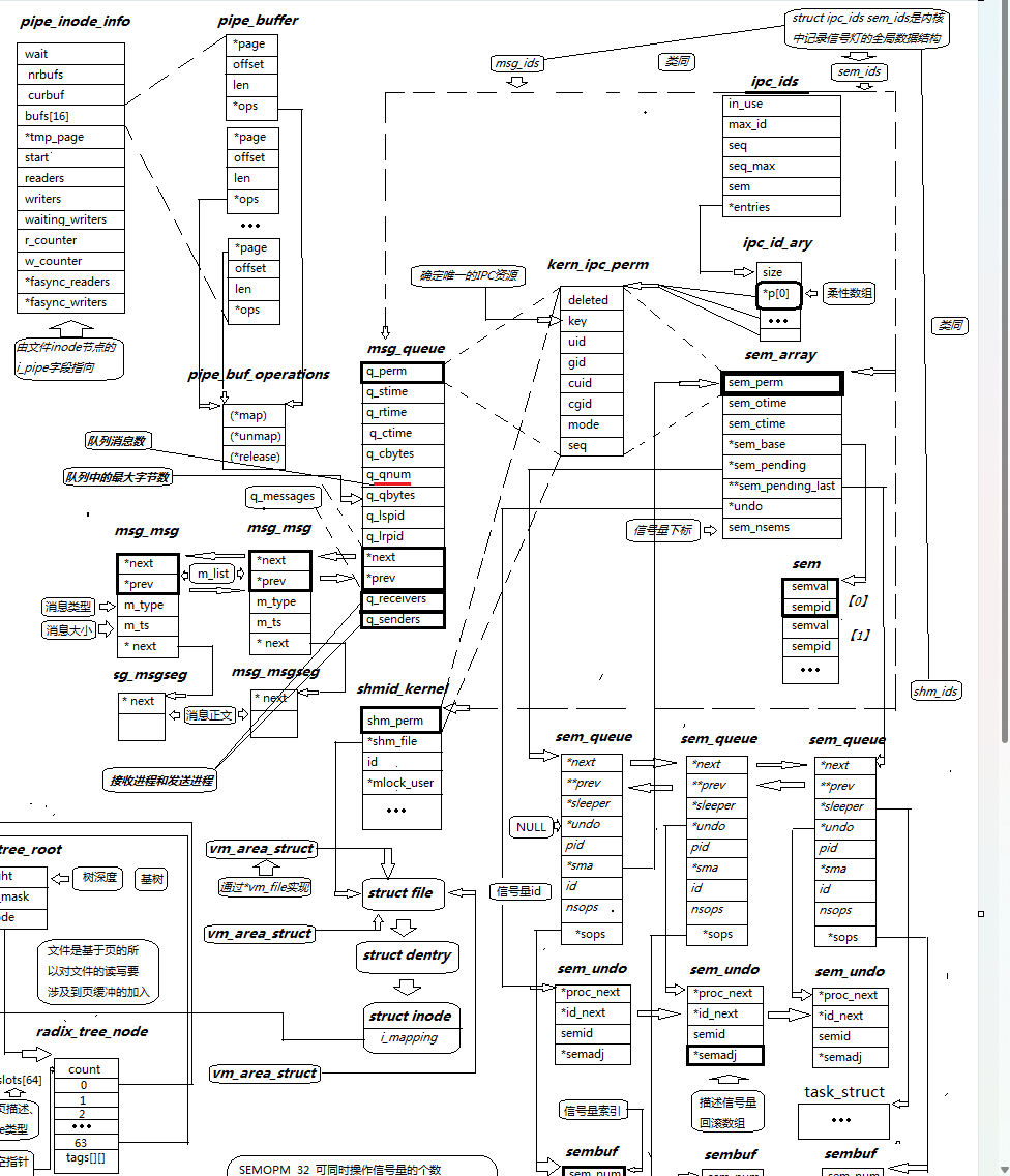
- 为什么三个 ipc 资源结构体 shmid_ds、msqid_ds 和 semid_ds 第一个结构体成员都是 ipc_perm 类型?这三个结构体虽对应不同的 IPC 资源(共享内存、消息队列、信号量),但操作系统要对其实现统一管理,就必须能通过通用指针(ipc_perm * 类型) 指向任意一个结构体。而 C 语言中结构体的起始地址与其第一个成员变量的地址完全重合,因此将 ipc_perm 作为这三个结构体的首个成员,就能让 ipc_perm * 指针无缝指向任意一类 IPC 资源结构体,成为统一管理的底层基础。
我们用户看到的是这三个结构体,但系统真正管理的是 shmid_kernel、msg_queue和 sem_array这三个结构体。用户态的 shmid_ds/msqid_ds/semid_ds 是内核态 shmid_kernel/msg_queue/sem_array 的 "对外接口版",前者仅暴露安全的基础属性,后者包含内核管理所需的完整数据;两类结构体均将 ipc_perm 作为首成员,核心是借助 C 语言结构体的内存特性,让 ipc_perm* 成为打通用户态与内核态、统一管理所有 IPC 资源的通用指针;用户操作用户态结构体的属性,最终会由内核同步到内核态结构体,而内核也会通过用户态结构体向用户反馈资源状态。
- 内核如何用这个通用指针进行管理?内核通过 ipc_perm通用指针访问所有 IPC 资源的公共属性时,直接解引用指针即可获取 ipc_perm 结构体里的 uid、gid、mode 等属性;若需要访问 shmid_ds、msqid_ds 或 semid_ds 各自独有的属性(如 shmid_ds 的 shm_segsz、msqid_ds 的 msg_qnum),则将 ipc_perm指针强制转换为对应结构体类型的指针,再访问专属属性即可。这种实现逻辑高度类似 C++ 中的多态 ------ 以 ipc_perm 作为 "基类",三类 IPC 结构体作为 "子类",通过基类指针(ipc_perm*)指向不同子类结构体,既实现了公共属性的统一管理,又能按需访问各子类的独有属性。
- 既然内核对各类 IPC 资源做了统一管理,那它如何区分当前资源是共享内存、消息队列还是信号量呢?答案是内核会借助三个不同的 ipc_id_ary 结构体来实现:每个 ipc_id_ary 结构体内部都包含一个柔性数组,该数组的大小可在结构体创建后动态申请分配(即数组大小支持动态调整);这三个柔性数组的元素均为 ipc_perm* 类型的指针,且分别存储共享内存、消息队列、信号量对应的 IPC 资源指针,以此精准区分不同类型的 IPC 资源。
- 所以 shmget、semget 以及 msgget 的返回值(编号),其实可以看作是对应 ipc_id_ary 结构体中柔性数组的下标 ------ 内核通过这个下标,就能从对应类型的柔性数组中找到该 IPC 资源的 ipc_perm* 指针,进而定位到完整的资源结构体。
- 这种在 C 语言中模拟 C++ 多态的实现方式,类比 C++ 的属性与方法来看:就是将各类 IPC 资源的共同属性打包成ipc_perm结构体并嵌入到其他 IPC 结构体中,而差异化的 "方法" 则以函数指针的形式封装进对应结构体里,以此实现类似 C++ 的多态管理效果。
四、共享内存与虚拟地址空间映射
- 管理进程虚拟地址空间的核心是 mm_struct 结构体,该结构体中嵌套了 vm_struct 结构体;vm_struct 结构体包含一个 file* 类型的指针 vm_file,而内核态的共享内存管理结构体(shmid_kernel)中也有一个 file* 类型的指针 shm_file。当共享内存创建完成后,vm_file 与 shm_file 会指向同一共享内存(其本质是文件的内核缓冲区),以此建立起进程虚拟地址空间与共享内存的映射关系;后续若有新进程要使用该共享内存,只需将自身 mm_struct 中 vm_struct 的 vm_file 指针指向该共享内存对应的内核缓冲区即可。
今天的分享就到此结束啦,如果对读者朋友们有所帮助的话,可否留下宝贵的三连呢~~
让我们共同努力, 一起走下去!
