实验目的
-
学会并熟悉使用数字万用表。
-
掌握非线性器件伏安特性的测量方法。
-
对非线性元器件有初步了解。
-
初步掌握万用表等效电阻对被测电路的影响及其分析方法
主要仪器设备及软件
硬件:直流稳压电源、台式数字万用表、实验箱、发光二极管、导线、稳压二极管。
软件:无
实验原理(或设计过程)
线性电阻的伏安特性满足欧姆定律,是一条过原点的直线。
发光二极管是非线性元件,具有单向导电性。
当发光二极管正向电压超过正向导通电压后继续升高,正向电流急剧增大,所以,一般发光二极管都串接有保护电阻。发光二极管反向电压从零伏增加到负十几伏,电流很小几乎为零。反向电压太大超过二极管的极限,发光二极管可能被击穿损坏。
稳压二极管接正向电压时电阻很小,正向电压增加,正向电流急剧增大。接反向电压时电阻很大,电压增大时电流变化很小,当反向电压超过稳压二极管的稳压值时,二极管方向击穿,电流增加很快,电压基本不变。
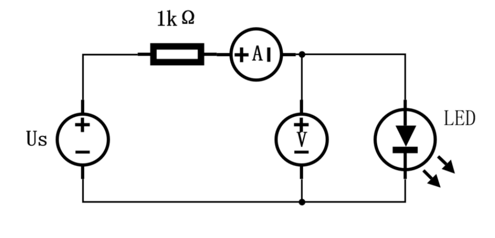
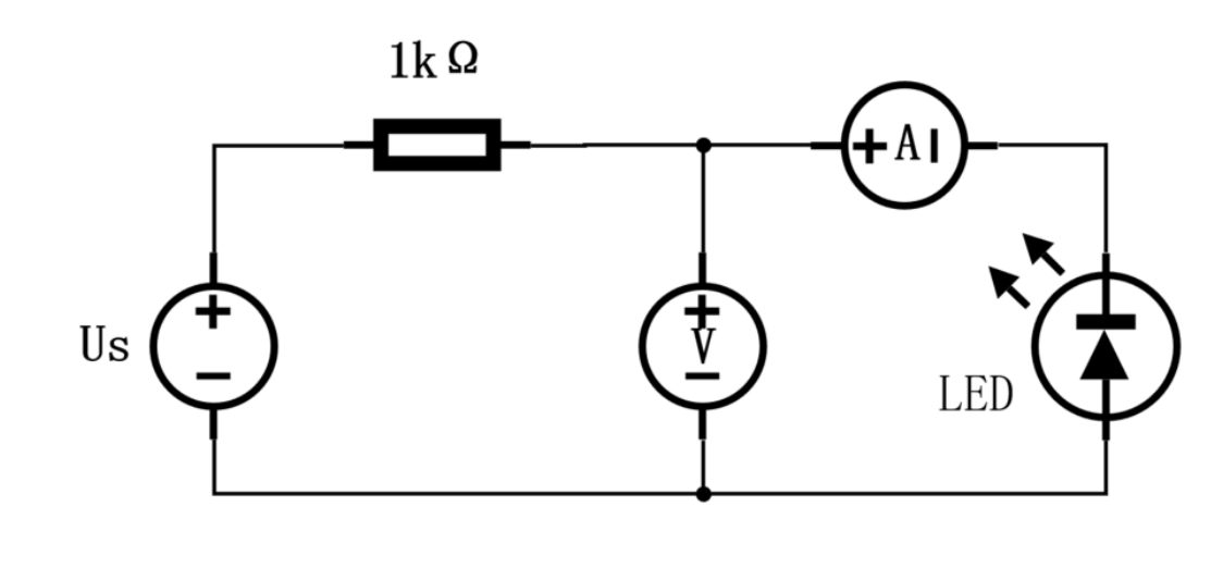
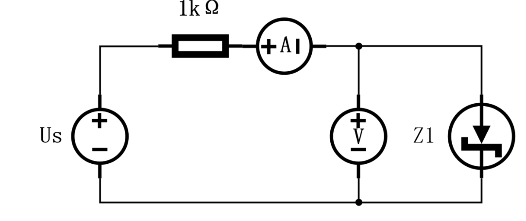
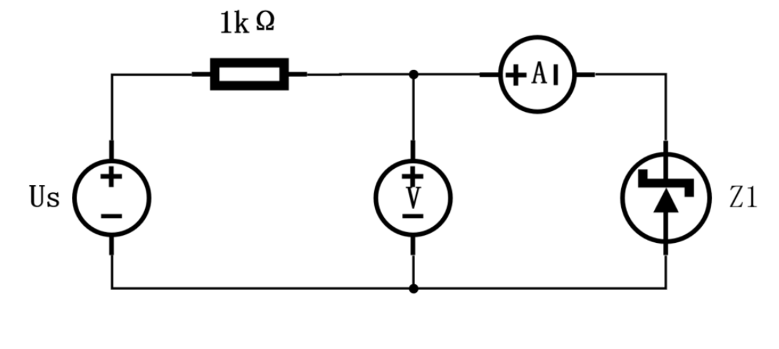
实验电路图
- 发光二极管正向伏安特性

- 发光二极管反向伏安特性

- 稳压二极管正向伏安特性

- 稳压二极管反向伏安特性

实验数据分析和****实验结果
5.1实验内容
发光二极管:
用数字万用表判断发光二极管的正负极性。
连接电路图,按给定电流测量发光二极管的正向特性,记录电压。
重新连接电路,测量发光二极管的反向特性,记录电流。
绘制伏安特性曲线图。
稳压二极管:
用数字万用表判断稳压管的正、负极性。
用数字万用表二极管挡测量稳压管的正反向情况
正向:0.7 V,蜂鸣器响 反向:open V,蜂鸣器不响
连接电路图,按给定电流测量稳压二极管的正向特性,记录电压。
重新连接电路,测量稳压二极管的反向特性,记录电流。
绘制伏安特性曲线图。
需要注意电流表的内外接法。二极管正向时电流表内接,二极管反向时电流表外接。
电流表内接法做实验,电流表测量值为真实值,而电压表测量值比真实值要大
电流表外接法做实验,电压表测量值为真实值,而电流表测量值比真实值要大
5.2实验结果
表 1 发光二极管正反向测量
|-------|--------|---|-------|-------|-------|-------|-------|-------|
| 正向 连接 | Id(mA) | 0 | 1 | 3 | 5 | 10 | 15 | 20 |
| 正向 连接 | Vd(V) | 0 | 1.88 | 1.94 | 1.96 | 1.99 | 2.02 | 2.03 |
| 反向 连接 | Vd(V) | 0 | -1 | -2 | -3 | -5 | -8 | -10 |
| 反向 连接 | Id(μA) | 0 | 0.090 | 0.182 | 0.298 | 0.497 | 0.794 | 0,992 |
表 2 稳压二极管正反向测量
|-------|--------|---|---------|--------|--------|--------|-------|-------|-------|
| 正向 连接 | Id(mA) | 0 | 1 | 2 | 3 | 5 | 10 | 15 | 20 |
| 正向 连接 | Vd(V) | 0 | 0.69 | 0.70 | 0.72 | 0.73 | 0.75 | 0.78 | 0.79 |
| RD(Ω) || 0 | 690.00 | 350.00 | 240.00 | 146.00 | 75.00 | 52.00 | 39.50 |
| 反向 连接 | Vd(V) | 0 | -3 | -9.68 | -9.70 | -9.74 | -9.77 | -9.81 | -9.91 |
| 反向 连接 | Id(mA) | 0 | -0.0029 | -1 | -3 | -5 | -8 | -10 | -15 |
包括实验内容、数据表格、波形图等,波形图不可以直接对示波器拍照,必须根据示波器所示,手动在纸上画图拍照,培养观察数据的完整性和画图的规范性。
例1:画图一定要规范:坐标要标x轴和y轴的具体名称,坐标原点,特殊点要标注,注意图与图中信号之间的频率和相位关系,有关系的图只能在一页纸上不可分两页纸。

RC电路的幅频特征曲线和相频特征曲线
例2:
发光二极管正向电压超过阈值后继续升高,正向电流急剧增大,发光二极管反向电压从零伏增加到负十几伏,电流很小,数量级在10^-9左右,测量时电表读数在0和0.01uA之间跳动。
稳压二极管接正向电压时性质和正常二极管类似,超过正向导通电压后电阻减小,正向电压增加,正向电流急剧增大。接反向小电压时电阻很大,电压增大时电流变化很小,当反向电压超过稳压二极管的阈值时,二极管齐纳击穿,电压基本不变,电流快速变大。
实验小结
学习到了线性电阻和非线性电阻伏安特性的测量方法,学会了辨认二极管的正负极,在调整电源电压时,应从小电压开始调整。
了解了电压表电流表内接外接对大电阻和小电阻的影响。
LED导通电压通常在1.5-2.3V的原因:
因为这个电压范围是大多数LED材料的电子和空穴复合产生光的最低能量需求。当施加的正向电压达到这个阈值时,LED中的电子和空穴会在PN结附近相遇并复合,以光的形式释放能量,从而使LED发光。
思考题;
1.发光二极管的正反向伏安特性与稳压管不同:
正向特性:LED正向导通电压较高(约1.8~3V),电流随电压指数增长;稳压管正向特性类似普通二极管(导通电压约0.7V)。
反向特性:LED反向漏电流极小(微安级),无击穿现象;稳压管反向击穿电压稳定(用于稳压)。
2.数字万用表不同电阻档测LED正向电阻,测量值不同:
LED为非线性元件,电阻值与电流相关。不同档位输出的测试电流不同,导致测得的正向电阻差异明显(低档位电流大,电阻显示更小;高档位电流小,电阻显示更大)。