特性
AMC1306 是一款高精度 Δ-Σ 调制器,采用高抗电磁干扰的电容式双层隔离结构,实现输入与输出电路电气隔离。
- 输入电压范围为 ±50mV 或 ±250mV
- 曼彻斯特编码或未编码的位流选项
- 失调电压误差:±50µV 或 ±100µV(最大值)
- 温漂:1µV/°C(最大值)
- 增益误差:±0.2%(最大值)
- 增益漂移:±40ppm/°C(最大值)
- 瞬态抗扰性CMTI:100kV/µs(典型值)
- 分辨率:16 位
- 信噪比(SNR):最高 86dB
- 电源电流:模拟侧约 6.3~9.8mA;数字侧约 3.3~6.9mA
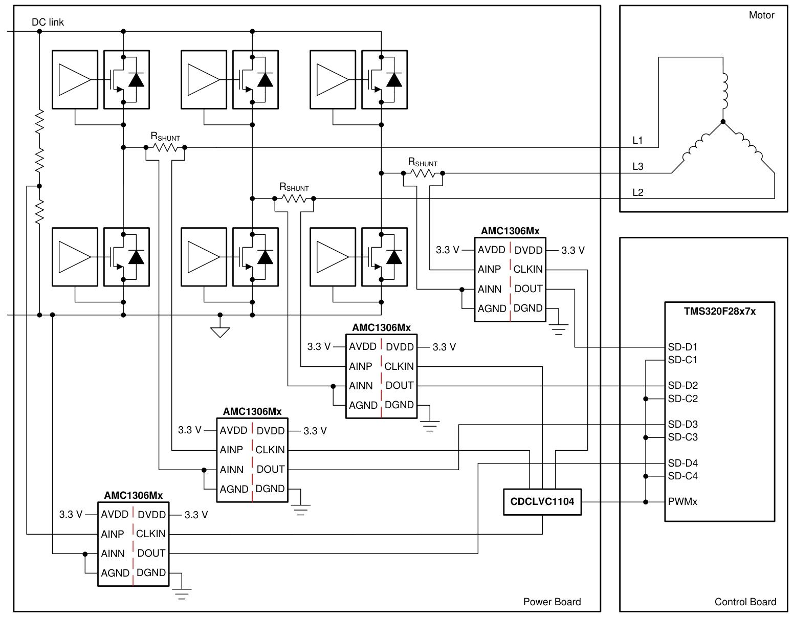
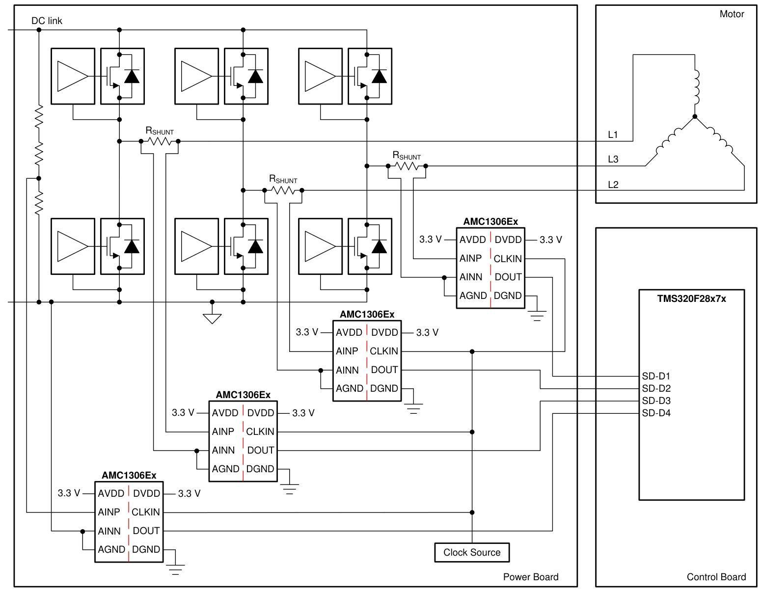
输出位流分为曼彻斯特编码(AMC1306Ex)与非编码(AMC1306Mx)两种类型。
通过集成数字滤波器的处理器(如 TMS320F2807x、TMS320F2837x 系列)抽取比特流获取输出值。
可在 78kSPS 数据率下实现16 位分辨率、85dB 动态范围 。


引脚

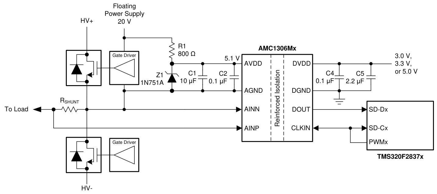
- AVDD:模拟侧电源,3.0V~5.5V
- AINP/AINN:差分模拟输入
- AGND:模拟侧参考地
- DGND:数字侧参考地
- DOUT:数据输出(Ex 为曼彻斯特编码)
- CLKIN:时钟输入,5MHz~21MHz。带内部下拉电阻(典型值1.5M)。
- DVDD:数字侧电源,2.7V~5.5V
详细描述
AMC1306 采用全差分输入放大器 + 二阶开关电容 Δ-Σ 调制器架构,将模拟信号转换为 1 位位流。输出位流与外部时钟(5~21MHz)同步,位流占比与输入电压成正比。基于 SiO₂电容隔离层,抗磁场干扰能力强,外部时钟输入便于多通道同步,最高 21MHz 时钟支持更高系统性能。

模拟输入
斩波稳定放大器降低失调与漂移,输入阻抗固定(4.9kΩ/22kΩ),输入电压需保持在线性范围内以保证精度。
调制器
二阶前馈 Δ-Σ 调制,将量化噪声推向高频,需配合低通数字滤波器(推荐 sinc3)实现抽取与降噪。
TMS320F2807x 和 TMS320F2837x 提供了适配的可编程硬件滤波器结构,称为Σ-Δ 滤波器模块(SDFM),专为与 AMC1306 系列配合使用优化。
隔离传输
采用 OOK(开关键控)调制,480MHz 载波跨隔离层传输,对称设计提升 CMTI、降低辐射。

数字输出
0V 输入时输出 50% 占比位流;满量程时占比 10.94%~89.06%;超量程时每 128 个时钟输出 1 个标志位。

曼彻斯特编码
Ex 系列支持 IEEE 802.3 标准曼彻斯特编码,自带时钟恢复,无直流分量,简化长线传输。
曼彻斯特编码通过异或(XOR)逻辑将时钟与数据信息合并:

故障安全功能
模拟侧掉电(AVDD 缺失):输出恒定0
共模过压:输出恒定1
超量程输入:每 128 周期输出 1 个标志位,区分掉机与过载
典型应用


设计建议
- 分流电阻电压需≤±250mV(线性范围),≤±320mV(限幅范围)
- 推荐搭配 TI C2000 系列 MCU(内置 SDFM 硬件滤波器)或 FPGA 实现 sinc3 滤波
- 电源:AVDD/DVDD 就近加 0.1μF 去耦电容,模拟侧可采用齐纳二极管或 LDO 稳压
- 布局:分流电阻靠近输入,输入走线对称,隔离区域保持爬电距离


国产替代
NSi1306M25D
AMC1306 与 AMC1305 核心区别
两者都是 TI 隔离式 Δ-Σ 调制器,AMC1306 是 AMC1305 的升级款 ,核心差异在抗干扰、精度、封装、接口四点。
一、最关键差异
| 对比项 | AMC1306 | AMC1305 | 影响 |
|---|---|---|---|
| CMTI 共模瞬态抗扰度 | 50~100 kV/μs | 15 kV/μs | 1306 抗IGBT尖峰更强,更稳 |
| 最大时钟 | 21 MHz | 20 MHz | 1306 采样率略高 |
| 失调误差/温漂 | ±50/100μV;1μV/°C | ±50/150μV;1.3μV/°C | 1306 精度更高、温漂更小 |
| 增益误差 | ±0.2% | ±0.3% | 1306 增益更准 |
| 输出类型 | CMOS / 曼彻斯特编码 | CMOS / LVDS | 1306 支持曼彻斯特,单线传时钟+数据 |
| 封装 | SOIC-8 窄体 | SOIC-16 宽体 | 1306 体积小一半 |
| 诊断功能 | 有完整系统诊断 | 无 | 1306 更适合安全系统 |
二、详细参数对比
1. 抗干扰(最大差距)
- AMC1306 :CMTI 典型 100 kV/μs ,最小 50 kV/μs,变频器、伺服强干扰环境首选。
- AMC1305 :CMTI 仅 15 kV/μs,干扰大时容易误触发。
2. 直流精度
- 失调:1306 更优,温漂更小(1 vs 1.3 μV/°C)。
- 增益:1306 ±0.2% 优于 1305 ±0.3%,系统校准更简单。
3. 封装与布线
- AMC1306:SOIC-8 窄体(5.85×7.5mm),省空间、布局更灵活。
- AMC1305:SOIC-16 宽体(10.3×7.5mm),占板大很多。
4. 输出接口
- AMC1306Ex :曼彻斯特编码,单线同时传数据+时钟,长线抗扰更好。
- AMC1305Lxx:LVDS 差分输出,布线更复杂、功耗更高。
5. 功能与可靠性
- AMC1306 带系统级诊断、过压检测、故障安全输出,适合功能安全场景。
- AMC1305 无诊断功能。
三、怎么选?
- 优先选 AMC1306 :
- 变频器、伺服、光伏逆变器
- 强干扰、高可靠性、小体积
- 要更高精度、更低温漂
- 只能选 AMC1305 :
- 老产品兼容 LVDS 接口
- 必须用 SOIC-16 宽体封装
四、型号对应关系
- AMC1306M05/M25 → 替代 AMC1305M05/M25(CMOS 单端)
- AMC1306E05/E25 → 新增曼彻斯特编码,1305 无对应型号