现场总线耦合器本身包含一个电源模块,它有 2 个串口通道,通过 Modbus RTU(Master)协议连接外部串行设备,实现耦合器与外部串行设备通信,现以连接设备的示例带大家了解我们钡铼的2 通道串口通信模块 M602x。
一、2 通道串口通信模块 M602x
现场总线耦合器和 I/O 模块之间的通信,以及 I/O 模块的系统供电都是通过内部总线实现 的。内部总线是由 6 个数据触点组成,这些镀金触点在连接时可进行自清洁,有两个自清洁电源跨接触点,可为现场侧进行供电。在对系统 进行配置时须保证不超过上述电流最大值,如超出,则需插入一个供电模块。

二、安装流程
钡铼技术的所有分布式现场总线耦合器和 I/O 模块必须安装在标准 DIN 35 导轨上!
从现场总线耦合器开始,从左向右依次装配总线 I/O 模块,各个模块彼此相邻安装。
所有 I/O 模块的右侧都有凹槽和电源跨接触点,为了避免装配错误,必须从右侧和顶部插入 I/O 模块,以免损坏模快!
利用簧片和凹槽系统形成可靠的装配和连接,通过自动锁闭功能,在完成安装后各个组 件被安全地固定在导轨上。
不要忘记安装终端模块!始终将终端模块(例如 TERM)插入现场总线节点的末端,确保正确的数据传输。

对准凹槽

将 I/O 模块卡入到位

移除 I/O 模块
三、连接设备
笼式弹簧连接适用于单股导线、多股导线和细多股导线。每个笼式弹簧只能连接一根导线,如果超过一根导线,则必须汇成一点后再接入。
将工具插入接线处上方的开口,打开笼式弹簧。
将导线插入相应打开的连接端。
移除工具后即可将笼式弹簧关闭,导线即被弹簧牢固地卡住。

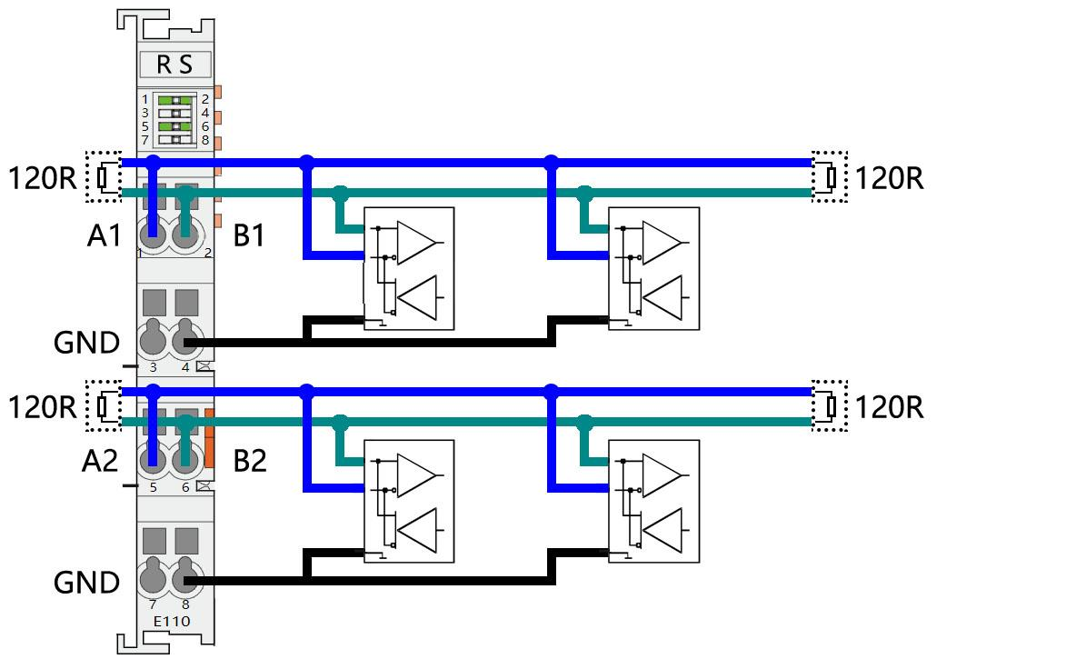
四、连接示例
- RS232 模式
在 RS232 模式下(点对点连接),无需终端电阻。由于最大允许电缆电容为 1500 pF,电缆长度可达最大约 40 m。

- RS485 模式
在 RS485 模式下(总线连接),对于使用较长的电缆或更高的传输速率的应用中应使用双绞线,电缆的两端应连接终端电阻,终端电阻值为 100Ω~120Ω。
注:对于低波特率或较短线路的 2 个或多个 M602X 接口模块之间的通信,不必使用终端电阻。

钡铼系列的I/O 模块是分布式 I/O 系统中的必备组件,适用于钡铼技术的所有现场总线耦合器,M602x通过高速背板总线与 EdgeI/O 控制器进行通信。

钡铼有多种类型的I/O板,用于测量和控制,可以满足工业领域的各种传感器、仪表、执行器!