随着 "双碳" 目标推进,越来越多企业、园区甚至家庭开始安装分布式光伏、储能系统。但不少用户遇到过这样的困扰:发电量忽高忽低,用电负荷一波动,并网系统就频繁跳闸;更麻烦的是,一旦出现 "倒送电"------ 也就是自家发的电反向流入公共电网,不仅可能触发电网保护机制,还得面临合规风险。其实,这些问题的核心,都指向一个关键环节:用户侧并网系统的防逆流控制。
一、为什么防逆流成了分布式并网发电系统的 "必答题"?
1)先搞清楚一个问题:为什么电网要严管 "倒送电"?
用户侧并网发电系统通常包括分布式光伏、风力发电和储能设备。这些系统在发电量超过用户自身用电需求时,若未加控制,多余的电倒送入网,会给配电网的负荷平衡、继电保护带来挑战,严重时可能导致局部电网电压异常,甚至影响其他用户的用电安全。
2)这也是为什么国家出台了明确的规范要求:
按《光伏发电接入配电网设计规范》(GB/T 50865-2013)规定,不可逆并网的光伏系统,必须装逆向功率保护设备;一旦检测到逆向电流超过额定输出的 5%,2 秒内就得自动降出力或停送。
新发布的《用户侧电化学储能系统接入配电网技术规定》(GB/T 43526-2023)也明确,不允许倒送电的储能系统,公共连接点必须具备逆向功率保护功能。
简单说:想装分布式发电?先解决防逆流问题,这是合规的 "入场券",也是系统安全运行的 "安全阀"。而防逆流功能的核心,是通过监测、调节和保护三重机制,确保电能单向流动------只进不出,保障电网稳定。
二、防逆流怎么实现?"软硬结合" 是核心
防逆流不是简单装个开关就行,而是需要 "软件柔性调节 + 硬件刚性保护" 的组合方案。具体怎么选,关键看两个因素:逆流监测点与并网柜的距离 ,以及实际应用场景(光伏、储能还是混合系统)。

1. 近距离场景(100m):单机版装置搞定
大多数中小型分布式项目 ,逆流监测点和并网柜之间的距离在100米以内,用AM5SE-IS 单机版防逆流保护装置方案,该装置针对单一监测点,最多5段低功率跳闸功能,响应速度快,支持35kV、10kV 及低压 380V 多种电压等级。

2. 远距离场景(100m - 40km):主从机方案更可靠
大型工业园区、分布式光储电站 ,逆流监测点和并网柜可能隔了几公里甚至几十公里,这时候就需要AM5SE-PV 系列主从机方案,通过光纤连接实现远程控制。
根据距离不同,方案又分两种 :
光纤直跳方案 :100m - 1.5km 主从机之间采用多模光纤(波长 850nm,ST 接口),1.5km-20km 主从机之间采用单模光纤(1310nm),20km-40km 主从机之间采用长距单模光纤(1550nm),,响应速度快,适合对时延敏感的场景。
单一逆流监测点:主机AM5SE-PVM与从机AM5SE-PVS组合,1台主机AM5SE-PVM最多带5台从机AM5SE-PVS,1台从机AM5SE-PVS只能跳1个跳闸点,1台主机AM5SE-PVM可以做8段低功率跳闸
多个逆流监测点,多个跳闸点:主机AM5SE-PVM与从机AM5SE-PVS2组合,1台主机AM5SE-PVM最多带5台从机AM5SE-PVS2,1台从机AM5SE-PVS2最多可以对应4台主机AM5SE-PVM,1台从机AM5SE-PVS2最多可以跳4个跳闸点(每个跳闸点离装置距离不超过50米),1台主机AM5SE-PVM可以做8段低功率跳闸;

双市电进线
GOOSE 通讯方案:选用主机AM5SE-PVM-GOOSE与从机AM5SE-PVS-GOOSE组合,通过光纤组通信网络,100m - 20km 主从机之间采用 1310nm 单模光纤(FC 接口),20km-40km主从机之间采用 1550nm 光纤,只需按防逆流监测点配置主机AM5SE-PVM-GOOSE数量,1个防逆流监测点1台A主机M5SE-PVM-GOOSE,1个从机AM5SE-PVS-GOOSE最多可以跳10个跳闸点(每个跳闸点离装置距离不超过50米),1台AM5SE-PVS-GOOSE可以做8段低功率跳闸;

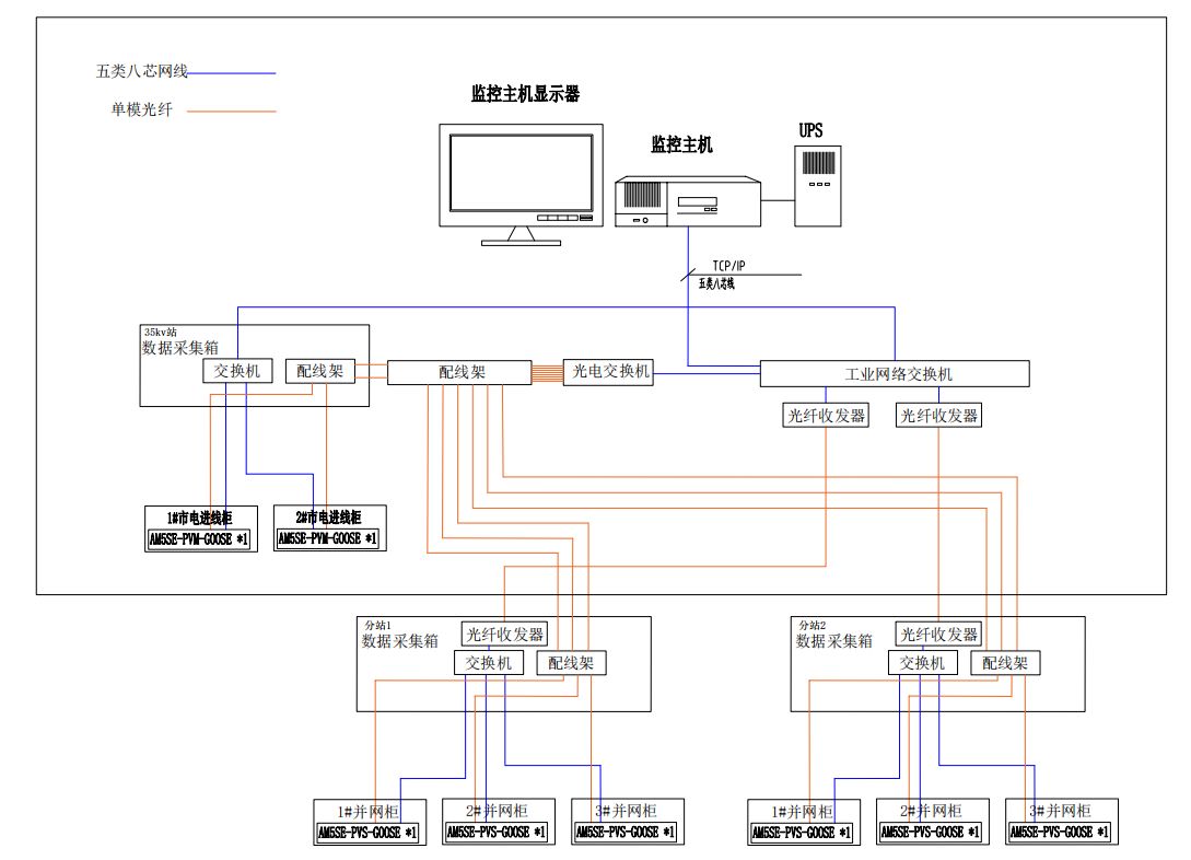
主从机通信组网光纤直连拓扑图

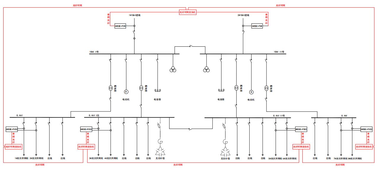
主从机通信组网借光纤环网交换机组光纤环网拓扑图
主从机方案的优势很明显:1 台主机最多能带 多 台从机,1 台从机最多能控制 多个跳闸点,还支持 8 段低功率保护 ------ 也就是说,能根据负荷变化分阶段调节发电量,避免 "一跳闸就全停",提升系统利用率。
三、系统拓扑:三层架构保障稳定运行

防逆流不是孤立的设备,而是融入整个并网系统的 "一环"。专业的用户侧并网系统,会按站控层、间隔层、设备层三层架构设计:
设备层:包括光伏组件、逆变器、储能柜、风力发电机等发电设备,以及防逆流保护装置、电能质量监测仪等二次设备,是数据采集的 "前端"。
间隔层:通过通信管理机和交换机,把设备层的实时数据汇总、传输,实现对单个 "间隔"(比如一个光伏阵列、一个储能单元)的本地控制。
站控层:在监控室配置监控主机、通信系统、对时系统,实现整个项目的统一监控和自动化管理,还能对接上级电网调度,满足合规要求。
另外,系统还会配一套 "一体化电源",给监控主机、保护装置等关键设备供电,哪怕电网停电,也能保证防逆流系统正常工作 ------ 毕竟极端情况下,防逆流才是 "最后一道防线"。
四、软件功能:让防逆流更 "智能"

不管是单机还是主从机方案,核心都离不开防逆流软件的 "智慧大脑"。这款软件能实现三大关键功能:
低功率柔性调节:提前设置低功率调节的功率阈值(该功率为用户侧公共电网的下网功率),当公共电网的下网功率较低,可能会有逆向功率产生,防逆流软件柔性调节,给用户侧并网发电系统的并网单元发送降低发电功率指令,防止逆向功率产生。
逆功率刚性跳闸:提前设置逆功率跳闸功率阈值(用户侧并网发电系统向公共电网反向供电的上网功率),当该上网功率触发阈值,软件向用户侧并网发电系统的并网单元发跳闸指令,切断并网单元,防止持续逆向供电。
功率恢复自动合闸:跳闸后,下网功率恢复正常阈值,且在功率恢复合闸时间内未恢复合闸,防逆流软件向跳闸的并网单元发合闸指令,自动恢复发电,不用人工操作,提高系统利用率,减少公共电网使用。
这种"预防-保护-恢复"的闭环控制,既保障安全,又最大化发电效益。同时软件还能实时显示光伏总功率、储能充放电功率、每个并网单元的实时功率,让运维人员随时掌握系统状态,相当于给防逆流装了 "眼睛" 和 "手脚"。
五、典型应用案例:覆盖多行业,实践验证可靠性
中船九院 34.8MW 分布式光伏项目:大型厂区光伏项目,监测点与并网柜距离跨度大,采用 AM5SE-PV 主从机方案,通过光纤直跳实现多区域防逆流,保障 34.8MW 大容量光伏安全并网。
寰宇东方 3.75MW/10.06MWh 储能项目:光储混合系统,用防逆流软件精准调节光伏出力和储能充放电,既避免倒送电,又最大化利用自发自用电量,降低企业用电成本。
红沿河核电站 6.04MW 分布式光伏项目:对安全性要求极高的场景,采用 "软件调节 + 硬件跳闸" 双重保护,配合三层架构的监控系统,实现零倒送电、零跳闸事故。
巨星养殖场 0.4kV 低压并网项目:小型低压项目,距离近,用 AM5SE-IS 单机版装置,成本低、安装简单,满足养殖场的光伏自用需求。
从几十 kW 的小型项目,到几十 MW 的大型电站;从纯光伏系统,到光储混合系统,这套防逆流方案都能适配 ------ 核心就是 "按需选型",不浪费、不将就。
结语:防逆流不是 "额外成本",而是 "长期收益"
很多用户觉得,装防逆流设备是 "多花钱",但实际上,合规的防逆流系统能避免因倒送电被电网处罚,减少频繁跳闸带来的发电损失,还能延长逆变器、储能等设备的寿命。
随着分布式发电越来越普及,电网对防逆流的要求只会更严。与其等出了问题再整改,不如一开始就选对方案 ------ 毕竟,安全并网、高效发电,才是分布式项目的核心价值。
如果你的项目正在规划或遇到防逆流难题,不妨对照文中的场景选型,或者咨询专业厂家,让防逆流系统真正成为分布式发电的 "守护神"。