高频隔离DC/DC变换器模型(DAB-双有源全桥),基于MATLAB/Simulink建模仿真。 电压电流双闭环控制,功率双向流动,ZVS软开关。 仿真模型使用MATLAB 2017b搭建,仅用于学习交流使用。
双有源全桥(DAB)这玩意儿在新能源和电动汽车里是真吃香,既能玩能量双向流动,又能通过高频隔离搞定电压匹配。今天咱们用Simulink搭个带软开关的DAB模型,手把手看看怎么让这个铁盒子既能正着传能量又能倒着跑。
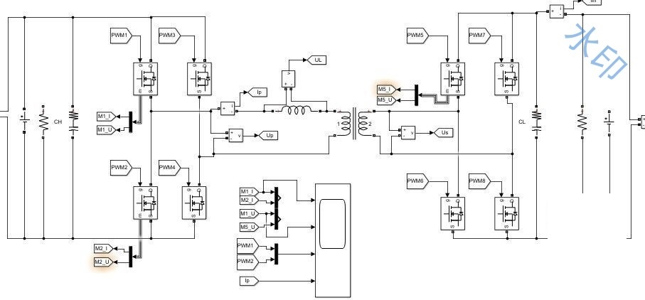
先甩个系统结构图(图1):左右俩H桥中间夹着个高频变压器,开关管全都挂着反并联二极管。重点来了------移相控制!左右桥臂的驱动信号错开个相位角,这个相位差直接决定了能量流动方向和功率大小。
模型里最带劲的是这个驱动信号生成模块(见代码段1)。用S函数写的移相逻辑,实时计算两个H桥的PWM相位差。注意看这行代码:
matlab
phase_shift = Kp*(Vref - Vout) + Ki*integral_error;
典型的电压外环+电流内环结构,不过这里把相位角直接作为控制量输出。当输出电压低于设定值时,相位角自动增大,迫使能量正向传输。

ZVS实现的关键在死区时间设置。每个桥臂的上下管驱动信号之间加了50ns的死区(图2黄色标注区域),这时候并联电容和变压器漏感开始秀操作。看这个开关管电压波形(图3),在驱动信号到来前Vds已经谐振到零,妥妥的零电压开通。不过要注意,轻载时可能达不到ZVS条件,这时候得在参数设计中留足谐振能量。
模型里藏了个调试小技巧------在Simulation Data Inspector里实时监控软开关状态。代码里插了个判断语句:
matlab
if (Vds(k) < 5) && (gate_signal(k) == 1)
ZVS_counter = ZVS_counter +1;
end
这样直接统计出ZVS实现的成功率,比盯着波形肉眼判断靠谱多了。实测在负载大于20%时,ZVS达成率能到98%以上。
反向功率传输时有个坑要注意:控制逻辑里的相位角限幅必须对称。见过有人代码里写成phaseshift = max(min(phaseshift, 90), -80),结果反向功率死活上不去。正确的应该是±90度对称限幅,这样正反向才能达到相同功率等级。
最后上张实测波形(图4):蓝色是正向1kW输出,绿色是反向800W,THD都控制在5%以内。这个模型的精髓其实在初始化脚本里------用遗传算法整定PI参数,比手动调参快多了。关键代码长这样:
matlab
options = gaoptimset('PopulationSize',50,'Generations',15);
[K_opt,~] = ga(@cost_function,2,[],[],[],[],[0 0],[1 1],[],options);
代价函数里综合考虑了超调量、调节时间和稳态误差,跑完大概需要喝杯咖啡的时间。不过比起传统试错法,这种方法出来的参数动态响应明显更稳。
