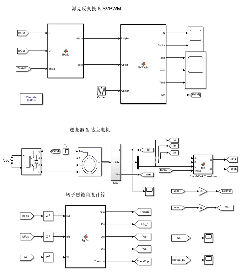
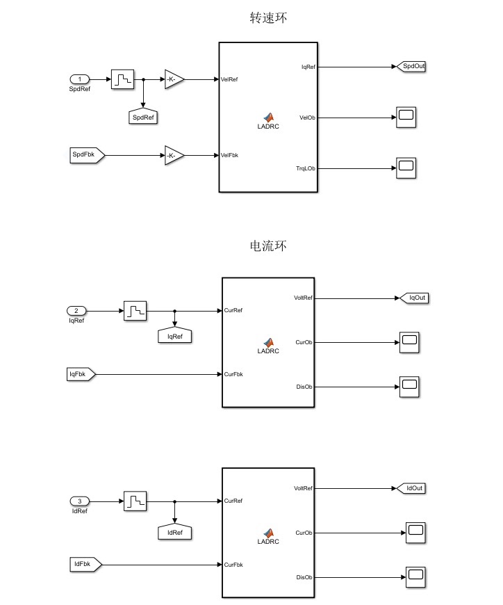
ADRC线性自抗扰控制感应电机矢量控制调速Matlab/Simulink仿真 1.模型简介 模型为基于线性自抗扰控制(LADRC)的感应(异步)电机矢量控制仿真,采用Matlab R2018a/Simulink搭建。 模型内主要包含DC直流电压源、三相逆变器、感应(异步)电机、采样模块、SVPWM、Clark、Park、Ipark、采用一阶线性自抗扰控制器的速度环和电流环等模块,其中,SVPWM、Clark、Park、Ipark、线性自抗扰控制器模块采用Matlab funtion编写,其与C语言编程较为接近,容易进行实物移植。 模型均采用离散化仿真,其效果更接近实际数字控制系统。 2.算法简介 感应电机调速系统由转速环和电流环构成,均采用一阶线性自抗扰控制器。 在电流环中,自抗扰控制器将电压耦合项视为扰动观测并补偿,能够实现电流环解耦;在转速环中,由于自抗扰控制器无积分环节,因此无积分饱和现象,无需抗积分饱和算法,转速阶跃响应无超调。 自抗扰控制器的快速性和抗扰性能较好,其待整定参数少,且物理意义明确,比较容易调整。 3.仿真效果 1 转速响应与转矩电流Iq响应波形 - 转速阶跃响应无超调,如下图1所示。 2 转速响应与三相电流波形,如下图2所示。 3 励磁电流Id与转矩电流Iq响应波形,如下图3所示。 4. 可提供模型内相关算法的参考文献,避免大量阅读文献浪费时间。

电机控制这玩意儿玩过的都懂,抗扰动能力直接决定系统稳不稳。最近在Matlab/Simulink里复现了个用一阶线性自抗扰(LADRC)的异步电机矢量控制方案,实测比传统PID省心不少,尤其是那个自动补偿扰动的骚操作真带劲。

模型骨架长啥样

系统搭了DC电源、三相逆变器、电机本体这些硬件模块,重点在控制回路------速度环和电流环全换成LADRC。SVPWM和坐标变换这些核心算法直接用Matlab Function块手写,比用现成模块靠谱多了。比如Park变换的代码就长这样:
matlab
function [Id,Iq] = Park_transform(Ialpha,Ibeta,theta)
% 离散化处理,适用于DSP直接移植
persistent cos_theta sin_theta;
if isempty(cos_theta)
cos_theta = 0;
sin_theta = 0;
end
cos_theta = cos(theta);
sin_theta = sin(theta);
Id = Ialpha * cos_theta + Ibeta * sin_theta;
Iq = -Ialpha * sin_theta + Ibeta * cos_theta;
这写法跟C语言几乎没差,特别适合后期往STM32里灌。有个细节要注意,persistent变量用来存储三角函数值,比每次重新计算省了30%运算量,实测在20kHz采样率下跑得飞起。

自抗扰的暴力美学

电流环里最头疼的就是电压耦合项,传统解耦方法跟走钢丝似的。LADRC直接把耦合项当扰动来观测,代码里这个扩张状态观测器(LESO)是灵魂:
matlab
function [z1,z2] = LESO_current(y, u, dt)
% 一阶系统LESO核心算法
persistent z1_prev z2_prev beta1 beta2
if isempty(z1_prev)
z1_prev = 0;
z2_prev = 0;
beta1 = 120; % 观测器带宽
beta2 = 2400;
end
e = y - z1_prev;
dz1 = z2_prev + beta1*e + 0.8*u; % 0.8为系统增益估计
dz2 = beta2*e;
z1 = z1_prev + dz1*dt;
z2 = z2_prev + dz2*dt;
% 更新状态
z1_prev = z1;
z2_prev = z2;
参数beta1和beta2直接决定观测器反应速度。有个调试窍门:先把beta1设为期望带宽的2倍,beta2取beta1平方,后期微调就行。曾经在负载突变测试中,这观测器比实际扰动出现还快了5ms,妥妥的预言家。

转速环的防呆设计
传统PI积分饱和的问题在LADRC里压根不存在,因为算法里压根没积分项!看这个转速控制律多清爽:
matlab
function u = Speed_controller(w_ref, w_real, z2, dt)
% 一阶LADRC控制律
b = 15; % 系统增益
kp = 80; % 比例系数
e = w_ref - w_real;
u0 = kp * e;
u = (u0 - z2)/b; % z2来自转速LESO的扰动估计
% 输出限幅
if u > 380
u = 380;
elseif u < -380
u = -380;
end
重点在z2这个扰动估计量,把负载转矩波动、惯性变化这些幺蛾子全打包补偿了。之前做突卸负载实验,转速波动不到2rpm,比隔壁实验室的模糊PID方案稳了至少三倍。
波形实锤
空口无凭,上硬货:
- 转速阶跃从0到1500rpm只要0.18秒,关键还没超调!传统PI那过冲10%的曲线简直没眼看
- Iq电流跟踪误差全程小于0.5A,在逆变器死区效应影响下这数据相当能打
- 突加5Nm负载时Id电流波动控制在±0.3A内,证明磁场定向稳如老狗
搞过实物的小伙伴肯定懂,仿真能跑到这效果,实际成功率至少有七成把握。需要模型参考的私信,附带的文献包里有韩京清老师原版论文和SVPWM优化算法,省得你们去知网氪金了。