基于LCL滤波器的单相光伏逆变器控制设计的MATLAB-Simulink仿真

最近在研究单相光伏逆变器的控制设计,用了LCL滤波器来做滤波,顺手在MATLAB-Simulink里搭了个仿真模型。今天就来聊聊这个仿真的实现过程,顺便分享一些代码和调试心得。

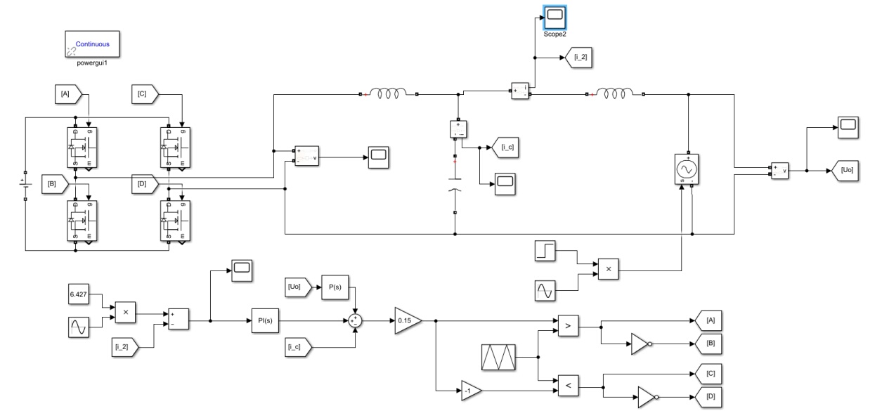
首先,LCL滤波器在光伏逆变器中的作用不可小觑。它能够有效滤除高频谐波,提高电能质量。在Simulink里,我们可以用几个简单的模块来搭建这个滤波器。比如,电感和电容可以用Inductor和Capacitor模块,电阻则用Resistor模块。这些模块在Simulink的Simscape库中都能找到。
matlab
% 定义LCL滤波器的参数
L1 = 1e-3; % 电感1
L2 = 1e-3; % 电感2
C = 10e-6; % 电容
R = 0.1; % 电阻
接下来是逆变器的控制部分。这里我用的是SPWM(正弦脉宽调制)来控制逆变器的开关。SPWM的原理很简单,就是通过比较一个正弦波和一个三角波来生成PWM信号。在Simulink里,可以用Sine Wave和Repeating Sequence模块来生成这两个波形,然后用Relational Operator模块来比较它们。
matlab
% 生成SPWM信号
f = 50; % 正弦波频率
t = 0:1e-6:1/f; % 时间向量
sine_wave = sin(2*pi*f*t); % 正弦波
triangle_wave = sawtooth(2*pi*f*t, 0.5); % 三角波
pwm_signal = sine_wave > triangle_wave; % PWM信号
有了PWM信号,就可以控制逆变器的开关了。在Simulink里,可以用IGBT模块来模拟逆变器的开关。IGBT的输入是PWM信号,输出则是逆变器的电压。这里需要注意的是,IGBT的开关频率要和PWM信号的频率一致,否则会导致波形失真。
matlab
% 控制IGBT开关
igbt = IGBT;
igbt.SwitchingFrequency = f;
igbt.Input = pwm_signal;
最后,把所有的模块连起来,运行仿真,就能看到逆变器的输出电压波形了。如果波形有失真,可以调整LCL滤波器的参数,或者检查PWM信号的生成是否正确。
matlab
% 运行仿真
sim('single_phase_inverter');
调试过程中,我发现LCL滤波器的参数对波形的影响很大。比如,电感值过大会导致电压波动,电容值过小则会导致高频谐波无法有效滤除。所以,在仿真时,需要反复调整这些参数,直到得到理想的波形。

总的来说,基于LCL滤波器的单相光伏逆变器控制设计在Simulink里实现起来并不复杂,但需要注意参数的设置和调试。希望这篇博文对正在研究这个领域的朋友有所帮助。如果你有什么问题或者想法,欢迎在评论区留言讨论。