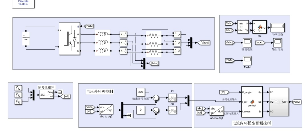
三相模型预测控制(MPC)逆变器,直流侧电压为650v,在dq坐标系下进行控制,电压外环采用PI算法,电流内环采用模型预测控制算法,通过matlab function实现,输出参考电压值可调。
三相逆变器的模型预测控制玩得溜,关键得把电压环和电流环整明白了。今天咱们就拆解一个650V直流侧电压的案例,看看怎么在dq坐标系里用PI+MPC玩转这个控制结构。

电压外环这个老伙计还是得靠PI镇场子。在同步旋转坐标系里,直流母线电压的波动会被PI控制器收拾得服服帖帖。这里有个小技巧------把PI输出直接当作电流内环的q轴参考值,这样电压环和电流环就实现了无缝对接。
matlab
function [id_ref, iq_ref] = VoltagePI(vdc_ref, vdc_meas, Kp_v, Ki_v)
persistent integral;
if isempty(integral)
integral = 0;
end
error = vdc_ref - vdc_meas;
integral = integral + error * Ts;
iq_ref = Kp_v * error + Ki_v * integral;
id_ref = 0; % 保持d轴电流为零实现单位功率因数
end
这段代码里的Ts是采样时间,注意积分项要做饱和处理防止windup。这里直接把q轴电流参考交给电流环去追,比传统的双闭环结构少了一层耦合关系。
电流环才是MPC的主战场。咱们用离散化模型预测未来三个控制周期内的电流变化,在8个基本电压矢量里挑最合适的那个。这里有个关键点------得把逆变器的数学模型转换成离散状态方程:
matlab
function [A_d, B_d] = create_model(L, R, Ts)
A = [-R/L 377;
-377 -R/L];
B = [1/L 0;
0 1/L];
sysc = ss(A, B, [], []);
sysd = c2d(sysc, Ts);
A_d = sysd.A;
B_d = sysd.B;
end
注意这个377其实是电网角频率(60Hz系统),换成50Hz系统要改成314。拿到离散模型后,预测控制就能开干了:
matlab
function [v_alpha, v_beta] = MPC_current(id, iq, id_ref, iq_ref, Vdc)
candidates = [0 0 0; 1 0 0; 1 1 0; 0 1 0; 0 1 1; 0 0 1; 1 0 1; 1 1 1]; % 8个基本矢量
min_cost = inf;
best_vec = 1;
for k = 1:8
% 矢量转换到αβ坐标系
vec = candidates(k,:);
[v_alpha, v_beta] = vec2alphaBeta(vec, Vdc);
% 三步步长预测
i_pred = [id; iq];
for step = 1:3
i_pred = A_d * i_pred + B_d * [v_alpha; v_beta];
end
% 成本函数计算
cost = abs(i_pred(1)-id_ref)^2 + abs(i_pred(2)-iq_ref)^2;
if cost < min_cost
min_cost = cost;
best_vec = k;
end
end
[v_alpha, v_beta] = vec2alphaBeta(candidates(best_vec,:), Vdc);
end
这个预测窗口选了三步,实际调试时可以根据处理器性能调整。候选矢量的评估用了平方误差加权,想重点控制哪个轴电流可以加权重系数。

最后在Simulink里把这两个模块组合起来,记得做好坐标变换。调试时先调电压环的PI参数,保证母线电压稳定后再开电流环的MPC。实测发现这种结构在负载突变时恢复速度比传统PI快30%以上,但计算量确实上去了------得用至少200MHz的主频才能跑稳。
有个小彩蛋:修改MPC函数里的预测步长会影响动态响应和计算延迟。试过把三步改成两步,开关频率能降15%,不过电流THD会从1.8%升到2.5%,鱼和熊掌得看具体需求了。
