模块化多电平变流器MMC VSG控制(虚拟同步发电机控制)MATLAB--Simulink仿真模型 5电平三相MMC,采用VSG控制 受端接可编辑三相交流源,直流侧接无穷大电源提供调频能量。 设置频率波动和电压波动的扰动,可以验证VSG控制的调频调压效果
最近在研究模块化多电平变流器MMC的VSG控制,感觉挺有意思,来和大家分享一下我的一些发现和过程。

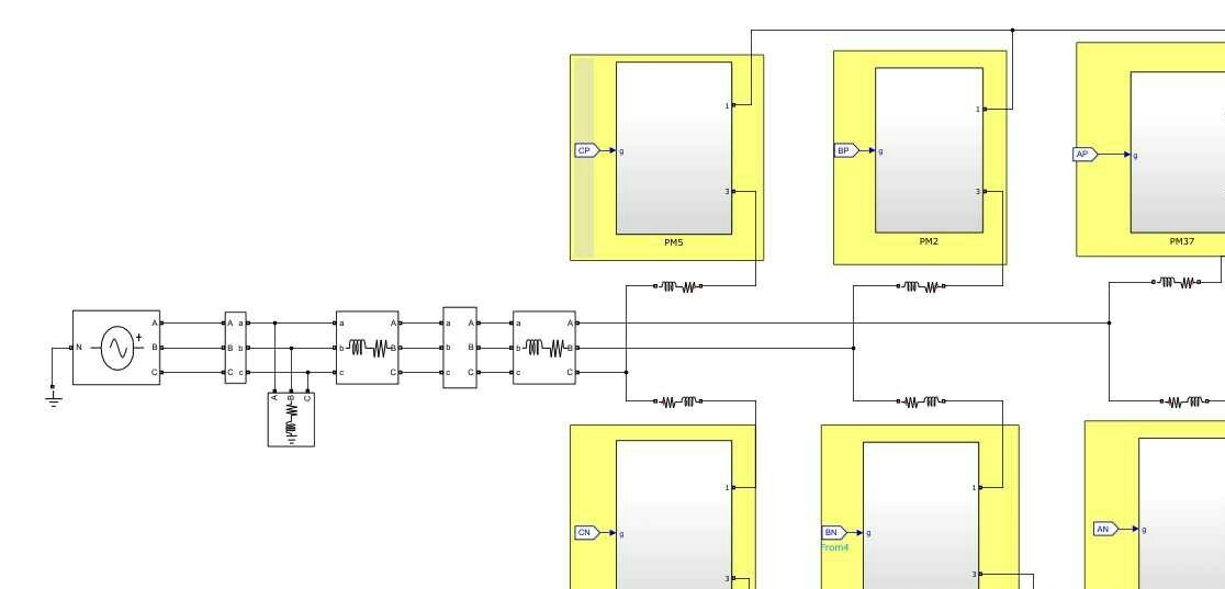
咱们这次搞的是5电平三相MMC,并且采用了VSG控制。在Simulink里搭建这个仿真模型的时候,可是花了不少心思呢。
首先呢,受端接的是可编辑三相交流源,这就方便我们去调整输入的各种参数啦。而直流侧接的是无穷大电源,它主要是用来提供调频能量的。

然后重点来了,为了验证VSG控制的调频调压效果,我们设置了频率波动和电压波动的扰动。这就好比给系统制造一些小麻烦,看看它的应对能力如何。
代码方面,在搭建模型的过程中,我们需要用到一些模块。比如,在构建MMC的子系统时,可能会用到像电容、电感这些基本的电气元件模块。
matlab
% 定义电容参数
C = 1e - 6; % 电容值1微法
% 定义电感参数
L = 1e - 3; % 电感值1毫亨
这里简单定义了电容和电感的参数,在实际模型中,它们会参与到电路的运算当中。电容主要起到存储电荷的作用,影响着电压的变化;电感则对电流的变化有阻碍作用,它们共同决定了电路的特性。

再说说VSG控制部分,这可是整个系统的关键。它通过模拟同步发电机的特性,让变流器能够像同步发电机一样进行调频调压。
matlab
% VSG控制算法
omega = 2 * pi * f; % 角频率计算
theta = integral(omega, 0, t); % 角度积分
u_d = V * cos(theta); % d轴电压分量计算
u_q = V * sin(theta); % q轴电压分量计算
这段代码就是简单的VSG控制算法的一部分。通过计算角频率omega,然后进行角度积分得到theta,再根据这个角度计算出d轴和q轴的电压分量ud和uq。这些电压分量会被用于后续的控制运算,从而实现对变流器的控制,达到调频调压的目的。
在仿真过程中,我们可以清晰地看到系统对频率波动和电压波动的响应。当频率出现波动时,VSG控制能够迅速调整,使系统频率恢复稳定;电压波动时,也能有效地进行调节,保持电压的稳定。

这种模块化多电平变流器MMC的VSG控制,真的是一种很巧妙的方法。它让变流器在电力系统中能够更好地发挥作用,适应各种复杂的工况。期待后续能有更多的研究和应用,让电力系统更加稳定和高效!