署名 浙江 方位

电路1是普通SALLEN-KEY形式的有源高通滤波器(不包括R3,Q1),其转折频率中心频点由C1,C2,R1,R2的取值决定。在转折频率以上的高频信号,滤波器给与顺利通过;在转折频率以下的低频信号,滤波器给与衰减。
当该滤波器反馈电阻R2的取值较小,使得电路Q值较高时,该高通滤波器会使得转折频率中心频点的信号幅度明显增强。在转折频率以上的高频信号,滤波器给与通过;而在转折频率以下的低频信号,滤波器会更加断崖式地衰减。
但是,电阻R2取值过小,可能使得电路不稳定或自激。给电路对地增加电阻R3及三极管Q1,则可以改变滤波器的Q值,使得滤波器转折频率中心频点的信号幅度受三极管Q1的控制。通过对Q1精确的控制,不但可以令电路稳定,还可以改变转折频率中心频点的信号增强幅度。而Q1的控制信号,可以从电路的大信号端(如喇叭信号端)经过衰减后获得。
不少音响厂家,也早已将这样的高通滤波器及控制闭合环路,用于功放的动态低频提升。使得功放的低频在小音量时有较好的提升。而在大音量时,功放的低频不提升或提升较少,避免了削波失真。这样的动态低音提升电路,各个厂家命名也不同。本人在维修音响时了解了部分电路,下面简介几个例子。
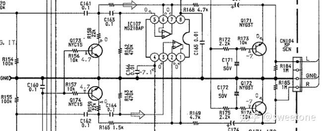
- SONY DBFB动态低音回馈电路 (参考机型 FH-G80)

该电路的有源高通滤波器,其转折频率中心频点由C1(C162),C2(C164),R1(R163),R2(R165)的取值决定。该滤波器反馈电阻R2(R165)的取值较小(1.5K),使得电路Q值较高时,该高通滤波器会使得转折频率中心频点的信号幅度明显增强。
电阻R3(R159)及三极管Q1(Q174)的导通程度,可以改变滤波器的Q值,使得滤波器转折频率中心频点的信号提升幅度受三极管 Q1(Q174)的控制。通过对Q1(Q174)精确的控制,不但可以令电路稳定,还可以改变转折频率中心频点的信号增强幅度。而Q1(Q174)的B极控制信号,是从电路的大信号端(喇叭信号输出端)经过衰减后获得。
- JVC AHB动态重低音 (参考机型FS-SD58V)

该电路的有源高通滤波器,其转折频率中心频点由C1(C1203),C2(C1204),R1(R1210),R2(R1206,R1208)的取值决定。该滤波器反馈电阻R2(R1206,R1208)的取值较小(8.2K),使得电路Q值较高时,该高通滤波器会使得转折频率中心频点的信号幅度明显增强。
电阻R3(R1207)及三极管Q1(Q1201)的导通程度,可以改变滤波器的Q值,使得滤波器转折频率中心频点的信号提升幅度受三极管 Q1(Q1201)的控制。通过对Q1(Q1201)精确的控制,不但可以令电路稳定,还可以改变转折频率中心频点的信号增强幅度。而Q1(Q1201)的B极控制信号,是从电路的大信号端(喇叭信号输出端)经过衰减后获得。
电路中的R1203,C1210,R1204,R1205,C1202,C1211,组成的均衡电路,也是起到提升高低音的作用。
3 AIWA DSL动态超低音(参考机型RX-S20)

该电路的有源高通滤波器,做了变形,其还具有均衡放大功能。R301,R299,C165和C163,R297是运放的均衡放大外接元件,用以放大信号并提升低频。
电路的有源高通滤波器,其转折频率中心频点由C1(C157),C2(C161),R1(R295),R2(R293)的取值决定。该滤波器反馈电阻R2(R293)的取值较小(4.7K),使得电路Q值较高时,该高通滤波器会使得转折频率中心频点的信号幅度明显增强。
电阻R3(R291)及三极管Q1(Q33)的导通程度,可以改变滤波器的Q值,使得滤波器转折频率中心频点的信号提升幅度受三极管 Q1(Q33)的控制。通过对Q1(Q33)精确的控制,不但可以令电路稳定,还可以改变转折频率中心频点的信号增强幅度。而Q1(Q33)的B极控制信号,是从运放电路的输出端,经过R303,C169------D57,R321等多个元件检波衰减后获得。
电路中的Q31是射极跟随器,起到避免音量,平衡电位器的调整影响低音提升电路的作用。
4 AIWA T-BASS动态超低音(参考机型NSX-D606)

T-BASS电路中的有源高通滤波器,做了变形,其还具有均衡放大功能。并具有T-BASS低音幅度选择功能。还具有低音正反馈增强电路(幅度受控)
-
低音正反馈增强电路:接在扬声器负极和地线之间的R257,R243与扬声器分压一部分音频信号,经过R239,C221低通滤波,取得的低音信号经过R231,C217输入功放芯片正输入端,信号幅度虽小,但是由于是正反馈,可以显著提升低音,不过幅度过大时有自激的可能,这就由动态低音电路来限制了。
-
均衡放大电路:R223,R221,C211和R219是运放的均衡放大外接元件,用以放大信号并提升低频。
3.电路的有源高通滤波器,其转折频率中心频点由C1(C205),C2(C207),R1(R217),R2(R215)的取值决定。该滤波器反馈电阻R2(R215)的取值较小(120欧姆),使得电路Q值较高时,该高通滤波器会使得转折频率中心频点的信号幅度明显增强。
电阻R3(R255)及三极管Q1(Q201)的导通程度,可以改变高通滤波器的Q值,使得滤波器转折频率中心频点的信号提升幅度受三极管 Q1(Q201)的控制。通过对Q1(Q201)精确的控制,不但可以令电路稳定,还可以改变转折频率中心频点的信号增强幅度。而Q1(Q201)的B极控制信号,是从功放电路的输出端,经过R252,R251------D204等多个元件检波衰减后获得。所以若低音正反馈增强电路过激励,使得功放输出低音幅度过大时,电路也通过对Q1(Q201)的控制将低音限制了。
4.T-BASS低音幅度选择功能:R203,R205,R207并联在三极管Q1(Q201)的CE极之间,CPU改变IC201内部电子开关的接入方式,就是改变三极管Q1(Q201)的CE极之间的阻值,也就是改变有源高通滤波器的Q值,改变转折频率中心频点的信号增强幅度。以此改变低音提升幅度。