LTspice中使用TI的OPA627,TI官网无LTspice的模型,只有Pspice的模型,直接导入会出现报错:
Expected device instantiation or directive here.
根据以上链接进行使用进行记录:
一、导入LTspice模型
1.1 下载LTspice模型
在ADI官网 https://www.analog.com/cn/products/ad827.html下载AD827运放的SPICE模型

1.2 导入LTspice生成Symbol
下载完成后,使用LTSPICE打开AD827.cir文件,并在文件的描述文件点击右键,创建Symbol


点击是,即创建完成,另存为可以查看到保存的路径:
C:\Users\user\AppData\Local\LTspice\lib\sym\AutoGenerated
1.3 重新绘制器件并修改引脚名称
可以根据文件提示的引脚数字更改引脚描述,使用Draw功能绘制一个并移动引脚:


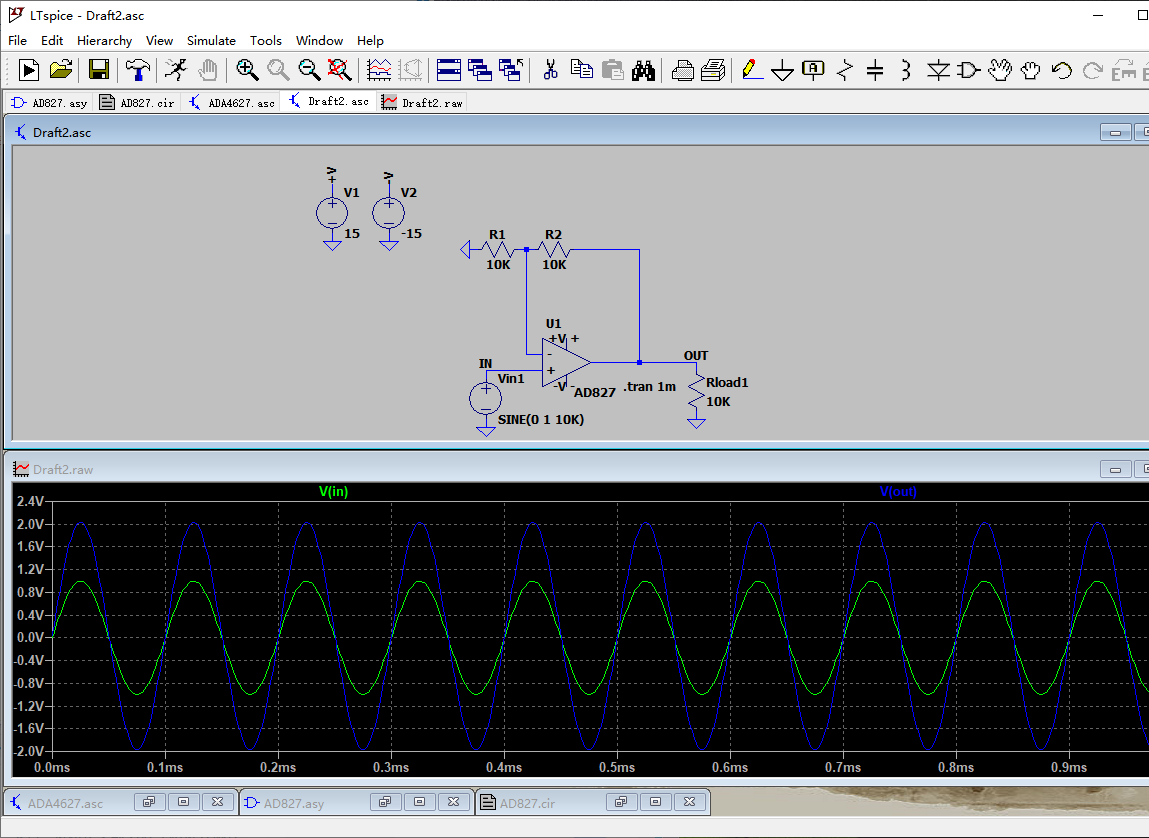
1.4 仿真测试
最后保存即可,使用时即可在AutoGenerated中找到

简单建立仿真,可发现器件可正常仿真

二、导入Pspice模型
一般TI的器件仅提供Pspice的模型,如果继续使用LTspice仿真则需要,将Pspice的模型导入LTspice中
2.1 下载Pspice模型
在TI官网下载OPA627运放的Pspice模型

2.2 导入LTspice生成Symbol
打开并找到OPA627.LIB文件,使用LTspice打开

生成双击名称并点击右键生成Symbol

另存为可以查看保存的路径

2.3 重新绘制器件并修改引脚名称
根据引脚定义绘制器件

2.4 仿真测试
