NX6802是一款立体声数模转换芯片,内含插值滤波器、multi-bit数模转换器、差分输出模拟滤波。NX6802支持大部分的音频数据格式。
NX6802基于一个带线性模拟低通滤波器的四阶multi-bit Δ-Σ调制器,而且本芯片可以通过检测信号频率和主时钟频率,在2kHz 200kHz 之间自动调节采样率。

(一) NX6802 主要特性
① Muti-bit ΔΣ调制器
② 24bit D/A 转换器
③ 4通道
④ 自动检测最大到192kHz 的信号频率
⑤ 90dB 动态范围
⑥ -90 dB总谐波失真
⑦ 低时钟抖动敏感度
⑧ 线性滤波输出
⑨ 封装形式:QFN28
(二) NX6802 应用领域
NX6802可以工作在3.3V和5V下,这些特性使它成为音箱、数码类电子设备等无线设备的理想选择,在数字通讯设备、汽车音响系统、DVD 音频系统等设备中,也有广泛的应用前景。
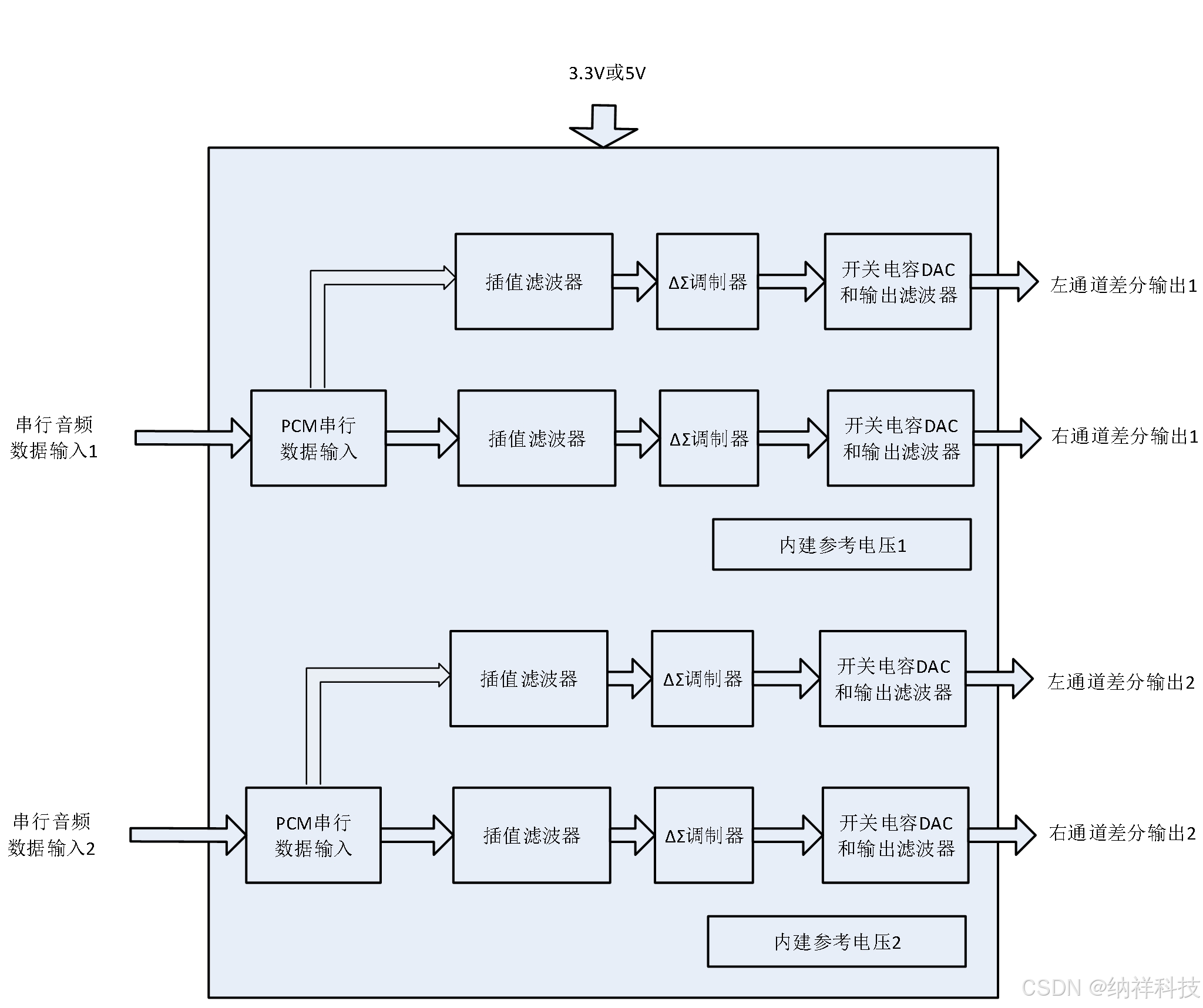
(三)NX6802管脚配置

(四)NX6802内部框图

(五)NX6802极限参数
