光伏MPPT仿真-扰动观察法,仿真模型,可替换自建光伏电池,有Video explanation()

在光伏系统中,最大功率点跟踪(MPPT)技术至关重要,它能让光伏电池始终以最大功率输出,提升发电效率。今天咱们就聊聊其中的扰动观察法,以及对应的仿真模型构建,还会提到自建光伏电池替换的事儿。
扰动观察法原理
扰动观察法的核心思想就是通过不断改变光伏电池的工作点,观察功率的变化方向,以此来调整工作点,让其朝着最大功率点靠近。打个比方,就像是在一个斜坡上找最高点,你每次往一个方向跨一步,看看是在往上走还是往下走,然后决定下一步往哪跨。

在代码实现上,大致逻辑如下(以Python为例):
python
# 假设已经获取到当前的电压和电流,计算功率
def calculate_power(voltage, current):
return voltage * current
# 扰动观察法核心代码部分
def perturb_and_observe(previous_voltage, previous_current, step_size):
new_voltage = previous_voltage + step_size
new_current = measure_current(new_voltage) # 这里假设measure_current函数能根据电压测量出电流
previous_power = calculate_power(previous_voltage, previous_current)
new_power = calculate_power(new_voltage, new_current)
if new_power > previous_power:
# 说明扰动方向正确,继续沿此方向扰动
return new_voltage, new_current
else:
# 扰动方向错误,反向扰动
return previous_voltage - step_size, measure_current(previous_voltage - step_size)
这段代码中,calculatepower**函数负责计算功率。perturb and_observe函数实现了扰动观察法的核心逻辑,先进行一次电压扰动,测量新电压下的电流,计算新旧功率进行比较,从而决定下一步的扰动方向。
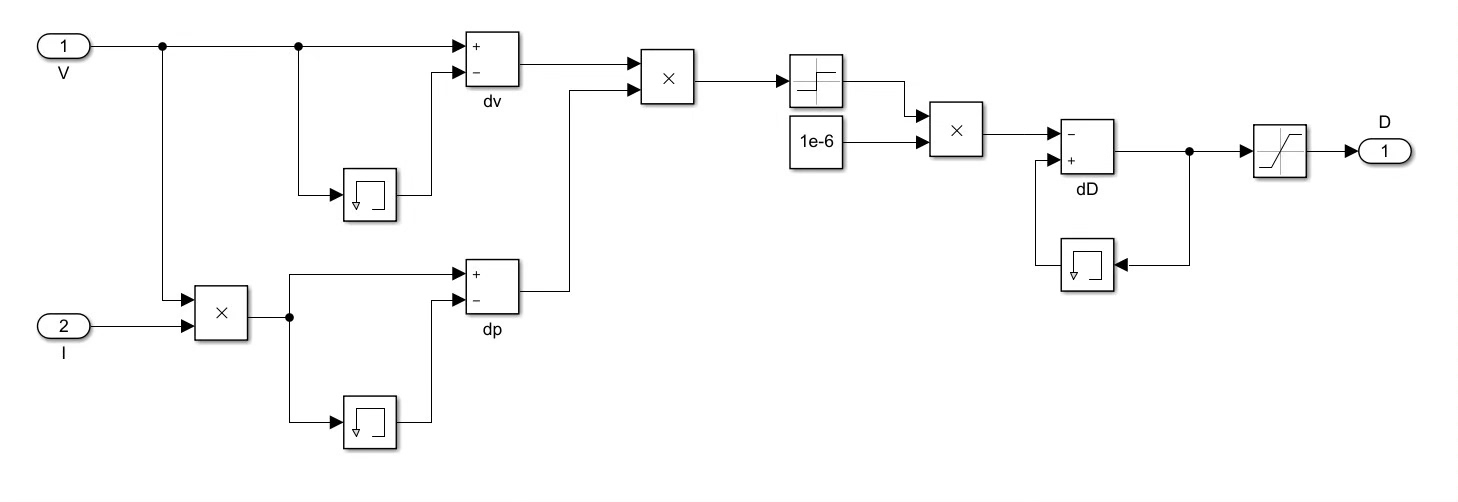
仿真模型搭建
搭建仿真模型时,我们可以利用像MATLAB这样的工具。在MATLAB的Simulink环境中,我们可以构建一个简单的光伏系统模型。首先,搭建光伏电池模块,这里可以使用自带的光伏电池模型,也可以自建模型替换。

如果要自建光伏电池模型,我们需要考虑光伏电池的物理特性,比如光照强度、温度对其输出特性的影响。代码实现(MATLAB语言)可能如下:
matlab
% 自建光伏电池模型简化代码
function [I] = custom_pv_cell(V, irradiance, temperature)
% 一些常量定义
q = 1.6e-19; % 电子电荷
k = 1.38e-23; % 玻尔兹曼常数
T0 = 298; % 参考温度
I0 = 1e-9; % 反向饱和电流
n = 1.5; % 理想因子
Rs = 0.1; % 串联电阻
Rsh = 1000; % 并联电阻
% 温度修正
Eg0 = 1.12; % 禁带宽度
Eg = Eg0 - 0.00026 * (temperature - T0);
VT = k * temperature / q;
% 计算光生电流
Iph = irradiance * (1 + 0.0025 * (temperature - T0));
% 计算输出电流
I = Iph - I0 * (exp((V + I * Rs) / (n * VT)) - 1) - (V + I * Rs) / Rsh;
end
在这个自建光伏电池模型代码中,根据光伏电池的物理原理,考虑了光照强度、温度、电子特性等因素来计算输出电流。

光伏MPPT仿真-扰动观察法,仿真模型,可替换自建光伏电池,有Video explanation()

然后,我们将扰动观察法的控制逻辑嵌入到仿真模型中,通过不断调整光伏电池的工作电压,实现最大功率点跟踪。
可替换自建光伏电池
使用自建光伏电池模型替换默认模型,能够更贴合实际应用场景。因为不同的光伏电池有不同的特性,自建模型可以根据实际电池的参数进行调整,使得仿真结果更加准确。
在仿真模型中替换时,只需要将原有的光伏电池模块接口替换为自建光伏电池函数的调用即可。例如在MATLAB Simulink中,通过编写S函数来封装自建光伏电池模型,然后在模型中连接相应的输入输出端口,就能轻松实现替换。
最后,如果想要更直观地理解这个过程,Video explanation能帮上大忙。通过视频展示仿真过程中各个参数的变化,比如电压、电流、功率随时间的变化曲线,能让人更清晰地看到扰动观察法是如何一步一步找到最大功率点的。
总之,通过扰动观察法实现光伏MPPT,并构建灵活可替换自建光伏电池的仿真模型,对于深入理解光伏系统运行机制和优化设计都有很大帮助。希望大家在实践中能不断探索,挖掘更多光伏应用的可能性。