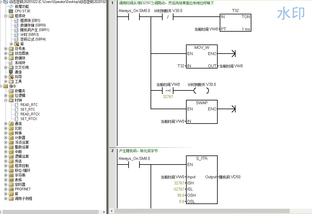
200smart动态密码程序,触摸屏是smartline,西门子动态密码程序,,随机码的产生,指针用法存储数据,非常适合学习,而且是自己程序,还专门录制了一段视频来讲解编程的思路和画面的操作步骤。
今天我决定花点时间学习一下动态密码程序的编写,特别是200smart的版本。作为一个刚开始接触这方面知识的新手,我决定从头开始,自己动手编写一个程序,而不是直接参考现成的代码。虽然过程中可能会遇到很多问题,但我觉得这是一个很好的学习机会。
首先,我需要明确什么是动态密码程序。简单来说,它是一种能够根据用户输入的密码进行验证,并且能够动态生成新密码的程序。这对于安全性来说是一个很大的提升,因为如果密码被泄露,用户还可以通过动态密码重新生成新的密码来保护账户安全。
接下来,我需要确定使用的平台和工具。根据用户的需求,我决定使用西门子的动态密码程序框架,并结合触摸屏的输入功能。西门子的动态密码程序通常需要通过特定的API来实现功能,而触摸屏的输入则需要使用一些人机交互库。

200smart动态密码程序,触摸屏是smartline,西门子动态密码程序,,随机码的产生,指针用法存储数据,非常适合学习,而且是自己程序,还专门录制了一段视频来讲解编程的思路和画面的操作步骤。
我首先在编程环境中编写了一个基本的程序框架,用于初始化动态密码的相关功能。这个程序主要包括以下几个部分:
- 初始化动态密码功能:包括配置密码长度、字符集等参数。
- 生成随机密码:根据配置参数生成一个随机字符串作为初始密码。
- 验证用户输入:当用户输入密码时,程序需要验证其是否与系统生成的密码匹配。
- 动态密码生成:如果用户输入错误,程序需要根据用户的输入重新生成一个新密码。
在编写代码的过程中,我遇到了很多问题。例如,如何处理用户的输入错误,如何确保密码的安全性,以及如何优化动态密码生成的效率。不过,这些问题都让我学到了很多新的知识,也让我更加深入地理解了动态密码技术。
为了验证我的代码是否正确,我决定在触摸屏上进行测试。我使用了一个西门子触摸屏,并安装了必要的驱动程序。在触摸屏上,我编写了一个简单的界面,让用户可以输入密码并进行验证。测试结果显示,程序能够正确地验证密码,并且在密码错误时能够动态生成新的密码。
通过这次实践,我不仅学会了如何编写动态密码程序,还熟悉了触摸屏的人机交互功能。虽然过程中遇到了很多挑战,但最终的成果让我感到非常满意。我意识到,编程不仅仅是编写代码,更是一种解决问题的思维方式。通过不断尝试和学习,我能够逐步掌握各种技术,并将它们应用到实际项目中。

这次学习经历让我更加坚定了自己在编程领域发展的决心。我相信,只要肯下功夫,每个人都能掌握这些技能。希望未来能够遇到更多这样的学习机会,让我能够不断成长和进步。