简介
消费类应用是现代 DC/DC 变换器需求的主要驱动力。 在这类应用中,功率电感主要被用于电池供电设备、嵌入式计算,以及高功率、高频率的 DC/DC 变换器。了解电感的电气特性对于设计紧凑型、经济型、高效率、并具备出色散热性能的系统至关重要。
电感是一种相对简单的元件,它由缠绕在线圈中的绝缘线组成。但当单个元件组合在一起,用来创建具有适当尺寸、重量、温度、频率和电压的电感,同时又能满足目标应用时,复杂性就会增加。
选择电感时,了解电感数据手册中标明的电气特性非常重要。 本文将提供指导,帮助您为解决方案选择合适电感,同时阐明如何在设计新型 DC/DC 变换器时预测电感性能。
电感是什么?
电感是一种电路元件,它可以在自身磁场中储存能量。电感通过储存将电能转换为磁能,然后向电路提供能量以调节电流。当电流增加,磁场就会增强。图 1 展示了电感模型。

图1: 电感的电气模型
电感是采用绝缘线绕成线圈形成的。线圈可以是不同的形状和尺寸,也可以使用不同的芯材缠绕。
电感的大小则取决于匝数、磁芯尺寸和磁导率等多种因素。图 2 显示了关键的电感参数。

图2: 电感参数
表 1 显示了如何计算电感 (L)。
表1: 计算电感(L)
|----------------------|------------------|---------------|
| 公式 | 参数 | 参数描述 |
| L = μ₀μᵣ × A /l × N² | µ = µr µ0 | 磁导率 |
| L = μ₀μᵣ × A /l × N² | µr | μᵣ:磁芯相对磁导率 |
| L = μ₀μᵣ × A /l × N² | μ₀ = 4π×10⁻⁷ H/m | 磁场常数(真空磁导率) |
| L = μ₀μᵣ × A /l × N² | A | 磁芯有效截面积,单位 m² |
| L = μ₀μᵣ × A /l × N² | l | 磁路平均长度,单位 m) |
| L = μ₀μᵣ × A /l × N² | N | 线圈匝数 |
物理意义:电感与匝。
下面,我们将详细描述常见的电感参数。
磁导率
磁导率是材料响应磁通量的能力,也表明了在施加的电磁场中有多少磁通量可以通过电感。表2显示了磁导率对磁通密度(B)的增强。
表 2:计算磁通密度 (B)
|--------|--------|-------------------|
| 公式 | 参数 | 参数描述 |
| B=µ×H | µ | 介质的磁导率 |
| B=µ×H | H | 磁场(取决于几何形状、匝数和电流) |
从表 2可以看出,磁通量的浓度取决于磁芯的磁导率和尺寸。
图 3 显示了一个没有磁芯的线圈。

图3: 空心线圈
空心线圈的磁导率为常数值(µr air),大约等于 1。
图 4 显示了一个带磁芯的电感。当然,有磁芯时,磁场会增强。

图4: 带磁芯的电感
不同磁芯材料的典型磁导率不同。 表 3 列出了三种不同芯材的磁导率。
表 3:磁芯磁导率
|---------------------|------------------------------|-------------------|
| 芯材 | 符号 | 磁导率 |
| 铁 | µr FEBASED | 50 至 150 |
| 镍锌 | µr NiZn | 40 至 1,500 |
| 锰锌 | µr MnZn | 300 至 20,000 |
| 铁硅铝(Sendust/FeSiAl) | μᵣ FeSiAl | 20 至 160 |
| 铁硅(FeSi) | μᵣ FeSi | 15 至 35 |
| 铁镍(MoNi/High Flux) | μᵣ High Flux | 14 至 200 |
| 非晶 / 纳米晶 | μᵣ Amorphous/Nanocrystalline | 几百 至 数万(视退火与绕制条件) |
电感值 (L)
电感将感应的电能存储为磁能的能力通过电感值来体现。在开关输入电压驱动电感的同时,电感要为输出负载提供恒定的直流电流。
表 4 显示了电流和电感电压之间的关系。 可以看出,电感两端的电压与电流随时间的变化成正比。
表 4:计算电感压降
|-----------------|--------|----------|
| 公式 | 参数 | 参数说明 |
| v = L × (di/dt) | v | 电感两端的压降 |
| v = L × (di/dt) | di/dt | 电流变化率 |
首先,确定设计需要的电感范围。要注意,电感值在整个工作条件下并不是恒定的, 它会随着频率的增加而变化。因此,对具有更高开关频率的应用,需要特殊考量。电感制造商通常在 100kHz 至 500kHz 的频率下测试电感,因为大多数 DC/DC 变换器都在此范围内工作。
电阻 (R)
电感的电流电阻会导致散热,从而影响效率。总铜损中包含了 RDC 损耗和RAC 损耗。 RDC 与频率无关,始终恒定;RAC 则取决于频率。表 5 显示计算 RDC的方法。
表 5:计算铜线 RDC
|------------------|--------|----------|
| | 参数 | 参数说明 |
| R_DC = ρ × (l/A) | ρ | 电阻率 |
| R_DC = ρ × (l/A) | I | 长度 |
| R_DC = ρ × (l/A) | A | 横截面面积 |
降低铜损的唯一方法是增大导线面积,即改用较粗的导线,或使用扁线。采用扁线可以使绕组窗口;l]较低的 RDC。表 6 所示为圆线与扁线的横截面积比较。
表 6:圆形与扁线的横截面积比较
|-----------------|----|---------------------------------------------------------------------------------|---------------------------------------------------------------------------------|----------------------------|
| 尺寸 | 线的类型 || 比较 | 横截面积 |
| 直径1mm | 圆线 |
|
| AROUND=πr2=π×0.52=0.785mm2 |
| 1mm x 1mm (宽/厚) | 扁线 |
|
| AFLAT=1×1=1mm2 |
表 7对圆线和扁线的特性进行了比较。
表 7:圆线与扁线的特性比较
|---------------------------------------------|-----------------------------------------------------------|
| 圆线 | 扁线 |
| * 电感值更高 * 电阻(RDC)更高 * 横截面较小 * 匝数可以更多 * 电流较小 | * 绕组面积有限,降低了最大电感值 * 电阻(RDC)较低 * 绕组窗口可以被完全利用 * 匝数较少 * 电流更高 |
使用公式 (1) 可以估算电感的直流铜损 (PDC):
P_DC = I_DC^2 × R_DC
(PAC)铜损则取决于 RAC,它是由频率驱动的邻近效应和趋肤效应引起的。频率越高,PAC 铜损越高。
磁芯损耗
通常情况下,铁磁材料已可以满足磁芯电感所需的磁特性。根据磁芯材料的不同,电感的相对磁导率在 50 至 20000 之间。
当施加磁场时,这种材料的磁畴结构会产生反应; 而没有磁场时,磁矩方向是随机的。当磁能量变化时,会产生磁芯损耗。磁畴沿磁场方向定向磁矩。随着磁畴的扩大和缩小,部分磁畴会卡在晶体结构中。一旦卡住的磁畴能够旋转,能量就会以热量的形式消散。
纹波电流 (∆IL)
纹波电流 (∆IL) 指一个开关周期内电流的变化量。
电感在其峰值电流范围之外可能无法正常工作。电感的纹波电流通常设计为在 IRMS的 30% 至 40% 范围之内。
图 5 所示为电感电流的波形。

图5: 电感电流波形
额定电流 (IDC, IRMS)
额定电流是指使电感温度升高规定的量所需的直流电流。温升 (ΔT) 不是一个标准值,但通常在 20K 至 40K 之间。
额定电流在环境温度下测量得到。其值通常在电感数据手册中提供,是最终应用的预期电流值。对于环境温度较高的应用,设计人员应选择自热温度较高的电感。
图 6 体现了温升与额定电流之间的关系。该曲线可用于确定任意温升对应的电流值。

图6: 电感的额定电流曲线
这里的 20K 至 40K 指的是温升(ΔT)的范围,单位是开尔文(Kelvin, K),也可以理解为摄氏度(℃),因为温升是温度变化量,两者数值相等。
具体来说:
- K(开尔文):是热力学温度单位,用于表示温度变化量时,1K 的变化量等于 1℃ 的变化量。
- 温升(ΔT):指电感在通入额定直流电流后,其自身温度相对于环境温度的升高值。
- 行业惯例:在电感的规格书中,额定电流(IDC)通常定义为使电感温升达到 20K 至 40K 时所对应的直流电流值。这是一个经验范围,用于平衡电感的散热能力、体积和成本。
所以,"通常在 20K 至 40K 之间" 是指:在定义电感的额定电流时,行业内普遍采用的温升标准是 20℃ 到 40℃。
-
TOP
:指电感的工作温度(Operating Temperature),也就是电感在实际工作时,其内部或表面达到的最终温度。
-
TAMB
:指环境温度(Ambient Temperature),即电感所在空间的环境温度(比如机箱内、PCB 周围的空气温度)。
-
ΔT
:指温升(Temperature Rise),即电感在通电工作时,因为自身损耗(铜损、磁芯损耗等)产生热量,导致自身温度比环境温度高出的数值。
TOP 可以通过公式 (2) 来估算:
TOP=TAMB+ΔT
这是一个线性叠加公式:电感的最终工作温度 TOP,等于环境温度 TAMB 加上自身发热产生的温升 ΔT。
给定额定电流是估计电感温升的最佳方法。温升还受电路设计、PCB 布局、与其他组件的接近程度以及走线尺寸和厚度的影响。电感芯体和绕组中产生的过量交流损耗也可能导致额外的热量。
如果需要较低自发热,则需选用封装尺寸较大的电感。
饱和电流 (ISAT)
饱和电流额定值是指,在标称电感下降规定的百分比之前,电感可以支持的直流电流。
每个电感的参考百分比电感下降值都是唯一的。通常,制造商将该值设置在 20% 到 35% 之间,这会使电感的比较变得很困难。但数据手册通常会提供一条曲线,显示电感如何随直流电流变化。利用这条曲线可以衡量整个电感范围,以及它如何响应直流电流。
直流饱和电流取决于温度和电感磁性材料及其磁芯结构。不同的结构和磁芯都会影响ISAT值。
铁氧体磁芯是最常见的,其特点是具有硬饱和曲线(见图 7)。确保电感不会在感量下降点之外工作至关重要;因为超过该点,感量会急剧下降,功能性也会降低。
合成塑封电感在温度变化时感量下降稳定,具有软饱和特性。由于其感量逐渐下降,因此可以为设计人员提供了更大的灵活性和更宽的工作范围。
图 7 显示了两条饱和曲线。蓝色曲线为典型的合成塑封电感软饱和示例;红色曲线为典型的 NiZn/MnZn 鼓芯电感硬饱和示例。

图7: 电感饱和电流曲线
小感量(或大封装尺寸)的电感可以处理更高的饱和电流。
自谐振频率和阻抗
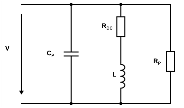
电感的自谐振频率 (fR) 是电感与其自电容谐振的最低频率。在谐振频率之下,阻抗处于最大峰值,有效电感为零。图 8 显示了电感的电路模型。

图8: 电感电路模型
电感在谐振频率 (fR)之前具有电感特性(如图 9 中的蓝色曲线所示),因为频率增加,阻抗增高。在谐振频率下,负容抗 (XC) 等于正感抗 (XL), ,其值可通过公式 (3) 估算:
XL=XC→jωL=1jωC
超过谐振频率之后(如图 9 中的红色曲线所示),电感则显现出阻抗减小的电容特性。超过这一点之后,电感也不会按预期工作。
图 9 显示了感量与频率之间的关系。

图9: 感量和频率之间的关系
选择具有高性价比的紧凑型电感
了解了电感数据手册中每个参数的基本含义,就可以很容易地选择到够用的电感。 但如果了解了每个参数中隐藏的细节,就可以为 DC/DC变换器应用选择最理想的电感,同时预测在不同条件下的系统性能。
一次成型塑封电感系列则提供软饱和功能,在高工作温度下具有更稳定的行为。这些一体成型的电感具有低直流和交流电阻,可以处理大电流。而且,塑封结构还降低了交流电和脉冲波频率产生的可闻噪声。我们可以根据以下标准来选择最理想的电感:
结论
市场上针对不同应用的电感种类花样繁多,选择一款最适合的电感不是一件容易的事。例如,感值大的电感可降低 DC 损耗并提高效率,但它们的物理尺寸更大,并且温度更高。
没有一款电感是万能的,了解每个电感的参数以及不同参数之间的关系非常重要,它可以帮助设计人员确定一款电感是否适合特定的 DC/DC 应用。