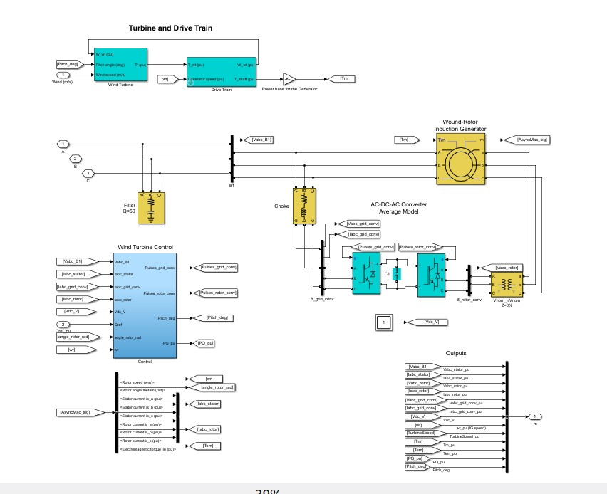
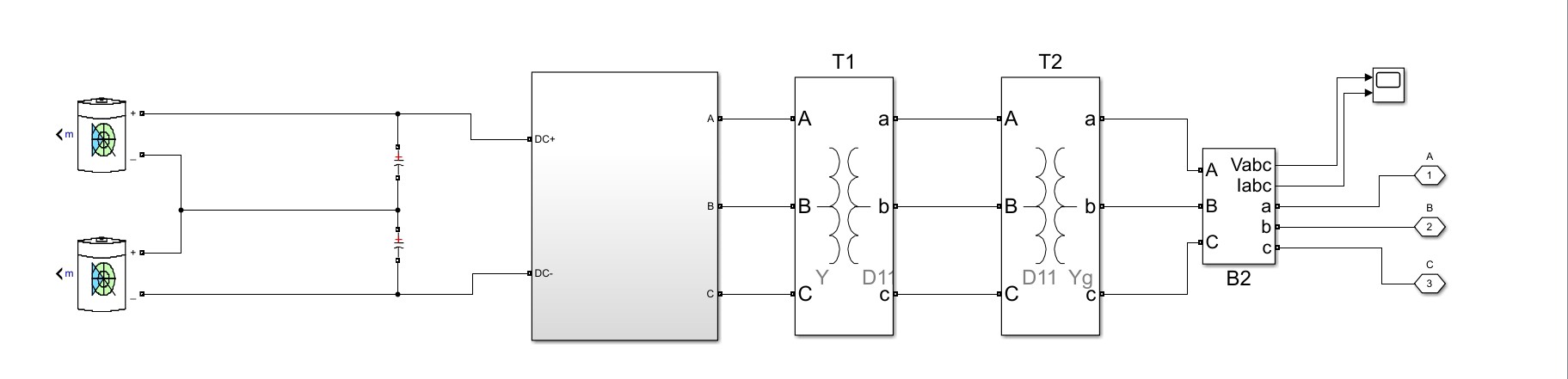
MATLAB Simulink中搭建的双馈风机和锂离子电池并网仿真模型,双馈风机采用双闭环矢量控制策略,储能系统采用双向DC/DC和PQ矢量控制策略,可以稳定并网运行,并按照设定功率给定值发出功率。 图为仿真总图和部分封装分图以及运行的波形,由于分图较多,图片只显示一小部分。

在电力系统仿真领域,MATLAB Simulink 一直是工程师和研究人员的得力工具。最近我搭建了一个超有趣的模型------双馈风机和锂离子电池并网仿真模型,今天就来和大家唠唠这里面的门道。
双馈风机的双闭环矢量控制策略
双馈风机采用的双闭环矢量控制策略,简直就是它稳定运行的"魔法咒语"。在 Simulink 里,我们就像搭建乐高一样,通过各个模块组合实现这个策略。

简单来说,双闭环分别是电流环和速度环。电流环主要负责精确控制定子和转子电流,确保电机的高效运行。速度环则像一个"速度指挥官",让风机的转速紧紧跟随我们设定的目标值。

这里简单上一段伪代码示意下电流环的控制思路(实际 Simulink 用模块实现,这只是辅助理解):
matlab
% 假设已经获取到实际电流和目标电流
actualCurrent = getActualCurrent();
targetCurrent = getTargetCurrent();
% 计算电流误差
currentError = targetCurrent - actualCurrent;
% PI控制器调节
Kp = 0.5;
Ki = 0.1;
integralError = integralError + currentError * dt;
controlSignal = Kp * currentError + Ki * integralError;
在这段代码里,通过计算电流误差,再利用 PI 控制器,我们得到一个控制信号,这个信号就像给电机的"行动指令",去调整电机的运行状态,使得实际电流尽可能接近目标电流。
储能系统的双向 DC/DC 和 PQ 矢量控制策略
储能系统这边也不简单,采用双向 DC/DC 和 PQ 矢量控制策略。双向 DC/DC 变换器就像一个"电力桥梁",连接着锂离子电池和电网,实现电能在两者之间的双向流动。

MATLAB Simulink中搭建的双馈风机和锂离子电池并网仿真模型,双馈风机采用双闭环矢量控制策略,储能系统采用双向DC/DC和PQ矢量控制策略,可以稳定并网运行,并按照设定功率给定值发出功率。 图为仿真总图和部分封装分图以及运行的波形,由于分图较多,图片只显示一小部分。

PQ 矢量控制策略则是让储能系统能根据电网的需求,精准地输出或吸收有功功率(P)和无功功率(Q)。
下面这段伪代码模拟下 PQ 控制的部分逻辑:
matlab
% 获取电网需求的有功和无功功率
targetP = getTargetActivePower();
targetQ = getTargetReactivePower();
% 计算功率误差
activePowerError = targetP - getActualActivePower();
reactivePowerError = targetQ - getActualReactivePower();
% 同样通过PI控制器调节
KpP = 0.3;
KiP = 0.05;
KpQ = 0.4;
KiQ = 0.08;
integralActiveError = integralActiveError + activePowerError * dt;
integralReactiveError = integralReactiveError + reactivePowerError * dt;
controlSignalP = KpP * activePowerError + KiP * integralActiveError;
controlSignalQ = KpQ * reactivePowerError + KiQ * integralReactiveError;
通过计算功率误差,再用 PI 控制器生成控制信号,储能系统就能像一个训练有素的"电力卫士",按照设定的功率给定值工作。
稳定并网运行与功率输出
得益于上述精心设计的控制策略,这个模型能够稳定并网运行。从仿真总图和部分封装分图就能看到各个环节是如何紧密协作的。虽然由于分图较多,这里只能展示一小部分,但大家能从中一窥全貌。
运行的波形也像一个"成果汇报单",清晰地显示出双馈风机和锂离子电池都能按照设定功率给定值发出功率。这就好比一场完美的交响乐演奏,每个乐器(模块)都在正确的时间,以正确的"音调"(功率值)发声,共同奏响稳定的并网"乐章"。
总之,这个 MATLAB Simulink 中的双馈风机和锂离子电池并网仿真模型,不仅加深了我对电力系统运行和控制的理解,也让我看到了通过精妙的策略和模型搭建,实现高效稳定电力并网的可能性。希望我的分享能给对这方面感兴趣的小伙伴们一些启发!