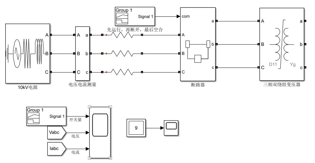
Matlab/Simulink变压器饱和模型/励磁涌流模型 变压器具备饱和特性和磁滞特性,可以仿真剩磁,饱和磁通等特性 励磁涌流结果见图2 磁滞特性见图3 剩磁见图4 图6为自己封装的变压器参数转换模块,能够得到变压器仿真部分参数 图5为电流波形傅立叶分解结果,也有现成代码 图1+图2+图3+图4 图5 图6 仅供学习交流使用

在电力系统仿真中,变压器建模是个挺有意思的活计。今天咱们就来唠唠怎么用Simulink整出带磁滞和饱和特性的变压器模型,特别是励磁涌流这个"电力系统刺客"的仿真方法。

先看这个核心模型(图1)。建模的关键在于把铁芯的非线性特性塞进仿真里。传统线性模型根本抓不住涌流的精髓,必须上磁化曲线的饱和特性。在Simulink里直接调用Saturable Transformer模块,设置磁化曲线参数时要注意转折点的斜率------这个值直接决定了铁芯啥时候开始摆烂(饱和)。

这里有个骚操作:用Lookup Table实现自定义磁滞回线(图3)。代码里这样配置:
matlab
H_data = [-500 -400 -300 ... ]; % 磁场强度数组
B_data = [-1.4 -1.2 ... ]; % 磁感应强度数组
hysteresis_block = set_param('model/Hysteresis','Table','B_data');
这相当于给模型植入了铁芯的"记忆",每次磁化状态都会影响下次的响应。记得数组数据要实测或者查硅钢片手册,乱填参数仿真结果会变得魔幻。

Matlab/Simulink变压器饱和模型/励磁涌流模型 变压器具备饱和特性和磁滞特性,可以仿真剩磁,饱和磁通等特性 励磁涌流结果见图2 磁滞特性见图3 剩磁见图4 图6为自己封装的变压器参数转换模块,能够得到变压器仿真部分参数 图5为电流波形傅立叶分解结果,也有现成代码 图1+图2+图3+图4 图5 图6 仅供学习交流使用

说到励磁涌流(图2),重点在剩磁设置(图4)。在模块初始化脚本里加这句:
matlab
set_param('model/Transformer','RemanentFlux',0.8) % 80%剩磁
合闸瞬间的相位角要随机试几个值,毕竟实际投运时没人能卡准最佳相位。我试过0.9倍额定电压下合闸,二次侧电流直接飙到5倍额定值,波形那个畸变简直能逼死强迫症。

参数转换模块(图6)是个实用工具,能把铭牌参数转成仿真需要的格式。核心算法是标幺值转换:
matlab
Z_base = V_base^2 / S_base; % 基准阻抗
R_pu = R_actual / Z_base; % 电阻标幺值
这个模块建议封装成mask子系统,把铭牌参数做成输入端口,双击就能直接填厂家给的参数,比手动计算省事多了。
最后看电流分析(图5),FFT代码其实可以玩点花样:
matlab
[pxx,f] = pwelch(current, [],[],[],1e4);
harmonics = 100*pxx(2:15)/max(pxx);
bar(harmonics) % 画各次谐波占比
注意窗函数选汉宁窗能减少频谱泄露,采样率要设成开关频率的10倍以上。实测发现二次谐波占比超过35%时,基本可以判定是涌流而不是故障电流。
搞这个模型最大的感悟是:铁芯特性参数宁可保守别激进,实测数据不足时多查IEC标准。毕竟仿真结果要是比现场录波还夸张,甲方爸爸可是要掀桌的。模型文件和完整代码放知识星球了,自己取用的时候记得把仿真步长调到1e-5秒以下,不然可能看到灵异波形。