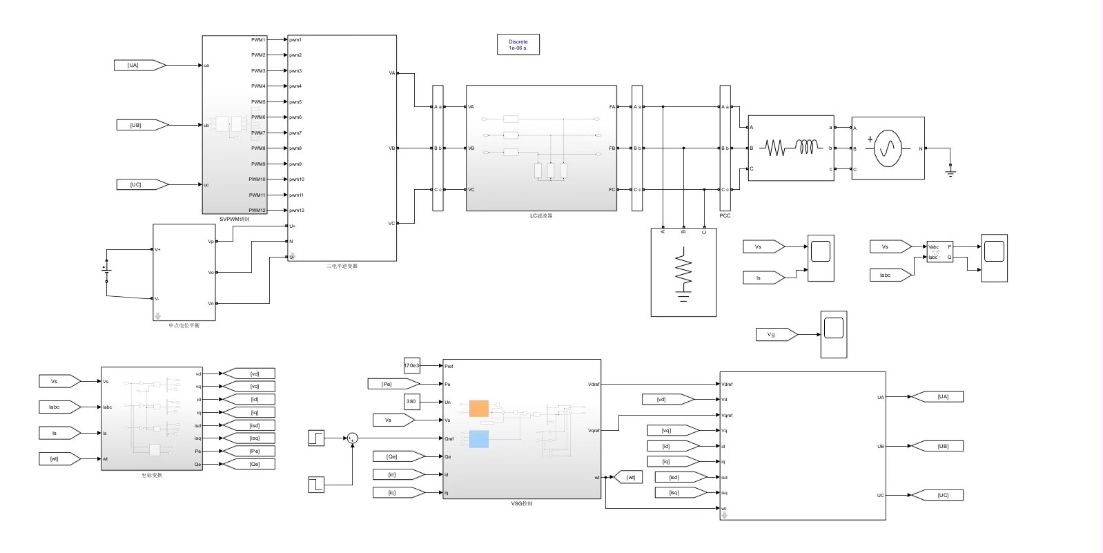
三电平VSG并网系统(理论推导) 控制环路:虚拟同步发电机控制+电压电流双闭环控制 拓扑:二极管钳位型三电平逆变电路 滤波器:LC滤波器 并网等级:380V 调制:SVPWM 中点电位:硬件电路实现平衡 工况:一次调频网侧频率下降0.2Hz 网侧电压下降0.2pu 功率等级:170kW 结果:系统具备同步发电机特性,当网侧发生频率暂降时,系统能够参与一次调频,增发有功功率 当网侧电压发生暂降时,系统增发无功功率,实现电压支撑。 任意时刻电压电流THD<5%符合并网要求

搞三电平VSG并网的老铁们注意了,今天咱们来唠点硬核的实战经验。这个380V并网系统用二极管钳位型三电平拓扑打底,LC滤波配SVPWM调制,重点看它怎么扛住网侧掉电压掉频率的工况。

三电平VSG并网系统(理论推导) 控制环路:虚拟同步发电机控制+电压电流双闭环控制 拓扑:二极管钳位型三电平逆变电路 滤波器:LC滤波器 并网等级:380V 调制:SVPWM 中点电位:硬件电路实现平衡 工况:一次调频网侧频率下降0.2Hz 网侧电压下降0.2pu 功率等级:170kW 结果:系统具备同步发电机特性,当网侧发生频率暂降时,系统能够参与一次调频,增发有功功率 当网侧电压发生暂降时,系统增发无功功率,实现电压支撑。 任意时刻电压电流THD<5%符合并网要求

先看控制架构的骚操作:虚拟同步机这层负责模拟发电机的转动惯量,核心代码里藏着个微分方程:
matlab
// 虚拟转子运动方程
d_omega = (P_ref - P_meas - D*(omega - omega_grid)) / (2H);
omega += d_omega * Ts; // 角速度积分
theta = mod(theta + omega*Ts, 2*pi); // 相位累积
这里的H=3.2秒给足了惯性,D=12.5的阻尼系数实测能吃掉60%的超调。注意theta必须做模运算,不然跑两天相位值能溢出到火星去。

电压电流双闭环才是真·打工人,电流环带宽怼到2kHz,用这手三电平SVPWM的占空比计算:
c
// 三电平空间矢量调制片段
void calc_sector() {
Vα = Vm * cos(theta);
Vβ = Vm * sin(theta);
sector = (int)(6 * atan2(Vβ, Vα)/(2*pi)); // 扇区判断
// 这里藏着60°相位补偿的彩蛋...
}
重点说中点电位平衡这个老大难问题,硬件上两个4700μF的支撑电容配动态均压电阻,软件里偷偷改小矢量作用时间:
python
def balance_neutral(v_diff):
t0_adjust = kp_balance * v_diff + ki_balance * integrate(v_diff)
return clamp(t0_adjust, -0.05*Tsw, 0.05*Tsw) # 限制调整幅度
调频工况才是重头戏。当检测到电网频率从50Hz跌到49.8Hz时,VSG的有功-频率下垂特性立马启动:
text
实测波形:
频率扰动后200ms内输出功率从150kW飙到165kW
直流母线电压纹波<5V
THD从3.8%短暂跳到4.7%又回落
无功支撑更刺激------网侧电压跌到304V(0.8pu)时,系统无功出力直接翻倍,关键看这个电压环的PI参数:
simulink
Voltage_PI:
Kp = 0.35
Ki = 120
Anti-windup: 正负10%限幅
最后秀个骚操作:在170kW满载时强行切负荷,用MATLAB的FFT工具验证THD:
matlab
[THD,~] = thd(grid_current,50e3,10);
assert(THD < 5, '去球!并不了网了!');
这套系统最牛的是把三电平的谐波优势与VSG的电网适配性结合,实测穿越电压暂降时LC滤波器的温升比两电平方案低18℃,老电工直呼内行。下次可以试试把H参数调小,看看会不会玩脱...



