文章目录
- 一、时钟系统术语
- 二、总线术语
- 三、外设时钟使能
- [四、GPIO 相关术语](#四、GPIO 相关术语)
- 五、中断相关术语
- 六、定时器相关术语
- [七、DMA 相关术语](#七、DMA 相关术语)
- 八、通信协议相关
- 九、低功耗模式
- 十、常用缩写
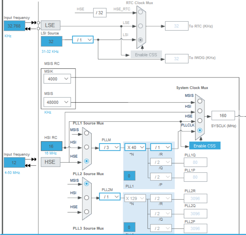
一、时钟系统术语
| 中文 | 英文 | 缩写 | 用途 | 配置要点 |
|---|---|---|---|---|
| 高速外部时钟 | High Speed External | HSE | 外部晶(4~26MHz),系统时钟来源 | 需配置晶振频率,使能 OSC |
| 低速外部时钟 | Low Speed External | LSE | 32.768kHz 晶振,给 RTC 用 | 需配置,用于低功耗时基 |
| 高速内部时钟 | High Speed Internal | HSI | 内部 RC 振荡器(如 16MHz),上电默认 | 精度不如 HSE,但不用外部晶振 |
| 低速内部时钟 | Low Speed Internal | LSI | 内部 32kHz 左右,给独立看门狗或 RTC | 精度低,省成本时用 |
| 锁相环 | Phase Locked Loop | PLL | 倍频用,把 HSE/HSI 倍频到更高频率 | 配置分频系数、倍频系数,得到系统时钟 |
| 系统时钟 | System Clock | SYSCLK | CPU 运行的主时钟 | 最高频率取决于芯片,HSE/HSI/PLL 输出 |
| 总线时钟 | Bus Clock | HCLK/PCLK | AHB/APB 总线时钟 | 分频得到,不能超过总线最高频率 |

二、总线术语
| 中文 | 英文 | 缩写 | 用途 | 配置要点 |
|---|---|---|---|---|
| 高级高性能总线 | Advanced High-performance Bus | AHB | 连接 CPU、内存、DMA 等高速设备 | 时钟 HCLK,通常 = SYSCLK |
| 高级外设总线 | Advanced Peripheral Bus | APB | 连接低速外设(UART、I2C、TIM) | 时钟 PCLK,通常 HCLK 分频得到 |
| APB1 | APB1 | APB1 | 低速外设总线 1 | 时钟 ≤ 通常 36MHz(STM32F1)或 100MHz(H7) |
| APB2 | APB2 | APB2 | 高速外设总线 2 | 时钟 ≤ 72MHz(F1)或 100MHz(H7),接 ADC、GPIO 等 |
| 总线矩阵 | Bus Matrix | - | 多主设备访问多从设备的交叉开关 | 硬件自动,一般不需配 |

三、外设时钟使能
- 要让外设工作,必须先使能它的时钟
| 中文 | 英文 | 示例代码 | 说明 |
|---|---|---|---|
| 外设时钟使能 | Peripheral Clock Enable | __HAL_RCC_GPIOA_CLK_ENABLE() |
在操作外设前必须先开时钟 |
| 复位时钟 | Reset Clock | __HAL_RCC_USART1_FORCE_RESET() |
外设卡死时可复位 |
| 时钟安全系统 | Clock Security System | CSS | HSE 失效时自动切到 HSI,防死机 |
四、GPIO 相关术语
| 中文 | 英文 | 缩写 | 用途 | 配置 |
|---|---|---|---|---|
| 推挽输出 | Push-Pull Output | PP | 输出高低电平 | GPIO_MODE_OUTPUT_PP |
| 开漏输出 | Open-Drain Output | OD | 需要上拉电阻,多用于 I2C | GPIO_MODE_OUTPUT_OD |
| 复用功能 | Alternate Function | AF | 引脚用作外设(UART、SPI 等) | GPIO_MODE_AF_PP/OD |
| 上拉电阻 | Pull-Up | PU | 内部上拉,默认高电平 | GPIO_PULLUP |
| 下拉电阻 | Pull-Down | PD | 内部下拉,默认低电平 | GPIO_PULLDOWN |
| 浮空输入 | Floating Input | - | 无上下拉,电平不确定 | GPIO_NOPULL |
| 模拟模式 | Analog Mode | - | ADC 输入 | GPIO_MODE_ANALOG |
五、中断相关术语
| 中文 | 英文 | 缩写 | 用途 | 配置 |
|---|---|---|---|---|
| 中断服务函数 | Interrupt Service Routine | ISR | 中断触发后执行的函数 | 名字固定,如 USART1_IRQHandler |
| 嵌套向量中断控制器 | Nested Vectored Interrupt Controller | NVIC | 管理中断优先级、使能 | HAL_NVIC_SetPriority() |
| 外部中断 | External Interrupt | EXTI | 引脚电平变化触发中断 | 配置触发边沿 |
| 优先级分组 | Priority Grouping | - | 抢占优先级 vs 子优先级 | HAL_NVIC_SetPriorityGrouping() |
六、定时器相关术语
| 中文 | 英文 | 缩写 | 用途 | 配置 |
|---|---|---|---|---|
| 预分频器 | Prescaler | PSC | 分频计数器时钟 | TIM_Handle.Init.Prescaler |
| 自动重装载值 | Auto-Reload Register | ARR | 计数到多少触发 | TIM_Handle.Init.Period |
| 向上计数 | Up-Counting | - | 0 → ARR | TIM_COUNTERMODE_UP |
| 向下计数 | Down-Counting | - | ARR → 0 | TIM_COUNTERMODE_DOWN |
| 中央对齐 | Center-Aligned | - | 0→ARR→0,PWM 用 | TIM_COUNTERMODE_CENTERALIGNED |
| 捕获/比较通道 | Capture/Compare Channel | CC | 输入捕获/输出比较/PWM | 配置 TIM_Channel |
七、DMA 相关术语
| 中文 | 英文 | 缩写 | 用途 | 配置 |
|---|---|---|---|---|
| 直接内存访问 | Direct Memory Access | DMA | 外设←→内存自动搬运 | 配置源地址、目的地址、长度 |
| 循环模式 | Circular Mode | - | 传输完自动从头开始 | DMA_CIRCULAR |
| 半传输中断 | Half Transfer Interrupt | HT | 传输一半时触发 | DMA_IT_HT |
| 传输完成中断 | Transfer Complete Interrupt | TC | 传输完成时触发 | DMA_IT_TC |
八、通信协议相关
| 中文 | 英文 | 缩写 | 特点 | 配置要点 |
|---|---|---|---|---|
| 通用异步收发器 | Universal Asynchronous Receiver/Transmitter | UART | 异步,两根线(TX/RX) | 波特率、数据位、停止位 |
| 串行外设接口 | Serial Peripheral Interface | SPI | 同步,四线(SCK/MOSI/MISO/CS) | 主从模式、极性、相位 |
| 内部集成电路 | Inter-Integrated Circuit | I2C | 两线(SCL/SDA),多从机 | 速率(100k/400k)、从机地址 |
| 控制器局域网络 | Controller Area Network | CAN | 汽车常用,差分信号 | 波特率、滤波器 |
九、低功耗模式
| 中文 | 英文 | 说明 | 唤醒方式 |
|---|---|---|---|
| 睡眠模式 | Sleep Mode | CPU 停,外设继续 | 任何中断 |
| 停止模式 | Stop Mode | 所有时钟停,SRAM 保持 | EXTI、RTC |
| 待机模式 | Standby Mode | 功耗最低,大部分电路断电 | 唤醒引脚、RTC |
十、常用缩写
| 缩写 | 全称 | 中文 |
|---|---|---|
| RCC | Reset and Clock Control | 复位和时钟控制 |
| NVIC | Nested Vectored Interrupt Controller | 嵌套向量中断控制器 |
| SYSTICK | System Tick Timer | 系统滴答定时器 |
| DMA | Direct Memory Access | 直接内存访问 |
| EXTI | External Interrupt | 外部中断 |
| USART | Universal Synchronous/Asynchronous Receiver/Transmitter | 通用同步/异步收发器 |
| IWDG | Independent Watchdog | 独立看门狗 |
| WWDG | Window Watchdog | 窗口看门狗 |
| RTC | Real-Time Clock | 实时时钟 |
| BKP | Backup Registers | 备份寄存器 |