每日更新教程,评论区答疑解惑,小白也能变大神!"

目录
[1. 行业背景与 RS-485 通信技术概述](#1. 行业背景与 RS-485 通信技术概述)
[2. 传统 RS-485 防雷击保护方案及其局限性分析](#2. 传统 RS-485 防雷击保护方案及其局限性分析)
[2.1 传统三级防护电路架构与工作原理](#2.1 传统三级防护电路架构与工作原理)
[2.2 传统防护方案面临的技术瓶颈](#2.2 传统防护方案面临的技术瓶颈)
[3. 创新防护方案:基于 SIDACtor(半导体放电管)的高效保护](#3. 创新防护方案:基于 SIDACtor(半导体放电管)的高效保护)
[3.1 钳位(Clamping)与折返(Crowbar)工作模式的本质区别](#3.1 钳位(Clamping)与折返(Crowbar)工作模式的本质区别)
[3.2 SIDACtor(半导体放电管)器件特性详解](#3.2 SIDACtor(半导体放电管)器件特性详解)
[3.3 SIDACtor 内部物理机制与工作原理](#3.3 SIDACtor 内部物理机制与工作原理)
[4. 典型通信接口防雷电路设计参考指南](#4. 典型通信接口防雷电路设计参考指南)
[4.1 RS-232 口防雷电路设计参考](#4.1 RS-232 口防雷电路设计参考)
[4.2 RS-422 或 RS-485 口防雷电路设计参考](#4.2 RS-422 或 RS-485 口防雷电路设计参考)
[4.2.1 室外长距离走线 RS-422 & RS-485 口防雷电路](#4.2.1 室外长距离走线 RS-422 & RS-485 口防雷电路)
[4.2.2 室内短距离走线 RS-422 & RS-485 口防雷电路](#4.2.2 室内短距离走线 RS-422 & RS-485 口防雷电路)
[5. 接口防护电路设计中的选型考量与 PCB Layout 建议](#5. 接口防护电路设计中的选型考量与 PCB Layout 建议)
[6. 总结](#6. 总结)
1. 行业背景与 RS-485 通信技术概述
随着工业自动化与智能电网技术的飞速发展,智能电表等系统已经广泛地应用到工业控制、电力监测和日常生活的各个领域。在现代智能电表系统中,自动抄表技术(AMR)和高级计量基础架构(AMI)发挥着至关重要的作用。这些系统主要通过通信端口读取数据,并且绝大部分情况下采用远程读数方式。对于电表应用来说,这种非接触式的远程数据采集既保障了人员操作的安全性,又极大节省了人工抄表的时间和金钱成本。
实现这一技术的关键前提,是确保通信链路的安全、稳定与可靠。在众多通信总线标准中,RS-485 标准凭借其卓越的物理层特性脱颖而出。RS-485 支持长距离传输(标准通信距离可达 1200 米以上),最大传输速率可以达到 10Mbps,并且采用平衡发送和差分接收的机制,具有极高的高共模信号噪声抑制能力。同时,RS-485 电路控制逻辑方便,硬件实现成本低,支持多点拓扑连接,使组建大规模的通信网络成为可能。基于这些显著优点,RS-485 已经成为智能电表和工业控制领域的标准通信接口。
然而,在实际应用中,RS-485 接口面临着严峻的电气环境挑战。其传输线通常需要进行远距离布线,甚至大量暴露于户外环境中。因此,通信线路极易因为雷电感应、静电放电(ESD)或电气快速瞬变脉冲群(EFT)等原因引入极高的过电压。而 RS-485 收发器芯片本身的物理耐受能力相对脆弱,其正常工作电压通常较低(5V 左右),引脚的绝对最大耐压范围也非常狭窄(通常在 -7V 至 +12V 之间)。一旦线缆上引入超出此范围的瞬态过电压,就会击穿芯片内部的硅结,导致器件永久性损坏。在有强烈的雷击浪涌能量出现时,甚至可以看到收发器封装爆裂、线路板大面积焦糊的严重现象。因此,防雷击和过电压保护成为 RS-485 接口设计中不可或缺、必须优先考虑的核心环节。
2. 传统 RS-485 防雷击保护方案及其局限性分析
2.1 传统三级防护电路架构与工作原理
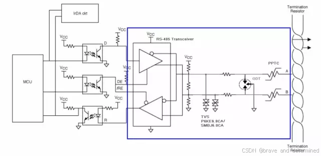
在工业设计中,为了应对不同能量等级的浪涌冲击,通常采用由高分子正温度系数热敏电阻(PPTC)、气体放电管(GDT)和瞬态电压抑制二极管(TVS)组成的三级协同防护架构。

当雷击发生时,感应过电压由 A 线和 B 线引入。其能量泄放和钳位过程如下:
-
初级共模防护: 浪涌电流首先经过走线,激活作为初级保护的 GDT。GDT 具有极高的浪涌吸收能力,通常可以承受 10kA(8/20us 波形)甚至更高的浪涌冲击电流。GDT 动作后,将绝大部分高能雷击电流泄放到大地。
-
退耦与限流: 经过 GDT 泄放后,线路上依然会残余高达几百伏的残压。此时,串联在 A/B 线上的 PPTC(或大功率绕线电阻)起到限流和退耦的作用,为后级保护器件争取响应时间并分担能量。
-
二级精准防护: 残压经过退耦后,TVS 作为二级保护器件进行快速响应,提供共模和差模保护。TVS 具有皮秒级的响应速度,能够将到达 RS-485 收发器引脚的电压死死钳制在安全范围(例如 12V 以下)。同时,通过 A/B 线上的上拉和下拉电阻,可以保证总线在空闲时电压保持在确定的高电平或低电平状态,从而实现对收发器的全面浪涌保护。
在一些应用环境相对温和的场景下,对于 4kV 以下的低能量过电压,由于浪涌电流较小,工程师通常会简化电路,省去初级保护的 GDT。仅依靠 TVS 和限流电阻就能实现基本的浪涌保护要求。此外,当 RS-485 总线由于意外事故与强电电力线(例如 220VAC 市电)搭接短路时,A/B 线上的 PPTC 会因为大电流迅速发热并转变为高阻态,从而切断回路,提供有效的短路和过流保护。
2.2 传统防护方案面临的技术瓶颈

尽管上述 PPTC + GDT + TVS 的传统方案应用广泛,但在现代智能电表高可靠性要求的背景下,该方案暴露出几个不可忽视的工程缺陷:
-
GDT 浪涌击穿电压过高导致传输距离受限: GDT 依赖气体电离导通,其直流击穿电压和脉冲击穿电压都相对较高。这意味着为了保证 GDT 优先于 TVS 导通,中间串联的退耦电阻(或 PPTC 的寄生电阻)阻值必须取得比较大。线路上过大的串联电阻会导致通信信号严重衰减,直接影响并显著减少 RS-485 的有效传输距离。
-
TVS 的漏电流过大降低网络可靠性: TVS 器件在正常工作电压下存在一定的反向漏电流。以常用的 SMBJ6.0CA 为例,其漏电流大致在 800uA 左右。在多节点或长距离的点对点通讯中,多个 TVS 并联会导致总线上的总漏电流成倍增加,这会严重拉低总线电压,增加总线驱动器的负载,从而影响通信的可靠性,限制总线上可挂载的节点总数。
-
PPTC 响应速度迟缓引发的交流击穿风险: PPTC 的保护机制依赖于热量累积
,其从低阻态到高阻态的转换需要毫秒甚至秒级的响应时间。因此,在发生电力线(如 220VAC)搭接的极端工况下,由于 PPTC 尚未动作,持续的高能交流电会直接施加在后级 TVS 上。TVS 只能处理瞬态能量,无法承受持续的热量耗散,极易造成 TVS 被交流电持续加热而热击穿烧毁,进而失去保护功能。
3. 创新防护方案:基于 SIDACtor(半导体放电管)的高效保护
鉴于传统方案在智能电表应用中存在的种种痛点,业界迫切需要一种更完美的 RS-485 防雷保护替代方案。为此,引入 SIDACtor(半导体放电管)作为核心防护器件,能够满足现代通信接口对更高可靠性的严苛要求。
3.1 钳位(Clamping)与折返(Crowbar)工作模式的本质区别
要理解 SIDACtor 的优势,必须先明确两种截然不同的过电压保护机制:
-
TVS 的 Clamping(钳位)模式: 众所周知,TVS 是典型的钳位型半导体保护器件。它的优点是响应速度极快、可靠性高。但其工作时,将电压钳制在一个高于系统正常工作电压的值(V)。在泄放浪涌电流时,TVS 自身需要承受极大的瞬间功率
。这导致其残压较高,且对器件自身的散热和体积要求极高。 -
SIDACtor 的 Crowbar(折返)模式: SIDACtor 作为同样基于硅晶体技术的半导体器件,继承了响应速度快、无老化隐患、可靠性高的半导体固有优势。但它采用的是 Crowbar 保护模式。当浪涌电压超过其触发阈值后,器件内部呈现负阻特性,瞬间导通,并将两端电压"折返"拉低到极低的水平(通常只有 1~3V)。在这个状态下,器件承受的功耗极小

。这种特性使其在导通后保持电压低,同时还具有体积小、抗浪涌电流能力极强、耐市电搭接能力强的显著特点。
3.2 SIDACtor(半导体放电管)器件特性详解
SIDACtor 简介: SIDACtor 是一种双向瞬态过电压保护器,也被称为半导体放电管或固体放电管(例如上海雷卯等品牌的产品)。它是一种带有负阻或正阻特性的新型浪涌吸收器。其典型击穿电压范围覆盖广(27V 至 540V 不等),而导通电压仅为 3V 至 4V 左右。根据封装不同,其可通过的瞬间浪涌电流可高达 50A 至 100A 甚至更高。
与气体放电管(GDT)、瞬态抑制二极管(TVS)和压敏电阻(MOV)等其它类型的瞬态电压保护器进行横向比较,SIDACtor 综合了各家之长,具有导通阻抗极低、开通电压精准且低、响应速度达皮秒级、单片电流通量大、不存在寄生电容随电压剧烈变化的问题,以及寿命极长、可靠性高等综合优势。因此,在通信防雷领域,它被公认为是一种近乎"全能"的电压保护核心器件。
3.3 SIDACtor 内部物理机制与工作原理
从半导体物理结构来看,SIDACtor 是一种二端器件,其内部核心结构(PNPN 结构)与双向可控硅(Triac)十分相似,但是它省去了触发门极(Gate),完全是一个纯粹的电压自触发器件。
SIDACtor 的工作状态可以完美类比为一个智能的理想开关:
-
断开状态: 当线路两端的电压低于其断态峰值电压 V_DRM 时,器件处于截止状态。此时其内部的漏电流 I_DRM极小(通常小于微安量级),对正常的通信信号传输不产生任何影响,也不会像 TVS 那样带来严重的负载效应。
-
雪崩触发: 当线路由于雷击或过电压使得电压持续上升,超过其击穿电压 V_BO 时,器件内部的 PN 结产生瞬间的雪崩倍增效应。
-
折返导通(Crowbar 效应): 该雪崩电流一旦达到并超过器件标称的开关电流 I_S,即进入深度的雪崩倍增和正反馈阶段。器件的内部阻抗骤然减小,呈现负阻特性,两端电压迅速跌落至导通电压(通常 V_T < 1.5V。此时,SIDACtor 进入完全导通状态,允许通过极大的通态电流(通常可持续承受 0.7A 到 2A 的 RMS 交流电流,应对市电搭接绰绰有余)。
-
自动恢复: 当浪涌能量泄放完毕,或者外部交流过电压的正弦波过零点,流过器件的电流降到其最小维持电流 I_H值之下时,内部晶闸管机制关断,SIDACtor 瞬间恢复到其初始的高阻抗断开状态,通信线路恢复正常。
4. 典型通信接口防雷电路设计参考指南
在不同的工业环境和通信距离下,防雷电路的设计需要因地制宜。以下针对常见的 RS-232、以及不同环境下的 RS-485/RS-422 接口,提供详细的防雷电路设计规范和参考。
4.1 RS-232 口防雷电路设计参考

RS-232 接口在通信设备、智能电表集中器和工控机上,主要作为本地调试用接口、板间短距离通信接口和监控信号接口使用。根据标准,其可靠传输距离一般不超过 15 米。
设计痛点与需求: 尽管传输距离短,但调试用接口使用极其频繁,工程师往往带电拔插(热插拔)。这种行为极易引入高压静电(ESD)以及接口瞬间接触不良产生的过电流冲击。如果接口侧不进行可靠的保护,很容易瞬间将昂贵的 RS-232 接口收发芯片击穿损坏。
防护方案推荐:
工业控制公司普遍采用的常规 RS-232 接口芯片,其输出电压摆幅通常不超过 ±15V。针对这一特性,对接口收发信号线(TXD, RXD)的保护可以选用低电容的双向瞬态抑制二极管,例如 ESDA14V2L(其寄生电容约为 90pF,对 RS-232 相对较低的波特率毫无影响)。同时,在信号线路上串联选值为 100 欧姆的限流电阻,限制流入芯片的瞬态电流。
然而,当产品的目标市场定位更高,特别是针对北美市场或要求通过严苛的 NEBS(网络设备构建系统)通信标准认证时,常规的 ESD 器件将无法满足大能量浪涌的要求。此时,防护器件强烈推荐选用更大功率的 1.5SMC18CA 系列 TVS 管,以应对更高等级的测试要求。
- 例外情况: 对于完全封闭在设备机箱内部、用于两块相邻 PCB 板间通信的 RS-232 接口,由于处于良好的电磁屏蔽环境下,通常可以省去外围防护电路设计。但对于任何可能连接外部线缆的场合,在接口侧输入和输出管脚上配置防护电路是强制性要求。
4.2 RS-422 或 RS-485 口防雷电路设计参考

由于 RS-485 和 RS-422 均采用差分传输体制,其防护设计逻辑高度一致,主要根据布线环境(室内或室外)进行区分设计。
4.2.1 室外长距离走线 RS-422 & RS-485 口防雷电路
当信号线走线较长,且链路可能需要穿梭于户外环境(如跨越厂房、电力杆塔)时,端口引入直击雷感应或重度工业浪涌的概率激增。此时端口的防护等级要求极高,必须采用复合型的高能防护电路。
高级复合防护电路拓扑(桥式整流+TVS 方案):
在高速率和高浪涌要求的场合,通常采用由气体放电管、退耦电阻、快速恢复二极管桥和核心 TVS/SIDACtor 组成的复杂电路。
-
共模前级保护: 线路最前端接入三电极气体放电管(例如型号 3R097CXA,标称动作电压 90V)。使用三电极 GDT 的最大优势是可以同时泄放 A 线和 B 线上的共模过电压,且能避免两根线对地放电时间差造成的将共模浪涌转化为差模浪涌的次生危害。
-
退耦网络: 紧跟 GDT 之后,线路 A 和 B 上分别串联额定功率 2W、阻值为 4.7 欧姆的大功率绕线电阻(R1, R2)。在保证不严重影响 RS-485 信号长距离传输质量的前提下,此阻值可以根据测试情况适当加大,以提供更好的后级限流效果。
-
后级低电容钳位(核心创新点): 如果直接在差分线上并联大功率 TVS,其数百皮法(pF)的结电容会严重拖累 10Mbps 的高速信号,造成眼图闭合。因此,巧妙地使用快恢复二极管(如 MURS120T3)组成整流桥网络。整流桥四周和对地共使用六个极低结电容(通常小于 15pF)的快恢复二极管,将核心的保护器件(例如 TVS 管 SM6T6V8A 或相应电压等级的 SIDACtor)放置在整流桥中间。当正向或反向浪涌到来时,二极管桥将浪涌电流引导至中间的单一保护器件进行钳位和泄放。这种设计既实现了极高能量的共模和差模双重保护,又将整个防护节点挂载在总线上的等效电容降到了最低,完美解决了防护能力与信号完整性之间的工程矛盾。
- 如果被保护端口的实际工作信号波特率较低(如 9600bps),对结电容不敏感,则可以简化设计,直接采用双向 TVS 和 GDT 的常规搭配电路,以降低物料成本和 PCB 占用面积。
4.2.2 室内短距离走线 RS-422 & RS-485 口防雷电路

当 RS-485/422 接口主要用于室内环境,或不超过 10 米的机柜间/机框间通信时,所面临的电磁环境相对可控,浪涌能量主要来源于设备开关机瞬态或静电。此时可根据实际测试需要确定是否增加初级防护电路。
室内防护方案通常分为单点防护电路 和一点对多点防护电路。

常见的 RS-422 和 RS-485 接口收发芯片,其差分输出驱动电压通常不超过 ±5V。针对这种低压低能量环境,对接口收发信号线的保护可以采用集成化的解决方案:
-
器件选型: 选用低结电容的瞬态抑制二极管阵列器件,例如 PSOT05C 等。这类器件内部集成了多路 TVS,专门针对通信总线设计,能够同时提供线对线(差模)和线对地(共模)的快速钳位保护,且封装紧凑。
-
限流设计: 在收发器的输出/输入引脚与总线之间,串联选值为 33 欧姆的常规电阻(功率 1/4W 即可)。该电阻足以应对室内级别的短路和轻微瞬态电流限制,保障芯片核心不被热击穿。
5. 接口防护电路设计中的选型考量与 PCB Layout 建议
除了正确的原理图设计,防护器件的选型与印刷电路板(PCB)的物理布线同样决定了最终的防雷效果:
-
精准的电压匹配: 无论是选用 TVS 还是创新的 SIDACtor,其截止电压V_RWM 或 V_DRM必须略高于系统在最极端情况下的最高正常工作电压。如果选型过低,正常信号会使其产生漏电流甚至误触发;选型过高,则残压过高,失去保护芯片的意义。
-
走线阻抗的控制: 在 PCB 布局(Layout)时,浪涌泄放路径(从接口端子 -> 防护器件 -> 设备大地)的走线必须尽可能粗、尽可能短。长而细的地线会产生巨大的感抗V = L * di/dt,在雷击大电流瞬间会在地线上产生可怕的局部反击高压,导致前端保护形同虚设。
-
器件布局位置: 所有的第一级防雷器件(如 GDT)必须紧挨着外部通信线缆接入设备的连接器放置。绝不能让未经过滤的裸露信号线长距离深入 PCB 内部后再进行保护,否则瞬变电磁场会耦合到板上的其他敏感数字电路系统中,引起系统死机或复位。
6. 总结
在智能电表与工业通信系统的设计中,RS-485 及相关通信接口的可靠性是系统稳定运行的基石。传统的 PPTC、GDT 结合 TVS 的方案虽然经典,但在信号衰减、漏电流以及极端市电搭接场景下存在固有的技术瓶颈。通过引入具有折返(Crowbar)特性的 SIDACtor(半导体放电管),配合优化的低电容桥式拓扑结构,工程师能够设计出既具备高浪涌耐受力、低钳位电压,又不影响高速信号完整性的完美防护电路。针对不同的应用环境(室内、室外、长线、短线),合理选用防护器件并遵循严格的 PCB 设计规范,才能真正将智能电网终端的通信故障率降至最低。
您是否需要我针对某些特定品牌的 RS-485 收发器(如 MAX485、SN75176 等),进一步提供具体的防护器件型号推荐以及 BUM 成本估算分析?