⒈目的
掌握基恩士GC-1000安全控制器的设置和应用方法。
⒉硬件
⑴基恩士GC-1000,安全输入16点/安全输出6点
⑵基恩士GL-S系列安全光栅,型号:GL-S24FH
⑶欧姆龙安全门锁,型号:D4NL-4CFG-B(2NC+1NC/1NO,螺线管锁定/机械释放)
⑷其他:复位按钮和急停按钮
⒊GC-1000产品简介
GC-1000可在1台主控制器上连接10台增设模块及4台远程I/O模块(总线延长单元除外)。如果使用总线延长单元,可以在不同场所的控制柜上配置增设模块。使用总线延长单元时,在1台主控制器上可连接的增设模块台数也是最多10台。

⑴各部分名称

⑵安全相关参数
可达成的最大的安全水平如下图:

⑶安全输入规格

⑷安全输出规格(仅限半导体输出)

⑸动作指示灯(LED显示)

⑹故障排查
GC系列发生异常时,有以下4种情况:

⑺输入输出连接器端子配置图
①GC-1000输入输出端子(测试输出To可重复使用)

②设备连接示例

⒋欧姆龙安全门锁简介
欧姆龙D4NL小型电磁锁定安全门开关锁定力达1300N以上,测试所选型号为D4NL-4CFG-B,即头部材质为塑料,在底部钥匙释放,螺旋管电压DC24V,指示灯AC/DC10-115V橙色,螺线管锁定机械释放,触点为2NC+1NC/1NO,导管口尺寸M20。该型号安全门锁结构如下图所示:

采用螺线管锁定,动作原理如下图所示:

该型号的接点构成,表示钥匙插入并锁定的状态,端子编号12和41为内部连接。

⒌安全光栅简介
基恩士GL-S24FH型安全光栅,其零件说明和状态显示灯如下图所示:

硬件支持NPN输出,故采用NPN输出接线参考如下图[注意:因GC-1000安全控制器为PNP型输入信号,因此安全光栅的OSSD输出对比PNP正好取反,也即光栅不对射为安全输出,对应GC-1000输入无遮挡,此处需明确且注意]:

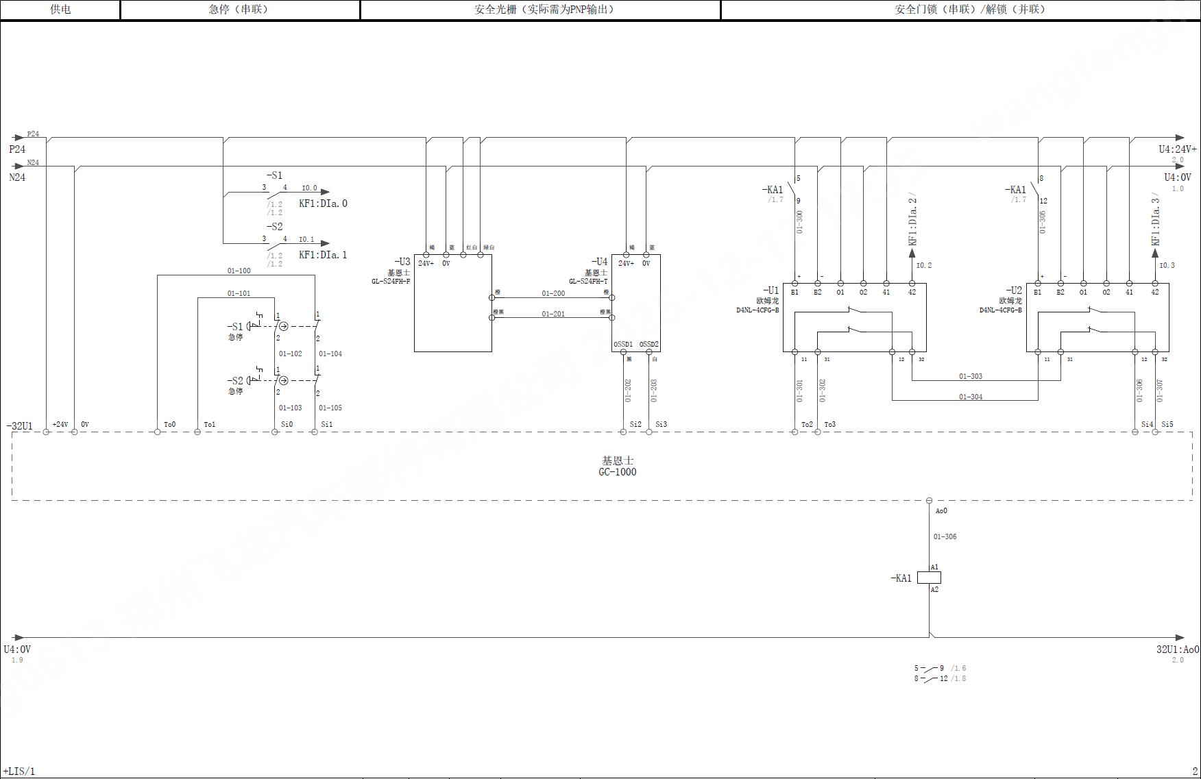
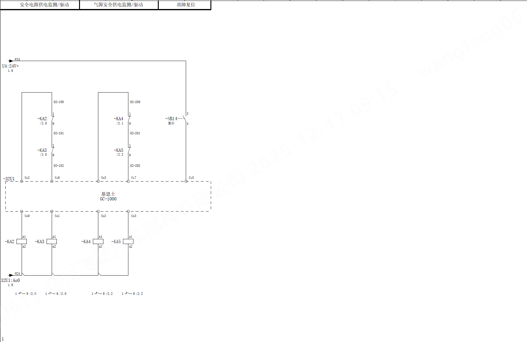
⒍安全控制系统硬件接线
基于GC-1000安全控制器,由急停、安全光栅和安全门锁共同构成安全控制系统,采用双回路冗余设计,控制安全电源和进气阀,相关安全控制应用电路如下图所示,其中安全状态通过PN通信与西门子S7-1200PLC进行状态信息交互:


⒎基本操作
如下图为基恩士GC-1000安全控制器面板,基本操作按键如下:
"左键":按该按钮即转移至S-OUT监视画面。
"中间键":按该按钮即转移至模块监视画面。
"右键":按该按钮即转移至菜单画面。
"返回键":转移至前一画面。

⒏画面构成

⒐GC Configurator配置
GC Configurator是GC系列安全控制器进行设置即编程的软件。如下图双击软件"GC Configurator"弹出如下图界面:

在上述界面点击"新建"弹出如下界面,将项目名命名为"SaftTest20251217"点击"OK":

弹出如下图界面:

⑴配置输入机器
分别将界面左侧输入设备下的"紧急停止开关"、"GL-S系列光栅"和"门开关(带锁定)"拖入,根据图纸设计分配输入机器的连接及端子号,其中连接均采用硬件接线即"端子台"接线,其中端子台接线要求如下:
急停:2输入2测试输出
光栅:PNP,2输入
门锁:PNP,2输入2测试输出(机械锁无源信号选择2输入2测试输出,PNP有源信号选择2输入);门开关带锁定,1AUX输出
依据前述安全控制电路设计,各端子分配如下图:

其中:用于Six输出的中间继电器冗余监测输入模块由EDM输入实现。
⑵配置输出设备
输出由控制安全电源和气源两部分实现,如下图将左侧"输出设备"下"S-OUT"拖入属输出设备如下图,结合安全电路图纸分配接线端子地址。

同时为实现对安全输入电路(中继)的监测,右键"S-OUT A-详细设定":

如下图勾选"使用EDM输入",然后点击"OK"退出,"S-OUT B"设置类同:

⑶选项设置
①Ethernet通信配置
如下图在左侧双击"选项-Ethernet-基本设定",弹出下图界面:

双击上图"基本设定",弹出如下图界面,勾选"传输通信设置(下次启动时生效)",点击"从GC读出通信设置",即从GC-1000设备中直接读取该设备的IP,完成后点击"OK"退出界面:

此时Ethernet网络配置如下:

②PROFINET通信配置
如下图将左侧"选项-Ethernet-PROFINET"拖入右侧:

保持默认开启全部诊断功能,如需查看双击上图白色区域(诊断功能设置),弹出"PROFINET设置"界面:

如下图将"通信-通信输入-其他输入(COM)"拖入右侧"通信输入"用于"门锁锁定",将"通信-通信输出-COM-OUT"拖入右侧"通信输出"用于"急停"、"安全光栅"、"安全门锁"及"门锁锁定"的监测:

完成以上设置后即完成"设备构成",点击下图"程序"进入程序编辑界面:

完成程序设计如下:

监测急停、安全光栅、门锁状态和锁定状态并通过PLC控制门锁锁定。
在基恩士官网下载GC-1000安全控制器的GSD文件,网址如下:
https://www.keyence.com.cn/mykeyence/?ptn=001
打开GSD文件显示如下:

创建博途PLC等组态参见相关技术文档,加载GSD文件时点击"菜单栏-选项-管理通用站描述文件(GSD)(++D++)":

在弹出界面"源路径"选择GSD文件路径并如下图勾选该GSD文件,点击"安装":

如下图将基恩士GC-1000控制器拖入"网络视图"并连接:

右键通信连接线选择"分配设备名称":

在弹出界面点击"更新列表",在"网络中的可访问节点"栏中选中目标设备,然后点击"分配名称",完成后点击"关闭":

双击基恩士GC-1000,在"常规-属性-以太网地址"设置该安全控制器IP地址为10.2.178.9如下图:

双击基恩士GC-1000,在"设备视图"下可以查看模块的输入/输出地址和状态监测地址:

模块的硬件规划如下图:

通信输入/输出的规划如下图:

状态监测的规划如下图(当前价值不大):

基于上述信息则基恩士GC-1000和西门子S7-1200 PLC的地址如下表:
|--------|--------|--------|--------|--------|
| 基恩士GC-1000 || 西门子S7-1200 || 说明 |
| 输入 | 输出 | 输入 | 输出 | 说明 |
| / | Q1.0 | M0.0 | / | 门锁锁定控制 |
| I1.0 | / | / | M0.1 | 急停监测 |
| I1.1 | / | / | M0.2 | 光栅监测 |
| I1.2 | / | / | M0.3 | 门锁监测 |
| I1.3 | / | / | M0.4 | 门锁锁定监测 |
| I1.4 | M0.6 | M0.5 | Q1.1 | 通信监测 |
PLC编程如下:

