1、方案名称:AS2635 SSR 单级高PF恒压控制器, PF>0.9,THD<20% ,集成高压启动 , SOP-8封装,可 以驱动常规MOS,也可以驱动碳化硅MOS
2、品牌:紫源微(Zymicro)
3、方案描述与特色:
AS2635 是一款具有650V 高压启动的PFC 反激控制器,工作于临界导通模式或谷底导通模式。
AS2635 提供了完整的保护功能,包括过压保护,过流保护,过载保护,过温保护,短路保护和引脚开/短路保护,使系统在应用中安全运行。采用SOP-8的封装形式。
• 内置650V 高压启动
• 高功率因数(>0.92);iTHD<20%
• 内置BNI/BNO 功能
• 输入线电压OCP 补偿
• 可编程最大导通时间
• 内置过温保护
• 可编程输出过压保护
• 输出二极管短路保护
• VDD 过压保护
• 输出短路保护
• 过载保护
• 采用SOP-8 封装
4、应用领域:
• 智能照明、景观照明
• LED 灯带
• AC-DC 适配器、外置电源
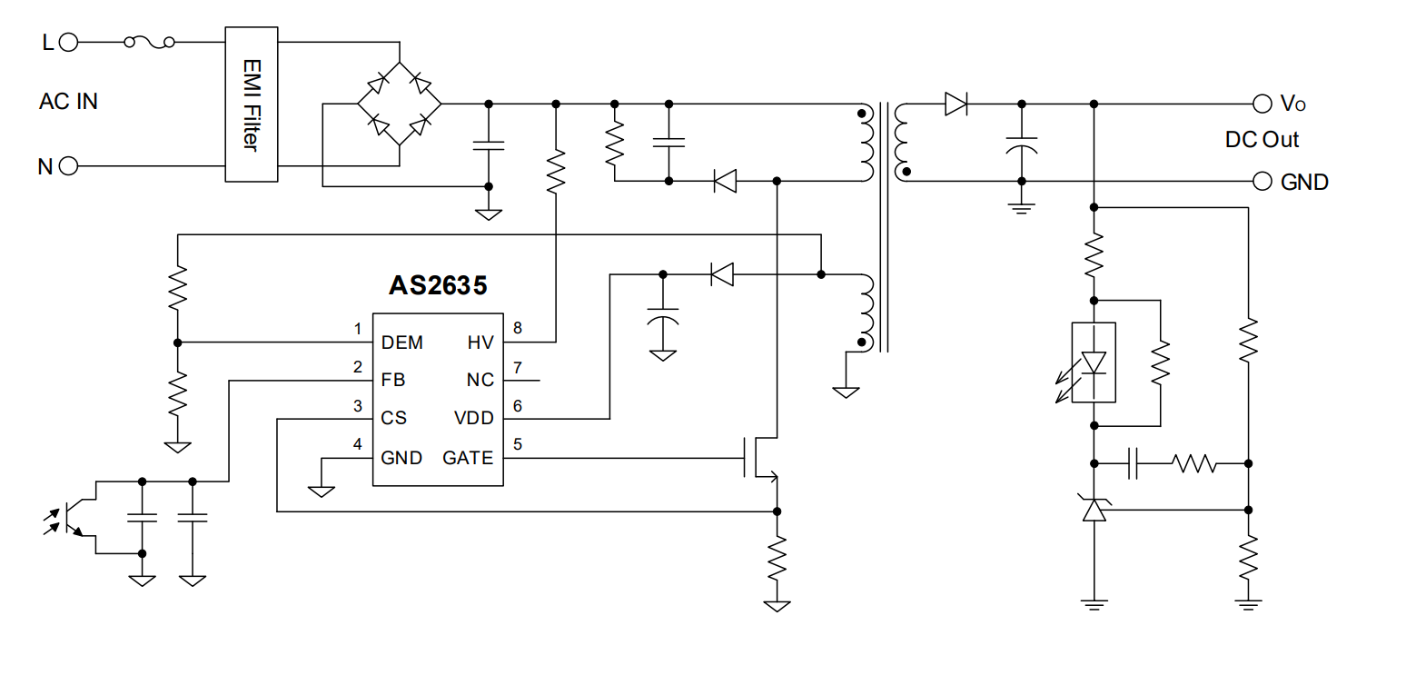
5、应用原理图:
