还是很喜欢你,就像风走过了八万里
目录
前言
不知不觉,因为各种原因已经断更很久了,再加上AI时代的快速进程,我甚至不知道博客还有没有人看了。最近博主也面临想要转行的困扰,自己学习了一下嵌入式,接触到了PCB,很是烦恼如何入门。机缘巧合之下,接触到了嘉立创,感觉很是良心,线上跟着学习了个把月,也是拿到了电子协会的证书,后面还打算去学习一下中级深造一下。思来想去,还是写篇博客记录总结一下,免得到时候去线下忘光了,顺便活跃一下账号!(哈哈哈,听上去怎么越来越像广告,其实不是...)
原理图
快捷键
工欲善其事,必先利其器。首先介绍一下快捷键吧!
ctrl + 鼠标滚轮: 快速上下滑动shift + f: 查找器件并放置alt + w:连线alt + r:放置矩形边框alt + t:编辑文字x:左右翻转y:上下翻转
步骤总结
- 查找元器件并放置 (
shitf + f) - 按照原理图连接网络(
alt + w) - 整体移动好位置,并放置矩形边框(
alt + r) - 编辑好模块名字并放置到合理的位置(
alt + t)
注意事项
- 在修改器件样式的时候,可以先修改网格尺寸为0.05inch,跟原理图保持一致,然后再进行修改。
- 在器件位号跟原理图不一致的时候,可以先摆放器件,再选中,点击设计 -> 分配位号,再重新分配位号。
效果展示

PCB
快捷键
工欲善其事,必先利其器。首先介绍一下快捷键吧!
alt + I: 更新/转换原理图到PCB,应用修改。ctrl + shift + x: 设计 -> 布局传递,分模块依次摆放。shift + p: 框选区域后快速布局shift + s:PCB走线时隐藏图层的显示shift + h: 高亮显示连接区域shift + b: 重建铺铜shitf + m: 隐藏铺铜shift + x: 原理图、PCB互相跳转,进入交叉选择alt + b: 底层切换。alt + t: 顶层切换。ctrl + r: 隐藏所在飞线。
注意事项
- 晶振要进行包地处理。
- 排针GND本来就是过孔的就不用再过孔接GND。
- 布局的时候可以在过滤里面隐藏元件属性,来减少丝印干扰。
- 考试以完成为主,不要修铜和一个个打过孔。
- 右键器件可以快速扇出同样名字的引脚。
- 右键器件,可以通过查找相似对象的方式,批量显示属性信息。
- PCB中放置某个元器件过大经常误选中:属性 -> 锁定 -> 是,过滤 -> 锁定 -> 取消√
- 元件连接不上:双击打孔换层
步骤总结
以下步骤并无严格要求,可以灵活处理优先顺序
alt + I: 更新/转换原理图到PCB,应用修改。ctrl + shift + x: 设计 -> 布局传递,分模块依次摆放。shift + p: 在布局传递后高亮时,可以框选区域后快速布局。- 初步摆放,确认板框大小。例如,摆针右边、TYPE-C左边。
- 放置 -> 板框 -> 矩形,单位切换mm,宽高最好取一个整数,圆角半径3mm。(布局好确定位置的器件可以锁定住,比如板框)
- 安装模块摆放好初始位置,尽量就近走线、减少交叉。
- 先点击网络 -> 飞线 -> GND隐藏,后续GND飞线通过整体铺铜来连接。(电源线暂时也不处理)
- 先就近连接靠近的网络。(优先处理核心模块,如晶振网络、USB和串口信号网络)
- 电源线能直接连接的也可以连接,但是要加粗处理,一般15mil,或者按照考试要求来。(可以在网络里面给电源线设置一个亮一点的颜色,比如粉色)
- 处理需要打过孔连接的飞线。
- 通过铺铜处理GND飞线:放置 -> 铺铜区域 -> 矩形,网络选择GND,顶层和底层都要铺铜。
- 添加调整丝印,字体大小方向。
- 底层一般都会比较完整,GND最好都连接到底层铜皮,隐藏铺铜,通过过孔将GND与底层铜皮相连接。(GND走线跟电源走线宽度相同甚至更宽,比如15/20mil)。
- 修铜。放置禁止区域 -> 矩形 -> 禁止铺铜。
- 添加泪滴。工具 -> 泪滴 -> 新增、全部 -> 应用,最后重建铺铜
shitf + b - 点击铺铜,设置行距,放置缝合孔(如果有要求)右侧属性 -> 放置缝合孔 -> 增加。在接地的元件就近增加过孔,回流面积最短。
- 图层 -> 顶层丝印层 -> 放置提示丝印。
- 可以对填充区域进行圆角处理。(10mil)
效果展示
-
初始生成的PCB

-
分模块布局摆放

-
初步摆放

-
初步布局,按模块摆放

-
就近连线

-
处理电源网络

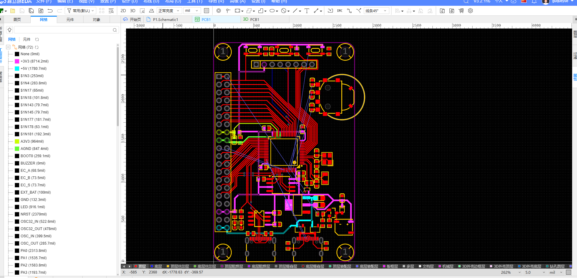
-
处理需要打孔连接的飞线

-
晶振网络做净地包空处理

-
铺铜以及通过过孔连接铺铜后没有接地的GND网络

-
调整丝印

-
添加泪滴、放置缝合孔以及适当修铜

-
3D效果模拟图展示
