在生物制药领域,GMP(药品生产质量管理规范)对应用于药物生产所涉及的洁净区域提出了明确且严格的环境参数要求,核心之一是通过精确的风量及压差控制措施,以保证洁净区域的换气风量及室内压差等参数符合生物环境需求,并阻断交叉污染,使药物生产达标。

一、GMP对压差控制的要求:
- 洁净区与非洁净区、不同级别洁净区之间静压差不低于 10Pa,同级功能区需保持合理压差梯度,确保气流从高洁净区定向流向低洁净区,杜绝空气传播污染洁净药物产线而带来的风险。
- 在要求更为严格的操作间内,高风险操作区与其相关的背景环境之间也可以维持5Pa以上的压差。

- 常见的压差控制要求为:
| 区域/场景 | 压差要求 | 目的 |
|---|---|---|
| 无菌制剂生产区 | B级区对C级区 ≥ 10-15 Pa | 保护A/B级核心无菌区域 |
| 青霉素类等高致敏性药品生产区 | 生产区对外维持负压 | 防止产品扩散造成交叉污染 |
| **产尘操作间(如粉碎、称量)** | 操作间对走廊维持负压 | 控制粉尘,保护外部环境 |
| 更衣流程 | 气锁两侧应维持压差,如"低-高-更高"梯度 | 确保更衣过程不被污染 |
| 洁净区对非洁净区 | ≥ 10-15 Pa 正压 | 防止非洁净空气侵入 |
二、压差控制方案:
洁净室压差控制方案牵涉的各项条件及因素较多,如:压差控制策略,控制信号与噪声的影响,风险分析评估,控制稳定性及响应速度,系统耦合干扰,建筑围护结构、门窗、风管泄漏对压差控制的影响,开门 / 排风扰动易失稳,风阀的选型和风阀质量稳定性等等。
1 、核心控制逻辑优化:从 "被动稳压" 到 "主动精准控压"
洁净实验室压差稳定的本质,是送风量、回风量、排风量与压差风量(余风量)的动态平衡,核心平衡公式:
**正压房间:**送风量=回风量+排风量+压差风量
**负压房间:**送风量=回风量+排风量-压差风量
系统级:新风量=排风量+总压差风量
采用"余风量+压差"串级控制的复合控制架构,通过互锁机制变被动为主动,构筑抗干扰、长周期稳定的洁净空间的"压差安全墙":
1 )余风量开环控制
以房间为单元,锁定送、排风恒定风量差,从根源保证气流方向稳定,不受系统压力波动干扰;
2 )压差闭环修正
实时监测房间静压,通过算法快速微调变风量控制阀,补偿开门、排风突变、围护泄漏等扰动,确保压差稳定在设定区间;
3 )基准点锚定
以洁净走廊、关键工艺操作间为压差基准,通过变风量控制阀微调维持基准压力恒定,构建全区域有序梯度。
2 、分散控制,集中监测:以房间/区域为单元构建洁净空间模块化控制架构
构建以房间/区域为单位气流控制系统,实现 "一间一策、精准调控",优化集中控制系统中存在的 "牵一发而动全身" 的耦合难题,构建阶梯式、抗干扰压差梯度:
1 )分级压差梯度设计(合规 + 安全双达标)
- 洁净区↔非洁净区:≥10Pa
- 不同洁净级别间:≥10Pa
- 核心实验区↔缓冲间:10--15Pa
- 产毒 / 产尘 / 负压房间:相对相邻区域 -5~-15Pa,确保污染物不外泄。
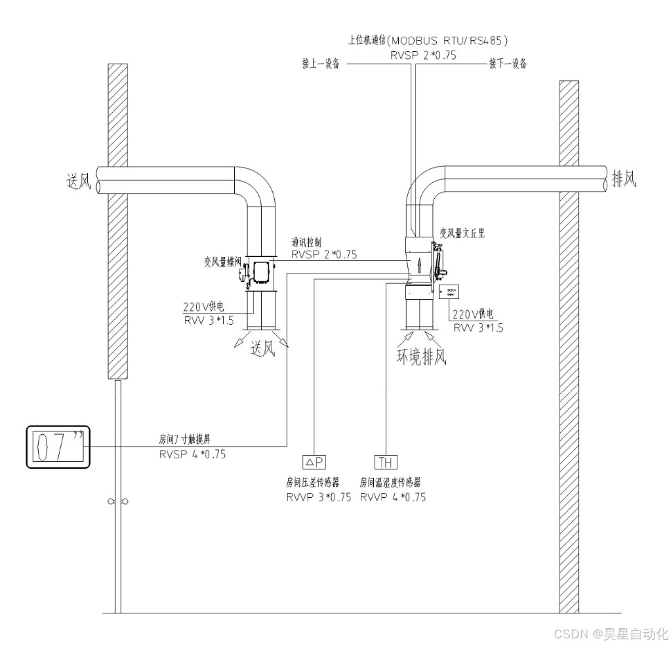
2 )分区域风阀精准配置
- B **级 / 核心无菌区:**保证7/24连续工作,送风采用CAV(定风量控制阀)或DAV(双态定风量阀),回风、排风采用VAV(变风量控制阀),保障换气次数和压差梯度的稳定;
- C 级 / D级 / 辅助功能间: 间歇排风区域送风需配置快速变风量控制阀,通过对送风量的调节锁定在排风量发生改变下的压差极性,稳定气流方向;负压称量间、活性炭处理间则采用余风量控制模式,可实现值班、正常等不同工况下的高能效运行;
- **走廊 / 气闸 / 缓冲间:**作为相对压差基准的对标区间和缓冲带,在送风选用CAV(定风量控制阀),排风选用VAV(变风量控制阀),长期稳定锚定梯度基准值。

(变送变排文丘里阀蝶阀方案)

(定送变排文丘里阀方案)
3 、多重算法叠加:避免扰乱源对压差梯度的影响
针对洁净区域常见扰动源,应采用多重算法叠加和场景适应性优化机制,避免扰乱因素频繁影响洁净空间压差梯度:
|-------------|-------------------------------|---------------------------------------------------|
| 扰动类型 | 痛点 | 优化算法 |
| 门启闭 | 压差骤降、气流双向交换 | 变风量阀1 秒内快速补偿,维持门断面气流速度>0.25m/s,无气流逆反; |
| 工艺排风突变 | 排风总量骤变带来的压差剧烈波动、污染物此时存在反向扩散风险 | 余风量 + 压差串级控制,通过送风变风量阀快速联动同步等额调节,维持风量差恒定,保障压差梯度无逆反 |
| 风管 / 围护泄漏 | 泄漏量增加导致余风量设置值频繁调整、能耗较高 | 精确风量控压差,降低能耗;压差校准避免参数周期性维护与调整 |
| 系统阻力 / 风压变化 | 风量偏移、压差失衡 | 变风量阀应具备高精度压力无关性,自动抵消压力波动,实现风量恒定 |
| 系统启停 / 工况切换 | 压差震荡、恢复缓慢 | 预标定流量曲线,工况切换无超调,快速重建稳定压差 |
4 、模块化构建GMP洁净空间无形屏障

洁净室的压差控制,其本质并非维持静态压力数值,而是通过精确管理气体流量与流速,构建物理隔离屏障,主动制止污染物扩散。
采用以房间/区域为独立控制单元的设计架构,配合高精度变风量阀作为执行机构,并结合"余风量+压差"串级控制算法,可实现以下功能并满足GMP要求的压差梯度:
- 换气次数的主动调节,适应多工况、多场景的高能效运行;
- 送排风量的抗干扰性;
- 维持气流方向(从高级别洁净区向低级别区)无逆反。
- 符合GMP对压差梯度的强制性要求:GMP明确规定不同洁净级别之间必须保持规定的正压或负压(如≥10Pa)。房间单元级控制可独立设定每个房间的压差目标值,避免区域间耦合干扰。
- 满足动态扰动下的自调节能力:人员走动、过滤器阻力变化、风管压力波动等均会引起压差波动。余风量前馈控制(快速响应)与压差反馈串级控制(精准修正)相结合,可在毫秒级时间内重新锁定压差,确保持续符合验证状态。
- 保障气流定向与交叉污染防护:稳定的压差梯度直接决定了气流方向(从洁净区流向非洁净区,或危险区负压)。房间单元方案可确保任何时刻送排风量差均维持设定余风量,从而保证气流定向不逆转,这是GMP防止交叉污染的核心要求。
该技术路线已广泛应用于生物制药生产车间、科研实验设施、高等级生物安全实验室及医疗保健场所等受控环境,能够有效满足GMP、ISO 14644等标准对洁净室气流控制与污染屏障的性能要求。
关于昊星
昊星自动化致力于打造实验室环境控制的智慧化解决方案,助力中国创造。自1997年成立以来,昊星以匠心工艺、科技创新、智慧化布局为内核,专注于生物制药、石化、科研机构、高校、医疗保健及检测中心等行业的洁净和通风智能化应用开发与实践;为实验人员构建安全、舒适且智能的工作环境,至今已成功落地2500+领先案例。公司总部设立在珠海高新区,在港湾五号人工智能与机器人产业园建有4800+平方米的生产基地,年产高精密风量控制阀10000+套,传感器15000+件和控制屏10000+件。秉持极致产品主义理念,昊星自主研发风阀全自动风量标定系统、高精度旋压设备和精密测试工装等10+台先进研发设备及70+台生产检测设备。昊星将持续通过卓越品质和科技创新推动智慧化技术的发展,为各行业客户提供安全、舒适、智能、可靠的解决方案。
官网:www.hcs.cn
服务热线:+86 400 716 6611
公共关系部:hcs@hcs.cn