在户外装备、工业通讯、医疗设备等场景中,音频接口既要抵御水汽、油污等恶劣环境侵蚀,又要保障高频插拔下的稳定传输,传统耳机插座常因防护不足、结构松散陷入"失效困境"。TENGJUN推出的JA05-BPD035-A防水耳机插座,以IPX7级防水为核心,融合4极配置、内置开关、高耐久性等多重特性,精准破解复杂场景下的音频连接难题,成为跨领域接口解决方案的优选。
一、结构设计:紧凑适配与稳定安装的双重突破
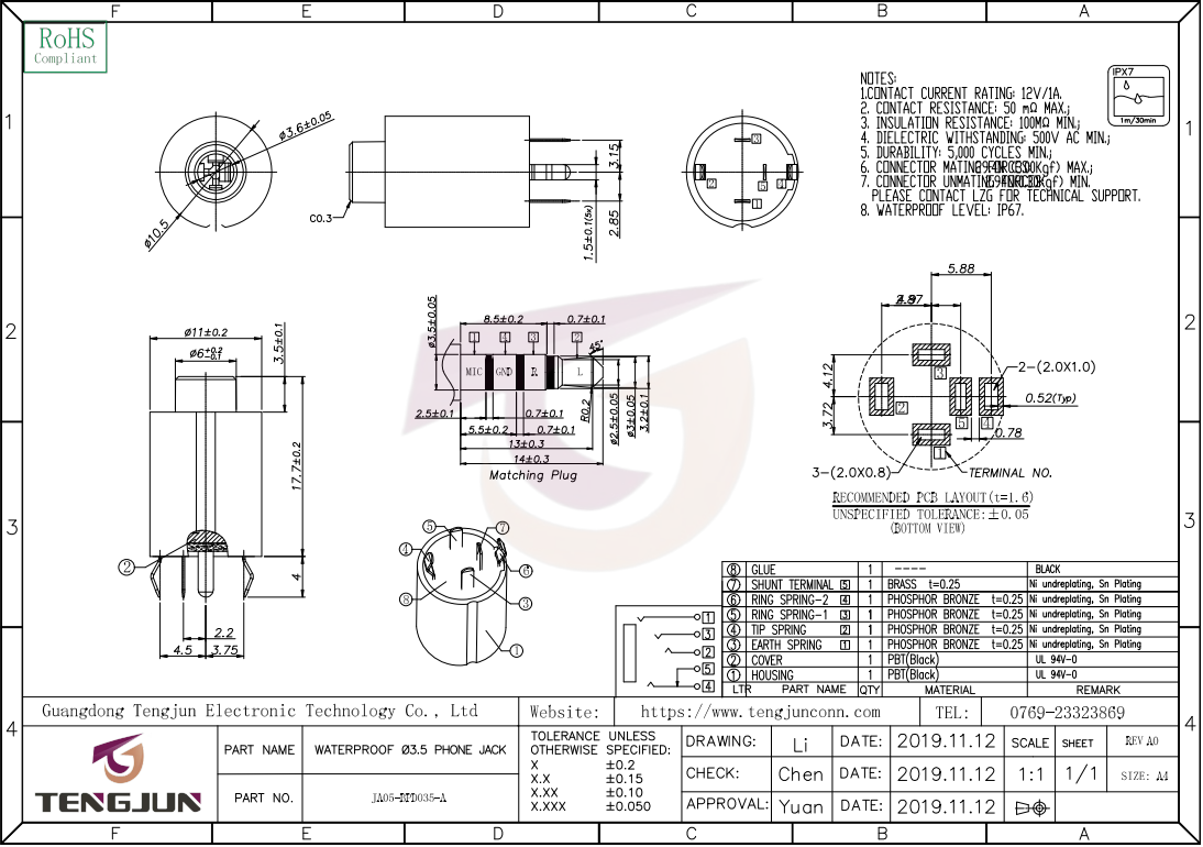
JA05-BPD035-A的结构参数精准匹配设备集成需求,每一项设计均指向"空间适配"与"连接牢固"的核心目标。
1.其采用立插+板上型复合结构,立插设计符合多数设备的插拔操作习惯,适配常规纵向接口布局,而板上型结构可直接通过SMT自动化焊接固定于PCB板表面,既规避了通孔插装对板材厚度的限制,又能提升批量生产效率。关键尺寸L17.7mm的把控尤为精妙------相比微型插座,该尺寸可容纳更强力的弹片结构,避免插拔力不足导致的脱落问题;同时不会过度占用设备内部空间,完美适配户外对讲机、便携式医疗设备等紧凑机身。
2.接口端的圆头设计与标准3.5mm/2.5mm耳机插头形成无缝匹配,插拔过程顺畅无卡滞,而内部暗藏的对夹式弹片结构,能在插头插入后紧密夹紧外壁,即便设备遭遇震动或拉扯,也可有效防止音频断连,这一设计对运动场景中的设备尤为关键。4极引脚配置则实现"音频输出+语音输入"双模功能,涵盖左声道、右声道、麦克风、接地全通路,无需额外预留麦克风接口,大幅简化设备接口布局。

二、核心功能:内置开关与高耐久性的实用赋能
区别于普通音频接口,JA05-BPD035-A的内置开关与高耐久性设计,从功能适配到寿命保障形成全链条支撑。
1.带开关设计采用常闭触点结构,未插入插头时开关保持闭合,插入后插头推动触点分离实现通路切换。这一功能在多场景中价值显著:户外音响未插耳机时,音频自动通过内置扬声器输出;插入耳机后即刻切换至私密聆听模式,无需手动操作;在工业对讲设备中,若插头意外脱落,开关复位闭合可联动触发声光报警,提醒操作人员及时排查连接问题。
2.最小5000次循环的耐久性更是达到工业级标准。按照IEC 60529与GB/T 18210-2012标准测试,其插拔力稳定维持在5N-15N的黄金区间,既不会因过松导致脱落,也不会因过紧造成接口损伤。经过5000次插拔后,触点接触电阻变化不超过20mΩ,弹片夹紧力衰减控制在30%以内,完全满足消费电子"每日10次插拔、持续1年以上"的使用需求,以及工业设备高频操作的寿命预期。
三、防护性能:IPX7防水的多层密封技术解密
IPX7防水等级是JA05-BPD035-A的核心竞争力,可实现1米深水中浸泡30分钟不进水,其防护能力源于"三重密封+材料升级"的协同设计。
1.在接口密封层,插座端口内侧嵌入丁腈橡胶密封圈,该材料兼具耐老化、耐油污特性,通过唇边设计与插头外壁形成紧密贴合,从源头阻断水汽渗入路径。内部腔体密封采用二次注塑工艺,以环氧树脂防水胶填充引脚与PCB板的焊接处,形成无缝防护层,即便有少量水汽突破接口,也无法侵入电路核心区域引发短路。功能组件密封则针对内置开关,采用密封胶包裹与塑料隔离腔双重防护,确保开关触点在潮湿环境中仍能稳定动作,避免失灵。
2.这种多层密封体系不仅能抵御雨水、汗液侵蚀,还可适应医疗设备的酒精擦拭消毒场景,以及工业车间的油污环境,极大拓展了接口的适用边界。外壳选用UL94 V-0级阻燃料,遇火可自熄,配合镀金触点(厚度≥15u")的抗氧化特性,进一步提升设备使用安全性。

四、场景落地:跨领域适配的全场景价值体现
基于"防护+功能+耐用"的综合优势,JA05-BPD035-A已在多领域实现深度应用。
1.在消费电子领域,其IPX7防水能力可抵御运动耳机的汗液浸泡与户外音箱的雨水泼溅,4极配置支持线控通话功能,成为运动装备与户外音频设备的标配接口;工业与通讯场景中,工厂车间的对讲设备借助其防水防油污特性与对夹固定结构,可保障嘈杂环境下的稳定通讯,内置开关的报警联动功能则降低了连接故障带来的作业风险;在医疗设备领域,便携式听诊器、康复器械通过该接口传输音频信号,低接触电阻(≤30mΩ)确保音质清晰无杂音,防水设计则便于设备日常消毒维护,符合医疗场景的严苛标准。
从结构设计的精准适配到防护技术的层层突破,JA05-BPD035-A重新定义了专业音频接口的性能标准。其将IPX7防水、4极功能、高耐久性等特性融为一体,既解决了恶劣环境下的防护痛点,又满足了多场景的功能需求,为音频连接技术的场景化应用提供了可复制的创新范本。