针对空调单端PID控制温差较大时易过冲的问题,设计干预PID耦合控制方法,通过LabVIEW完成仿真、实验分析与性能验证,最终证明该控制方法在动态性能、鲁棒性等方面更优,同时可辅助室内污染物调节。

应用场景
-
空调温度控制:适用于学校、餐馆等公共建筑的空调系统,解决传统单端PID控制在温差较大时的过冲问题,实现室内温度精准、稳定调节,满足不同热负荷(如1000W、1500W)下的室温控制需求。
-
室内污染物防控:在COVID-19等病毒气溶胶传播场景中,结合良好气流组织设计,通过干预PID控制初始阶段输出最大风量,快速平衡室内污染物浓度,降低人员接触污染空气的风险,辅助室内环境污染物调节。
软件架构
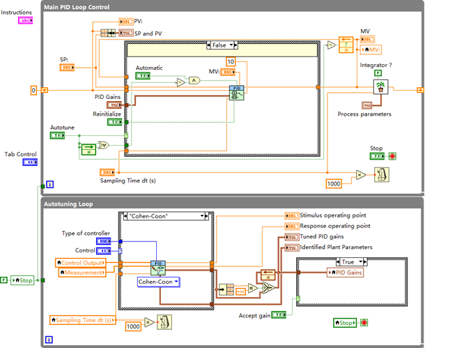
LabVIEW软件架构围绕"数据采集-仿真建模-性能验证-对比分析"核心流程实现功能,具体如下:
-
数据采集模块:通过LabVIEW与热电偶硬件的集成,采集室内增加1500W热负荷后的室温变化数据,获取房间阶跃响应特性,为后续控制模型搭建提供真实实验数据支撑,确保模型输入的准确性。
-
仿真程序模块:依据房间阶跃响应特点,在LabVIEW环境中分别搭建常规PID控制与干预PID控制仿真程序。其中干预PID程序内置逻辑判断模块,可根据受控变量与设定值的偏差大小自动切换控制方式------偏差大时触发干预控制算法,偏差小时切换为增量PID算法,实现两种控制方法的耦合。
-
可靠性验证模块:将实验采集的室温数据导入LabVIEW仿真程序,对比仿真结果与实际实验数据的一致性,验证仿真程序的可靠性,确保后续性能分析结果的有效性,避免因程序误差导致结论偏差。
-
性能对比模块:在LabVIEW中设置1000W、1500W两种负载场景,运行两种控制仿真程序,自动采集并分析系统的稳定性(室温波动幅度)、抗干扰性(负载变化后室温恢复速度)、鲁棒性(不同负载下控制效果一致性)数据,生成对比报告,直观呈现干预PID控制的优势。
架构优点
-
集成性强:LabVIEW可无缝对接热电偶等硬件设备,无需额外开发数据采集接口,实现"硬件-软件"一体化控制,简化系统搭建流程,降低工程师开发难度。
-
仿真高效:支持快速搭建PID与干预PID控制模型,可灵活调整负载参数(如1000W、1500W),无需实际改造空调系统即可完成多场景仿真测试,缩短实验周期,减少研发成本。
-
可视化程度高:提供直观的数据流图表与结果展示界面,工程师可实时监控室温变化曲线、控制算法切换过程及性能指标对比数据,便于快速定位问题、优化控制参数。
-
扩展性好:若后续需增加新的控制算法(如模糊PID)或扩展污染物浓度监测功能,可在现有LabVIEW架构基础上直接添加模块,无需重构整体程序,适应不同功能迭代需求。
开发问题
-
数据同步偏差:热电偶采集的室温数据与LabVIEW仿真程序的时间轴不同步,导致房间阶跃响应曲线失真,影响控制模型参数设定准确性。
-
控制逻辑切换卡顿:干预PID控制中,从干预法切换为增量PID法时,系统易出现瞬时风量波动,导致室温短暂振荡,不符合稳定控制要求。
-
多负载仿真效率低:初始在1000W、1500W负载下分别运行仿真程序,需手动修改参数并重新启动,操作繁琐且耗时,无法实现批量测试。
解决措施
-
数据同步优化:在LabVIEW中添加时间戳校准模块,通过硬件时钟同步功能,将热电偶采集数据的时间戳与仿真程序时间轴统一,同时设置数据滤波算法,剔除采集过程中的异常值,确保阶跃响应曲线真实反映室温变化规律。
-
切换逻辑平滑处理:在LabVIEW干预PID程序中加入过渡衔接算法,当偏差达到切换阈值时,逐步调整控制输出量(如风量从最大梯度降低),而非直接切换控制方式,通过参数微调实现两种算法的平滑过渡,消除室温振荡问题。
-
批量仿真功能开发:利用LabVIEW的循环结构与参数数组功能,将1000W、1500W负载参数录入数组,程序自动循环调用不同负载参数并执行仿真,同时生成批量结果报告,无需人工干预,将多负载仿真时间缩短50%以上,提升测试效率。