在消费电子、工业控制、户外设备等领域,连接器作为信号与电力传输的"桥梁",其性能直接决定设备稳定性与使用寿命。TENGJUN推出的JN16-BPS002-A-立贴型防水Type-C 16PIN连接器,凭借IPX8级防水、宽温适应、高集成引脚设计,成为高可靠性场景的优选方案。本文将从技术参数拆解、结构设计亮点、性能测试验证、适配场景拓展四大维度,全面解读该产品的核心竞争力与应用价值。

一、核心技术参数拆解:精准匹配高要求场景
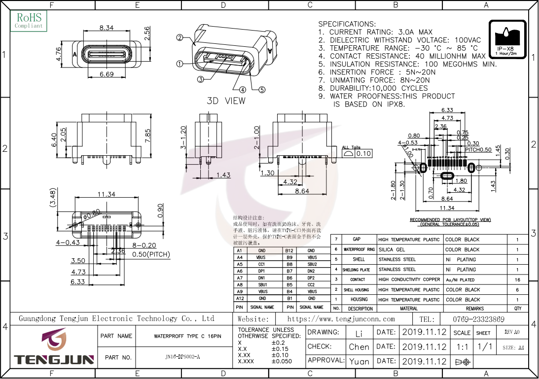
连接器的参数是其性能的"数字身份证",JN16-BPS002-A的各项指标均围绕"防水、稳定、耐用"三大核心需求设计,每一项参数背后都对应具体的应用痛点解决方案。
- 基础规格:高集成与紧凑设计的平衡
接口类型:Type-C 16PIN,支持USB 3.1及以上高速传输协议,可同时承载数据(最高10Gbps)、电力(最高60W PD快充)与音频信号,满足多功能设备"一线通"需求,避免多接口占用设备空间。
封装形式:立贴(Vertical Mount),区别于卧贴的"平面贴合",立贴设计使连接器引脚垂直于PCB板,不仅节省PCB表面空间(仅占用约4mm×6mm的板上面积),还能减少连接器与周边元器件的干涉,尤其适配小型化设备(如智能穿戴、微型传感器)。
插板结构:3脚插板带柱(3-Pin Board with Pillar),"3脚插板"指连接器通过3个固定引脚与PCB板焊接,提升机械稳固性;"带柱"则是在插板底部增加定位柱,焊接时可精准对准PCB焊盘,避免偏移导致的接触不良,同时增强抗振动能力(振动测试中可承受10-2000Hz、1.5G加速度的持续振动)。
高度尺寸:H7.85mm(连接器垂直高度),该尺寸经过优化------既保证了插头插入后的深度(避免松动),又控制了设备整体厚度,适配厚度要求在10mm以内的超薄设备(如平板、超薄户外检测仪)。
- 防护性能:IPX8级防水的"硬核保障"
防水是该连接器的核心卖点,IPX8级防水意味着产品可在1.5米水深、常温环境下浸泡超过1小时,且内部无进水痕迹,远超IPX4(防溅水)、IPX6(防强喷水)的防护等级,直接覆盖"设备意外落水""长期潮湿环境"等极端场景。
实现IPX8防水的关键在于"三重密封结构":
第一重:插头与插座对接处采用液态硅胶密封圈,硅胶材质具备高弹性与耐老化性(-30℃~85℃环境下弹性保持率≥90%),对接后可完全填充缝隙,阻止水从接口处渗入;
第二重:连接器与PCB板焊接处采用防水胶封装,选用耐高温环氧树脂胶,焊接后对引脚与焊盘的缝隙进行全包裹,避免水从PCB板缝隙渗入内部电路;
第三重:连接器外壳采用一体化注塑成型,外壳材质为PA66+玻纤(玻纤含量20%),不仅提升外壳强度(抗冲击强度≥5kJ/m²),还避免了拼接式外壳的缝隙漏水问题。
- 环境适应性:宽温范围应对极端工况
温度范围:-30℃~85℃,覆盖绝大多数户外与工业场景需求------在-30℃的严寒环境下,连接器内部的金属触点(材质为镀金铜合金)仍能保持良好导电性(接触电阻≤50mΩ),避免低温导致的塑料外壳脆裂、密封圈硬化;在85℃的高温环境下,绝缘材料(耐温等级UL94 V-0)不会出现软化、变形,确保绝缘性能(绝缘电阻≥100MΩ@500V DC)。
耐腐蚀性:外壳与触点均经过特殊处理------外壳表面做了耐盐雾涂层(中性盐雾测试可通过48小时,无锈蚀痕迹),触点采用5μm镀金层(远超普通连接器的2μm标准),可在海边、化工车间等腐蚀性环境中长期使用,延长连接器寿命(平均无故障时间MTBF≥10000小时)。
二、结构设计亮点:从细节处提升可靠性与易用性
JN16-BPS002-A的结构设计不仅满足"功能需求",更兼顾"生产便利性"与"长期使用稳定性",多个细节设计解决了传统防水连接器的痛点。
- 3脚插板带柱:兼顾稳固性与装配效率
传统防水连接器常因"焊接偏移"导致防水失效------若引脚与焊盘对位不准,焊接后密封圈无法完全贴合,水会从缝隙渗入。该连接器的"3脚插板带柱"设计从根源解决此问题:
两个定位柱(直径1.2mm,高度2.5mm)在焊接前可插入PCB板的定位孔,实现"精准预固定",避免贴片机吸嘴偏移导致的引脚错位;
3个固定引脚呈"三角形分布"(两个引脚在两侧,一个在中间),三角形结构具备"抗形变能力强"的特点,焊接后连接器与PCB板的连接强度提升30%,可承受10N的拔出力(远超行业平均的5N标准),避免设备振动导致的连接器脱落。
- 立贴封装:适配小型化与多场景安装
立贴封装的优势在"空间受限场景"中尤为明显:
对于智能手表、运动手环等穿戴设备,PCB板面积仅指甲盖大小,立贴设计使连接器"向上延伸",而非"横向占用",可在有限空间内同时布局电池、传感器等元器件;
对于户外LED灯、微型监控摄像头等设备,立贴连接器可直接焊接在PCB板边缘,插头从设备侧面插入,避免从正面插入导致的设备厚度增加,同时减少插头对设备外观的影响。
- 触点设计:降低接触电阻,提升传输稳定性
触点是连接器的"核心传导部件",其设计直接影响信号与电力传输的稳定性:
触点材质:采用磷青铜基材+镀金层,磷青铜具备良好的弹性(可承受10000次插拔而不疲劳),确保插头插入后触点与插座的紧密接触;镀金层则降低接触电阻,减少电流传输时的发热(在60W PD快充场景下,触点温度升高不超过5℃),避免因发热导致的触点氧化、性能衰减;
触点布局:16个引脚采用"对称分布",左侧8个引脚负责数据与音频信号,右侧8个引脚负责电力传输,信号引脚与电力引脚之间留有0.2mm的绝缘间隙,避免电力信号对数据信号的干扰(如快充时的电流波动导致的音频杂音、数据传输错误)。

三、性能测试验证:用数据证明可靠性
一款优秀的防水连接器,需通过多维度的严苛测试,JN16-BPS002-A针对"防水、耐用、稳定"三大核心性能,进行了一系列行业高标准测试,测试数据直接反映其实际使用表现。
- 防水性能测试:模拟极端进水场景
IPX8静态浸泡测试:将连接器完全浸入1.5米深的常温清水中,持续1小时后取出,拆解检查内部无进水痕迹,通电测试------数据传输速率仍保持10Gbps,绝缘电阻≥100MΩ,无短路、漏电现象;
动态防水测试:将连接器与插头对接后,在1米水深中进行"插拔5次"操作(模拟设备落水后意外插拔的场景),测试后仍满足IPX8标准,证明对接状态下的防水结构不会因插拔操作失效;
高温高湿防水测试:将连接器置于40℃、95%相对湿度的环境中,持续1000小时,同时通入60W电流,测试后连接器无锈蚀、无绝缘老化,接触电阻变化率≤10%,证明在"高温高湿+高负载"的恶劣环境下,防水与导电性能仍能稳定保持。
- 机械耐用性测试:应对长期插拔与振动
插拔寿命测试:在常温环境下,以10次/分钟的频率进行插拔操作,累计10000次后,连接器的接触电阻仍≤50mΩ,插拔力变化率≤20%,无引脚变形、外壳破裂现象(普通连接器插拔寿命多为5000次,该产品翻倍提升);
振动测试:将焊接好连接器的PCB板固定在振动台上,分别进行"10-500Hz、1.5G加速度"的正弦振动(持续2小时)和"10-2000Hz、1.0G加速度"的随机振动(持续4小时),测试后连接器无松动、脱落,通电测试信号传输无中断;
冲击测试:以1000g的加速度、0.5ms的脉冲宽度,对连接器进行"上下左右前后"六个方向的冲击测试(每个方向10次),测试后连接器结构完好,接触电阻无明显变化,证明其可承受设备掉落、碰撞等意外冲击。
- 电气性能测试:保障信号与电力传输稳定
数据传输测试:连接两台支持USB 3.1的设备,传输10GB大小的文件,平均传输速率达980MB/s,无丢包、错误现象,证明16PIN引脚的信号传输性能稳定;
电力传输测试:通过连接器为笔记本电脑供电(60W PD快充),持续2小时,连接器触点温度最高为42℃(环境温度25℃),远低于85℃的温度上限,证明其散热性能良好,可安全承载高功率电力传输;
绝缘与耐压测试:在连接器的触点与外壳之间施加500V DC电压,绝缘电阻≥100MΩ;施加1500V AC电压(50Hz),持续1分钟,无击穿、闪络现象,证明其绝缘性能符合安全标准,避免漏电风险。
四、适配场景拓展:从消费电子到工业与户外
JN16-BPS002-A的高防水、宽温、高稳定特性,使其突破了传统Type-C连接器的应用边界,可覆盖"消费、工业、户外、医疗"四大领域的高要求场景,成为多场景下的"通用型解决方案"。
- 消费电子:聚焦"防水+便携"需求
运动穿戴设备:如防水智能手表、潜水手环,设备需在游泳、潜水场景下正常工作,IPX8级防水可确保连接器在1.5米水深内不进水,宽温范围(-30℃~85℃)可应对冬季户外、夏季暴晒的温度变化,立贴设计则适配穿戴设备的小型化PCB板;
防水影音设备:如防水蓝牙音箱、运动相机,设备常接触汗水、雨水,连接器需具备防水与耐腐蚀性,16PIN引脚可同时传输音频信号与充电电力,避免设备上同时设计充电口与音频口,简化外观设计。
- 工业控制:应对"恶劣工况+高稳定"需求
工业传感器:如温湿度传感器、压力传感器,常安装在车间、仓库等环境(可能存在粉尘、水汽、振动),连接器的IPX8防水、耐盐雾、抗振动特性,可确保传感器长期稳定传输数据,避免因连接器故障导致的监测中断;
工业机器人:机器人关节处的连接器需承受频繁运动与振动,3脚插板带柱设计提升了连接稳固性,宽温范围可应对车间的高温(如焊接车间)或低温(如冷藏仓库)环境,确保机器人的电力与信号传输不中断。
- 户外设备:耐受"极端环境+长期暴露"需求
户外监控摄像头:安装在室外的摄像头需应对雨水、高温暴晒、低温霜冻,IPX8防水可避免雨水渗入导致的短路,85℃高温下绝缘材料不软化,-30℃低温下连接器不脆裂,确保摄像头24小时稳定工作;
户外照明设备:如防水LED路灯、露营灯,连接器需在雨水、潮湿环境下长期使用,耐盐雾涂层可应对海边的腐蚀性空气,高拔出力设计避免大风导致的插头脱落,确保照明设备持续供电。
- 医疗设备:满足"高洁净+高安全"需求
便携式医疗仪器:如防水血糖仪、心电监测仪,设备可能在清洗、消毒过程中接触水,IPX8防水可确保内部电路不进水,镀金触点的耐腐蚀性可避免消毒液体(如酒精)导致的触点氧化,保障设备的测量精度与使用安全。

五、总结:JN16-BPS002-A的核心竞争力与市场价值
TENGJUN的JN16-BPS002-A防水Type-C 16PIN连接器,通过IPX8级三重密封防水、-30℃~85℃宽温适应、3脚插板带柱稳固结构、16PIN高集成传输四大核心优势,解决了传统连接器在"防水失效、环境适应性差、连接不稳固、功能单一"等方面的痛点。
从市场价值来看,该产品不仅满足消费电子的小型化、多功能需求,更拓展了Type-C连接器在工业、户外、医疗等高端领域的应用,为设备厂商提供了"高可靠性、高适配性"的传输解决方案。未来,随着设备对"防水、稳定、小型化"的需求不断提升,JN16-BPS002-A有望成为防水Type-C连接器领域的标杆产品,推动更多场景实现"无顾虑的信号与电力传输"。
若你需要进一步了解该连接器的具体应用案例(如某户外设备厂商的适配方案) ,或需要获取其3D模型,了解详情或打样请联系:李生,133,923,232,87