一、产品核心定位
HLD3350AL 是一款基于先进 CMOS 工艺的低压差线性稳压器(LDO),专为对供电稳定性、耐压能力及低功耗有严苛要求的电子设备设计,凭借优异的电气性能和灵活的封装选择,成为电源系统设计中的高性价比选型。
二、关键电气性能解析
耐压与输出特性:支持最高 50V 输入耐压,可从容应对复杂供电环境下的电压波动;固定 3.3V 输出电压精度高,纹波抑制能力强,能为敏感负载提供纯净供电;输出电流可达 250mA,满足音频放大、信号处理等中等功率负载需求。
低功耗设计:采用 CMOS 核心架构,静态功耗显著低于传统 LDO,有效降低系统待机功耗,尤其适配电池供电或低功耗设备,延长续航时间。
多重保护机制:集成输出短路保护功能,当输出端发生短路时快速切断回路,避免芯片烧毁及后端电路损坏;具备高温电流自限流特性,温度升高时自动降低输出电流,防止芯片过热导致的系统崩溃,大幅提升设备工作可靠性。
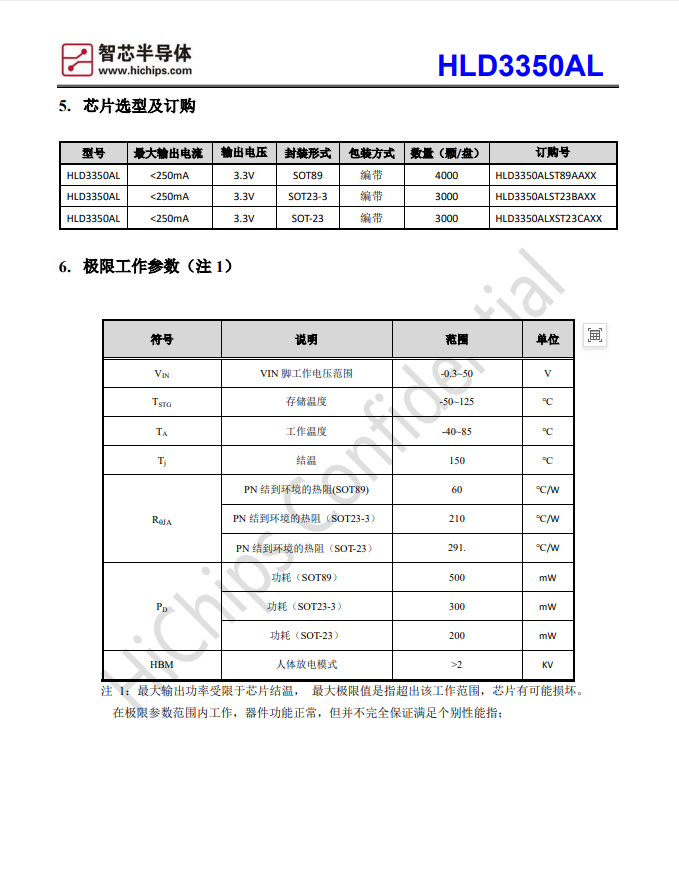
三、封装选择与适配场景
产品提供三种主流封装形式,适配不同 PCB 布局需求:
SOT-23:超小体积,适合空间极度受限的紧凑型设计(如便携式音频设备、微型传感器);
SOT23-3:标准三引脚封装,焊接工艺成熟,兼容性强,广泛应用于通用电子设备;
SOT89:散热性能更优,可适配长时间高负载工作场景(如通信模块、视频播放器)。
四、典型应用领域
凭借稳定的供电性能和宽适配性,HLD3350AL 可广泛部署于:
电源设备:辅助电源、线性稳压模块、电源适配器;
通信设备:路由器、交换机、无线模块的供电单元;
音视频设备:音响、机顶盒、监控摄像头的信号处理电路供电;
其他电子设备:工业控制模块、消费电子、医疗器械等对供电可靠性要求较高的场景。
五、选型核心优势
HLD3350AL 以 "高耐压 + 低功耗 + 强保护" 为核心亮点,搭配多封装选择,既满足专业设备的性能要求,又兼顾成本控制,为硬件工程师提供兼顾稳定性与灵活性的电源解决方案,助力缩短产品研发周期,提升终端设备的市场竞争力。


