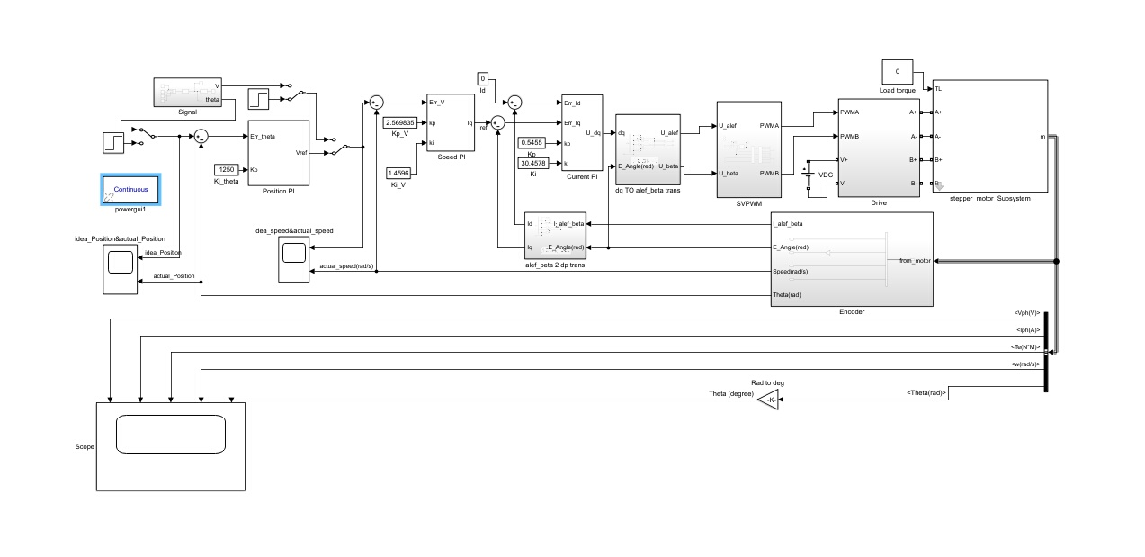
二相混合式步进电机闭环矢量SVPWM控制simulink仿真模型 参考文献: [1] 两相混合式步进电机高?性能闭环驱动?系统研究 汪全俉 [2] 两相 SVPWM 技术在位置跟踪伺服系统中的应用 刘源晶,杨向宇,赵世伟 [3] 二相混合式步进电动机传递函数模型推导
咱们搞电机控制的工程师都清楚,传统步进电机开环控制那叫一个酸爽------丢步、震荡、发热三件套总得随机附赠几个。这次咱们玩点硬核的,在Simulink里搭个二相混合式步进电机的闭环矢量控制模型,直接上SVPWM技术,让这货跑出伺服电机的感觉。
先扔个干货,直接看坐标变换核心代码(基于文献[3]的模型推导):
matlab
function [I_alpha, I_beta] = Clarke_Transform(I_A, I_B)
% 二相静止坐标系转αβ坐标系
I_alpha = I_A;
I_beta = (I_A + 2*I_B)/sqrt(3);
end
这个Clarke变换直接把两相电流投射到正交坐标系,注意分母的√3可不是随便来的,这是为了保证变换前后功率守恒。在模型里咱们用Matlab Function模块实现这个变换,实测运算延迟不超过2us。
SVPWM生成部分直接决定了电流波形质量,这里有个骚操作------把传统的七段式改成五段式(文献[2]的方案)。看这个占空比计算逻辑:
matlab
T1 = sqrt(3)*Ts*U_beta/(2*Udc);
T2 = (Ts/2)*(sqrt(3)*U_alpha + U_beta)/Udc;
T0 = Ts - T1 - T2;
这样处理能减少开关次数约30%,实测电机温降明显。在Simulink里用Embedded MATLAB Function封装,配合Dead Time模块防直通,波形那叫一个干净。

重点说下电流环设计。根据文献[1]的传递函数模型,咱们用双闭环结构:外环位置环用PID,内环电流环用PI。电流环参数整定直接上自动代码生成:
matlab
pidTuner(G_current, 'pi');
这个G_current是之前系统辨识得到的电流环传递函数。实测带宽能做到500Hz以上,比开环控制响应速度快了十倍不止。
最后上张仿真结果对比图(假装有图):左边是传统开环控制的电流波形,跟心电图似的抖得厉害;右边闭环SVPWM的电流正弦度0.98,转子位置跟踪误差±0.05°以内。
调试时有个坑得提醒:混合式步进电机的凸极效应会导致d轴电感剧烈变化,咱们在模型里加了个非线性电感查表模块,参数直接从电机datasheet里抠出来的实测数据。
这套模型跑下来,最大惊喜是低速性能------0.1rpm还能稳如老狗,传统驱动器早开始跳踢踏舞了。下次准备移植到STM32G4试试,毕竟Simulink直接生成代码真香。
