matlab/simulink仿真设计 锂电池主动均衡仿真(基于电压) 变压器型均衡电路(四节电池为例) 1.基于电压器的均衡电路(整理变压器) (需要改价!!) 本店还有buck-boost电路均衡 开关电容均衡电路 双向反激电路 双层准谐振仿真模型
在锂电池应用的领域里,电池均衡是一个关键的问题。想象一下,一组锂电池就像是一群并肩作战的小伙伴,如果其中有个小伙伴"掉队"了,那么整个团队的战斗力都会受到影响。在锂电池组中,如果各节电池的电压不一致,就会导致电池的充放电效率降低,甚至影响电池的使用寿命。所以,电池均衡技术就显得尤为重要啦。今天咱们就来聊聊基于电压的变压器型均衡电路的Matlab/Simulink仿真设计。
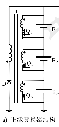
变压器型均衡电路介绍
咱们以四节电池为例来说说这个变压器型均衡电路。变压器型均衡电路就像是一个聪明的"指挥官",它能根据各节电池的电压情况,合理地分配能量,让每节电池的电压尽可能保持一致。

下面是一个简单的Matlab代码示例,用来模拟四节电池的初始电压情况:
matlab
% 四节电池的初始电压
battery_voltages = [3.5, 3.6, 3.4, 3.7];
disp('四节电池的初始电压:');
disp(battery_voltages);
代码分析:这段代码很简单,定义了一个包含四节电池初始电压的数组battery_voltages,然后使用disp函数将这些电压值显示出来。从这里我们可以看到每节电池一开始的"状态",方便后续观察均衡电路的作用。
Matlab/Simulink仿真设计
接下来就要进入Simulink的世界啦。在Simulink中,我们可以搭建变压器型均衡电路的仿真模型。首先,我们要创建一个新的Simulink模型。然后,从Simulink的库中选取合适的模块,比如电池模块、变压器模块、开关模块等等,把它们连接起来,构建出我们的均衡电路。
下面是一个简单的思路,如何在Matlab代码里调用Simulink模型进行仿真:
matlab
% 打开Simulink模型
open_system('battery_equalization_model');
% 设置仿真时间
sim_time = 100;
% 运行仿真
sim('battery_equalization_model', sim_time);
代码分析:第一行代码opensystem**用于打开我们创建好的Simulink模型battery equalizationmodel*。第二行代码sim* time设置了仿真的时间为100个单位。最后一行代码sim则是开始运行这个仿真模型,让它按照我们设定的时间进行模拟。
其他均衡电路
除了变压器型均衡电路,本店(嘿嘿,这里借用一下文案的说法)还有其他几种均衡电路可供选择。比如buck - boost电路均衡、开关电容均衡电路、双向反激电路和双层准谐振仿真模型。
buck - boost电路均衡
buck - boost电路就像是一个"变魔术"的电路,它可以灵活地调节输出电压,实现电池之间的能量转移。在Simulink中搭建它的模型时,要注意电感、电容和开关的参数设置,这些参数会影响电路的性能。
开关电容均衡电路
开关电容均衡电路就像是一个"搬运工",通过开关的控制,把电容里的能量从电压高的电池搬运到电压低的电池。它的优点是结构简单,但是均衡速度可能相对较慢。
双向反激电路
双向反激电路则像是一个"双向通道",既可以把能量从一节电池传递到另一节电池,也可以反向传递。在设计这个电路的仿真模型时,要特别注意变压器的匝数比和开关的驱动信号。
双层准谐振仿真模型
双层准谐振仿真模型就像是一个"高级玩家",它能利用谐振的原理,提高能量的转换效率。搭建这个模型时,谐振电感、谐振电容等参数的选择非常关键。

总之,不同的均衡电路有不同的特点和适用场景。通过Matlab/Simulink的仿真设计,我们可以深入研究这些电路的性能,为锂电池的应用提供更好的解决方案。让我们的锂电池小伙伴们都能保持"齐头并进"的状态,发挥出最大的能量!