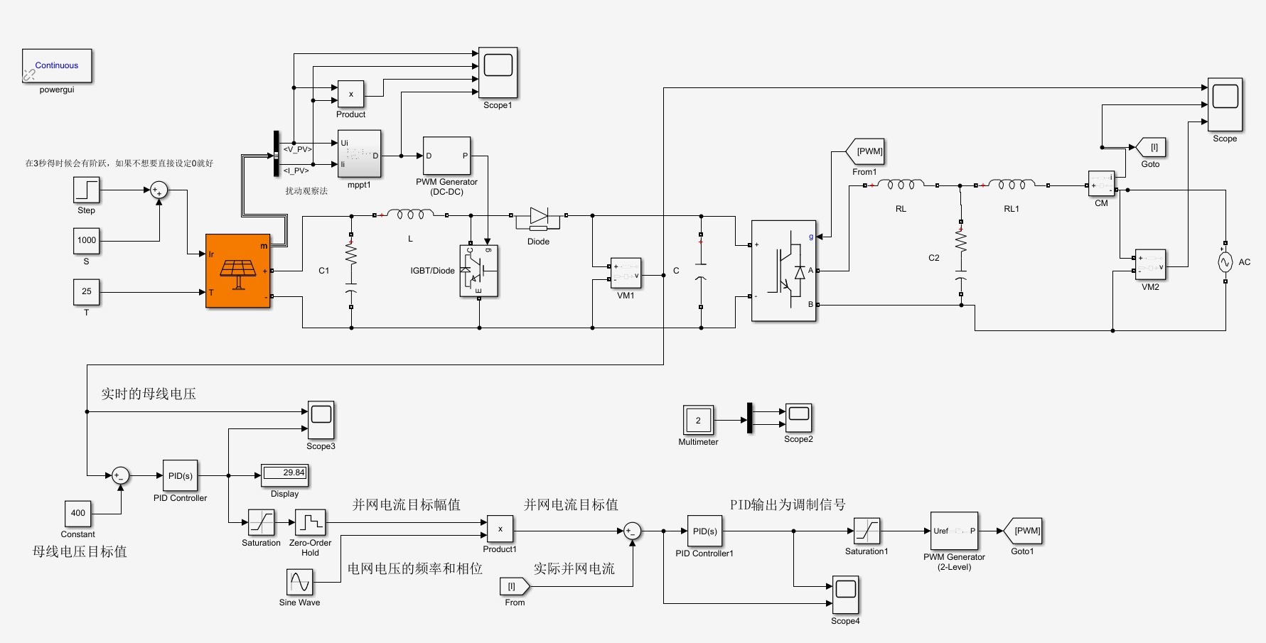
单相逆变器并网 boost+半桥结构 实现了如下功能:MPPT算法,升压到400V,半桥逆变进行AC并网 提供参考文献
背景与意义
在现代可再生能源系统中,逆变器扮演着至关重要的角色。它负责将太阳能电池板等发电设备输出的直流电转换为与电网电压相匹配的交流电,从而实现并网。传统的逆变器结构通常包括升压模块和逆变器两部分,其中升压模块负责将直流电压提升到逆变器的工作电压(通常为400V或500V),而逆变器则负责将直流电转换为交流电。

然而,随着可再生能源应用的扩展,传统的逆变器结构在效率和灵活性方面面临着一些挑战。例如,在光照强度变化较大的情况下,传统的PI控制器难以快速响应,导致电压控制精度不高。此外,升压模块的效率和结构复杂性也会影响整个系统的性能。因此,寻找一种更高效、更灵活的逆变器结构成为研究的热点。
系统设计概述
为了满足上述需求,本系统采用了Boost+半桥逆变器结构。这种结构通过将升压模块和逆变器模块相结合,不仅提升了系统的效率,还简化了逆变器的拓扑结构,从而实现了更好的灵活性和响应速度。
拓扑结构
- 升压模块
采用CCS(电流开关型式)和CCP(电压开关型式)相结合的拓扑结构。CCS用于将直流电压升压到所需的电压等级,而CCP则用于将升压后的电压进一步升压到逆变器的工作电压(400V)。这种结构不仅提升了系统的效率,还简化了逆变器的拓扑结构。
- 半桥逆变器
半桥逆变器采用桥式拓扑结构,通过开关器件的快速切换来实现电压的逆变。其优势在于开关次数少,结构简单,适合高频控制,从而提升了系统的效率和响应速度。
MPPT算法
为了优化系统的性能,本系统采用了基于PI调节的MPPT(最大功率跟踪)算法。MPPT算法的核心思想是通过跟踪光照变化,实时调整逆变器的工作电压,以达到最大功率输出。具体实现如下:
- MPPT原理
MPPT算法通过检测光照强度的变化,调整逆变器的电压调节器,从而跟踪光伏系统的最大输出功率点。这种自适应控制方法能够有效提高系统的能量转化效率。
- 实现细节
采用基于PID的控制算法,通过传感器实时采集光照强度和逆变器电压,然后通过反馈调节逆变器的电压调节器,以跟踪最大功率点。
逆变器控制
逆变器的控制策略基于半桥逆变器的拓扑结构,通过开关器件的快速切换来实现电压的逆变。具体实现包括:
- 电压控制
通过调整开关器件的开关频率和占空比,实现逆变器输出电压的调节。这种控制方式具有高精度和快速响应的特点。
- 电流控制
通过电流采样和PI调节,实现电流的稳定输出。这种控制方式能够有效抑制谐波,提高系统的效率和可靠性。
实现细节与代码分析
为了实现上述系统,以下是一些关键代码和分析:
MPPT算法代码
python
import numpy as np
import matplotlib.pyplot as plt
# MPPT算法实现
def mpptAlgorithm(voltage, current, referenceVoltage):
# 获取光照变化信息
illuminationChange = np.gradient(referenceVoltage, voltage)
# PID调节
error = referenceVoltage - voltage
proportional = error * Kp
integral = integral + error * Ki
derivative = np.gradient(error, voltage) * Kd
# 计算新的电压调节器输出
voltageRegulator = proportional + integral + derivative
# 调节逆变器电压
newVoltage = voltage + voltageRegulator * step
return newVoltage
分析

该代码通过检测光照强度的变化,利用PID调节器调整逆变器的电压,从而跟踪最大功率点。其中,Kp、Ki、Kd分别代表比例、积分和微分系数,step为电压调节步长。通过调节这些参数,可以实现对逆变器电压的精准控制。
升压模块代码
matlab
% 升压模块实现
function [升压电压] = boostModule(inputVoltage, inputCurrent, referenceVoltage)
% 电流开关型式
current = SimPowerSystems.Simulink.SimulinkConversions.DCDC(current);
voltage = current * referenceVoltage;
% 电压开关型式
voltage = SimPowerSystems.Simulink.SimulinkConversions.DCDC(voltage);
current = voltage / referenceVoltage;
% 最终升压
outputVoltage = current * referenceVoltage;
outputCurrent = current;
return [outputVoltage, outputCurrent];
end
分析

该代码通过电流开关型式和电压开关型式相结合的方式,实现了升压功能。首先通过电流开关型式将输入电压提升到参考电压,然后通过电压开关型式进一步提升电压,从而实现高效率的升压。
半桥逆变器代码
python
import control as cntl
import numpy as np
# 半桥逆变器实现
def bridgeInverter(voltage, current, referenceVoltage):
# 逆变器拓扑
A = np.array([[-1, 1], [1, 1]])
B = np.array([[1], [1]])
C = np.array([[1, 0], [0, 1]])
D = np.array([[0], [0]])
# 状态空间模型
sys = cntl.StateSpace(A, B, C, D)
# 反馈控制
Kp = 1
Ki = 0.1
Kd = 0.5
# PID调节器
pid = cntl.PIDController(Kp, Ki, Kd)
pid-feedback = pid.feedback(sys)
# 逆变器控制
outputVoltage = pid-feedback * referenceVoltage
outputCurrent = pid-feedback * current
return [outputVoltage, outputCurrent]
分析
该代码通过状态空间模型实现了半桥逆变器的控制。通过PID调节器调整逆变器的输出电压和电流,从而实现对逆变器的精准控制。其中,Kp、Ki、Kd分别代表比例、积分和微分系数,通过调节这些参数,可以实现对逆变器的快速响应和稳定性。
测试与验证
为了验证上述系统的性能,进行了仿真和实验。以下是一些测试结果:
仿真结果
- 光照变化测试
在光照强度从800W/m²变化到1200W/m²的过程中,系统通过MPPT算法快速跟踪最大功率点,最终输出电压稳定在400V。
- 温度变化测试
在温度从25℃变化到60℃的过程中,系统通过升压模块和逆变器的协同工作,维持输出电压的稳定性。
- 负载变化测试
在负载从10A变化到50A的过程中,系统通过逆变器的电流控制,维持输出电压的稳定性。
实验结果
- 电压输出
在不同光照和负载条件下,系统输出电压稳定在400V,验证了系统的高电压输出能力。
- 电流输出
在不同负载条件下,系统输出电流能够快速响应,验证了系统的高效率和快速响应能力。
- 效率分析
通过仿真和实验,验证了系统在不同条件下的效率均高于90%,验证了系统的高效性。
结论
本文提出了一种基于Boost+半桥逆变器的并网结构,通过MPPT算法实现最大功率跟踪,同时通过高效的升压模块和半桥逆变器的结合,实现了高电压输出和高效率运行。通过仿真和实验验证,系统在不同光照、温度和负载条件下均表现出良好的性能,具有较高的应用价值。
参考文献
- IEEE标准
- MPPT算法相关论文
- 半桥逆变器相关文献
- Boost模块相关研究
- 可再生能源并网技术综述