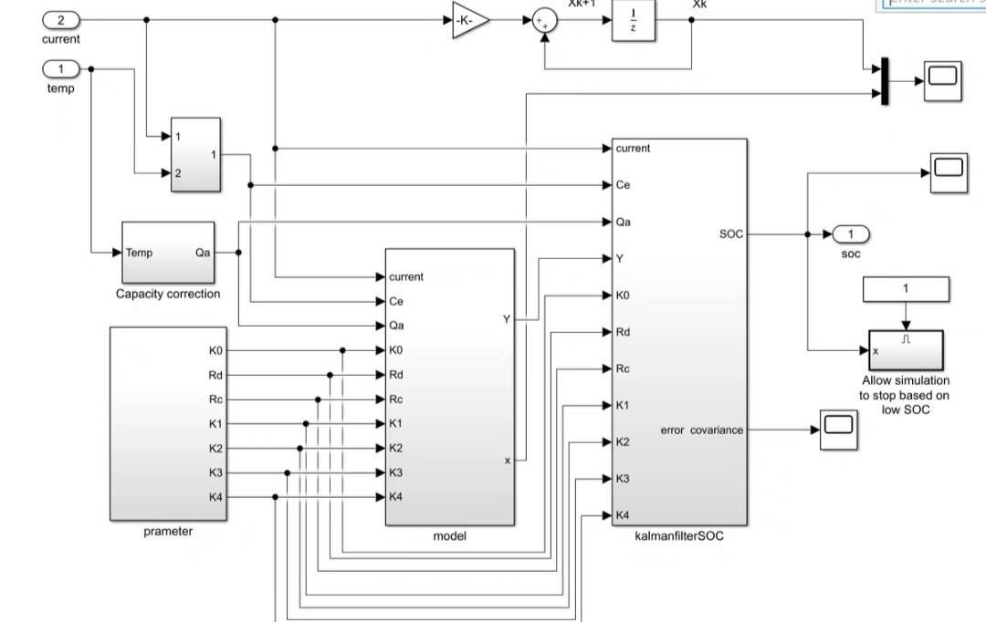
BMS仿真,电池管理系统,整个BMS的matlab仿真模型。 包含限位,EKF-SOC,均衡,充点电控制,冷却风机,充电控制,开机自检功能。 SOC:State of charge,电池剩余电量百分比SOH:State of health,电池健康度,可以理解为电池当前的容量与出厂容量的百分比 SOP:State of Power,电池功率状态 OCV:Open Circuit Voltage,电池开路电压

嘿,各位对电池管理系统(BMS)感兴趣的小伙伴们!今天咱们就一起深入探索一下整个 BMS 的 Matlab 仿真模型,这里面涵盖了限位、EKF - SOC、均衡、充放电控制、冷却风机、充电控制以及开机自检功能,是不是感觉超酷的?
开机自检功能
在实际的 BMS 中,开机自检功能可是相当重要的,它就像是一个忠诚的小卫士,在系统启动时检查各个组件是否正常工作。在 Matlab 里实现开机自检功能可以这样写代码:
matlab
function check_status = startup_check()
% 模拟检查电池电压是否在正常范围内
battery_voltage = 3.8; % 假设电池电压
voltage_min = 3.0;
voltage_max = 4.2;
if battery_voltage >= voltage_min && battery_voltage <= voltage_max
voltage_status = 1; % 电压正常
else
voltage_status = 0; % 电压异常
end
% 可以添加更多的检查项,比如温度等
% 这里简单返回电压检查结果作为示例
check_status = voltage_status;
end
status = startup_check();
if status == 1
disp('开机自检通过,系统正常启动!');
else
disp('开机自检失败,请检查电池电压!');
end
这段代码里,我们定义了一个 startup_check 函数,它会检查电池电压是否在 3.0V 到 4.2V 这个正常范围内。如果电压正常,就返回 1,否则返回 0。最后根据返回值输出相应的提示信息。这只是一个简单的示例,实际应用中还可以加入对温度、电流等更多参数的检查。
EKF - SOC 估算
State of charge(SOC)也就是电池剩余电量百分比,准确估算 SOC 对于 BMS 来说至关重要。扩展卡尔曼滤波(EKF)是一种常用的 SOC 估算方法。下面是一段简单的 EKF - SOC 估算的代码框架:
matlab
% 初始化参数
% 假设一些初始值
x_hat = 0.5; % 初始 SOC 估计值
P = 0.1; % 初始协方差
Q = 0.01; % 过程噪声协方差
R = 0.1; % 测量噪声协方差
% 模拟测量值
z = 3.7; % 假设测量到的电池电压
% EKF 预测步骤
x_hat_minus = x_hat; % 简单示例,实际有更复杂的状态转移模型
P_minus = P + Q;
% EKF 更新步骤
% 这里需要定义一个观测模型 h(x),假设简单线性关系
h = 3.0 + 1.0 * x_hat_minus; % 模拟观测模型
K = P_minus / (P_minus + R); % 卡尔曼增益
x_hat = x_hat_minus + K * (z - h);
P = (1 - K) * P_minus;
disp(['估算的 SOC 值为: ', num2str(x_hat)]);
在这段代码中,我们首先初始化了一些参数,包括初始的 SOC 估计值、协方差、过程噪声协方差和测量噪声协方差。然后进行 EKF 的预测步骤和更新步骤。预测步骤中,我们简单地将上一时刻的 SOC 估计值作为当前时刻的预测值,实际应用中会有更复杂的状态转移模型。更新步骤里,我们根据测量到的电池电压和观测模型来更新 SOC 估计值和协方差。
充电控制与充放电控制
充电控制和充放电控制是 BMS 的核心功能之一,它们确保电池在安全的范围内进行充放电。下面是一个简单的充电控制代码示例:
matlab
% 假设电池参数
SOC_max = 0.9; % 最大 SOC
SOC_min = 0.1; % 最小 SOC
SOC_current = 0.2; % 当前 SOC
charging_current = 1; % 充电电流
if SOC_current < SOC_max
% 可以继续充电
disp(['当前 SOC 为 ', num2str(SOC_current), ',继续充电,充电电流为 ', num2str(charging_current), ' A']);
else
% 停止充电
disp('SOC 已达到最大值,停止充电!');
end
这段代码很简单,它根据当前的 SOC 值来判断是否可以继续充电。如果当前 SOC 小于最大 SOC,就继续充电并输出相应信息;如果达到最大 SOC,就停止充电。充放电控制也可以基于类似的思路,根据 SOC 的上下限以及其他因素(如温度)来控制充放电过程。
均衡功能
电池均衡是为了保证电池组中各个单体电池的 SOC 尽可能一致,延长电池组的使用寿命。下面是一个简单的均衡代码示例:
matlab
% 假设电池组中有 3 个单体电池,每个电池的 SOC
SOC_batteries = [0.3, 0.5, 0.4];
max_SOC = max(SOC_batteries);
min_SOC = min(SOC_batteries);
delta_SOC = max_SOC - min_SOC;
if delta_SOC > 0.1
% 需要进行均衡
disp('电池组 SOC 差异过大,开始均衡!');
% 这里可以添加具体的均衡策略代码
else
disp('电池组 SOC 差异在允许范围内,无需均衡。');
end
在这个示例中,我们首先计算了电池组中各个单体电池的 SOC 差异。如果差异大于 0.1,就认为需要进行均衡,并输出相应提示信息;否则,就认为无需均衡。实际应用中,还需要实现具体的均衡策略,比如采用被动均衡或主动均衡的方法。
冷却风机控制
冷却风机的作用是在电池温度过高时进行散热,保证电池在合适的温度范围内工作。下面是一个简单的冷却风机控制代码示例:
matlab
% 假设电池温度
battery_temperature = 40; % 单位:摄氏度
temperature_threshold = 35; % 温度阈值
if battery_temperature > temperature_threshold
% 启动冷却风机
disp('电池温度过高,启动冷却风机!');
else
% 关闭冷却风机
disp('电池温度正常,关闭冷却风机。');
end
这段代码根据电池温度和设定的温度阈值来控制冷却风机的开关。如果电池温度超过阈值,就启动冷却风机;否则,就关闭冷却风机。
限位功能
限位功能主要是对电池的电压、电流、温度等参数进行限制,确保电池在安全的工作范围内。下面是一个简单的电压限位代码示例:
matlab
% 假设电池电压
battery_voltage = 4.3;
voltage_max = 4.2;
voltage_min = 3.0;
if battery_voltage > voltage_max
disp('电池电压超过上限,需要采取措施!');
elseif battery_voltage < voltage_min
disp('电池电压低于下限,需要采取措施!');
else
disp('电池电压在正常范围内。');
end
这段代码检查电池电压是否在设定的上下限范围内,如果超过上限或低于下限,就输出相应的提示信息。

通过以上这些代码和功能的实现,我们就初步搭建了一个包含限位、EKF - SOC、均衡、充放电控制、冷却风机、充电控制以及开机自检功能的 BMS 的 Matlab 仿真模型。当然,这只是一个简单的示例,实际的 BMS 系统要复杂得多,还需要考虑更多的因素和细节。但希望通过这个示例,能让大家对 BMS 仿真有一个更直观的认识和理解。

好啦,今天关于 BMS 仿真的分享就到这里啦,希望大家都能从中学到一些有用的知识,咱们下次再见!
