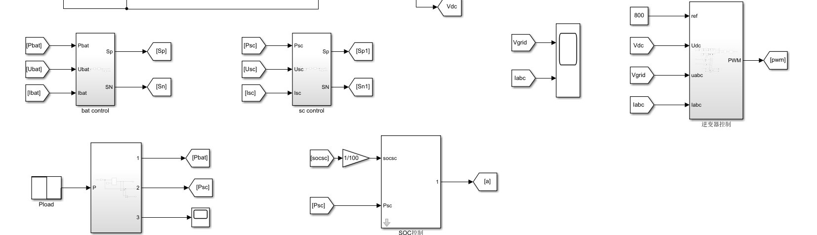
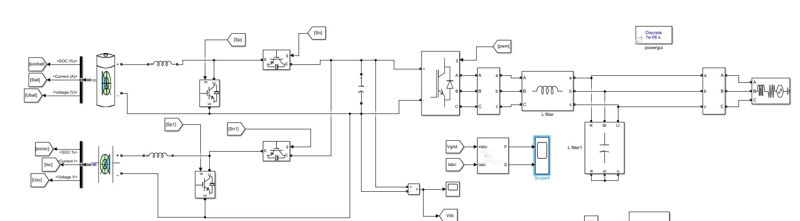
蓄电池与超级电容器混合储能并网 Matlab/Simulink仿真模型,波形正确。 1.混合储能并网,能量管理,蓄电池与超级电容混合储能并网,混合储能采用低通滤波器进行功率分配,有效抑制系统功率波动,实现母线电压稳定,并对超级电容的soC进行能量管理 2.超级电容的工作分为:1)放电下限区2)放 电警戒区 3)正常工作区4)充电警戒区5) 充电上限区五个工作区域 3并网采用pwm整流器,基于电网电压双闭环矢量控制,采用lc滤波,同时也采用了svpwm优化 可送相关参考文献

在能源存储与并网领域,蓄电池与超级电容器混合储能并网技术正逐渐崭露头角。今天咱就唠唠基于Matlab/Simulink搭建的相关仿真模型,这模型波形正确,算是对这个技术不错的实践验证。
混合储能并网与能量管理
混合储能并网的核心在于能量管理策略。这里采用低通滤波器进行功率分配,其目的是有效抑制系统功率波动,同时实现母线电压稳定。为啥用低通滤波器呢?简单说,它能让低频信号顺利通过,而滤除高频信号。在混合储能系统里,蓄电池响应速度慢,但能量密度高,适合处理低频功率;超级电容响应速度快,功率密度高,处理高频功率。这样分工,系统就能更好地应对功率波动。

比如在Simulink里搭建低通滤波器模块,可以使用传递函数模块。假设我们设计一个一阶低通滤波器,传递函数为:G(s)=\\frac{1}{Ts + 1} ,这里T是时间常数。在Simulink里实现就像下面这样:
matlab
% 定义时间常数
T = 0.1;
% 传递函数分子分母系数
num = [1];
den = [T, 1];
% 创建传递函数模型
sys = tf(num, den);
通过这个简单的代码片段,我们就创建了一个一阶低通滤波器的传递函数模型。在实际Simulink模型中,将功率信号接入这个滤波器模块,就能把功率信号分解为低频和高频部分,分别交给蓄电池和超级电容处理。

同时,对超级电容的soC(State of Charge,荷电状态)进行能量管理也至关重要。超级电容工作分为五个区域:放电下限区、放电警戒区、正常工作区、充电警戒区、充电上限区。在不同区域,超级电容的工作特性和控制策略都不同。比如当soC处于放电下限区,就要限制超级电容进一步放电,防止过度放电损坏设备。
超级电容的五个工作区域
1. 放电下限区
当超级电容的soC接近这个区域,意味着电量快耗尽了。此时控制系统要迅速介入,减少超级电容的放电功率,甚至停止放电,确保其安全。
2. 放电警戒区
在这个区域,虽然超级电容还有一定电量,但也得警惕了。控制系统要适当调整其放电速率,准备切换到其他储能方式或者充电操作。
3. 正常工作区
这是超级电容最舒服的工作区域,它能根据功率分配策略,自由地进行充放电操作,为系统稳定运行贡献力量。
4. 充电警戒区
当超级电容的soC接近这个区域,说明快充满了。控制系统要开始降低充电功率,防止过充。
5. 充电上限区
一旦进入这个区域,必须马上停止充电,保护超级电容。
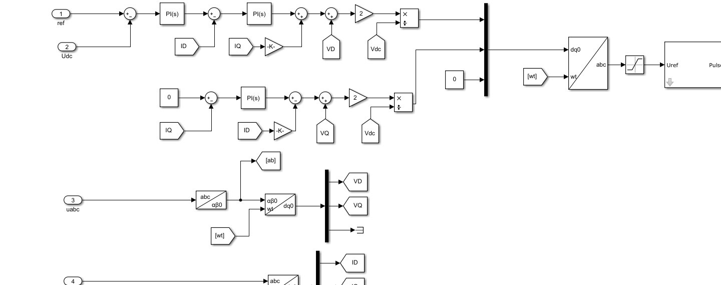
并网技术:PWM整流器与相关控制策略
并网采用PWM整流器,基于电网电压双闭环矢量控制,还采用了LC滤波以及SVPWM优化。PWM整流器能实现电能的双向流动,将混合储能系统的电能高效地注入电网。

双闭环矢量控制,简单理解就是通过两个闭环(电流环和电压环)来精确控制整流器的输出。电流环保证输入电流的质量,电压环维持直流母线电压稳定。在Simulink里搭建双闭环矢量控制模块,要涉及到坐标变换、PI调节器等。
matlab
% 定义PI调节器参数
kp = 0.5;
ki = 10;
% 创建电流环PI调节器
pi_current = pid(kp, ki);
上面代码创建了一个简单的电流环PI调节器。通过调整kp(比例系数)和ki(积分系数),可以优化电流环的控制性能。

LC滤波则是为了进一步滤除PWM整流器输出的高次谐波,让并网电流更加纯净。而SVPWM优化能提高直流电压利用率,降低开关损耗。
参考文献
此处可以补充一些相关的学术论文或者技术文档,比如《混合储能系统功率分配与能量管理策略研究》等

通过Matlab/Simulink仿真,我们能直观地看到蓄电池与超级电容器混合储能并网系统的运行情况,验证各种控制策略的有效性。希望今天分享的这些能给对这个领域感兴趣的小伙伴一些启发。
